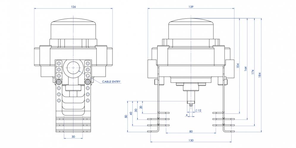
KSSK แบบกันระเบิด (ATEX) ทำจากอะลูมิเนียม พร้อมตัวบ่งชี้แบบแสง (ออปติคัล) II2GD Exdb IIC T6 - T4 GB / Extb IIIC
พื้นที่ปลอดภัย กล่องลิมิตสวิตช์ ลิมิตสวิตช์ภายนอกและตัวบ่งชี้ตำแหน่ง โพซิชันเนอร์ โซลินอยด์วาล์วและคอยล์ อุปกรณ์ควบคุมการไหล เกียร์บ็อกซ์พวงมาลัยมือ ตัวลดสี่เหลี่ยมและฟิลเตอร์ พื้นที่ ATEX กล่องลิมิตสวิตช์ ลิมิตสวิตช์ภายนอกและตัวบ่งชี้ตำแหน่ง โพซิชันเนอร์ โซลินอยด์วาล์วและคอยล์ Download General catalogue ดาวน์โหลด Actuator Accessories Catalogue การถอดรหัส MAGNUM & THOR กำหนดค่าผลิตภัณฑ์ของคุณ ดาวน์โหลดไฟล์ 2D และ 3D ในหลายรูปแบบ ดาวน์โหลด Sales conditions มาโคร อุปกรณ์เสริมสำหรับแอคชูเอเตอร์ หมวดหมู่ พื้นที่ ATEX หมวดย่อย กล่องลิมิตสวิตช์ ค้นหารหัส ขอข้อมูล ดาวน์โหลดแค็ตตาล็อก KSSK ATEX ALUMINIUM WITH OPTICAL INDICATOR คุณลักษณะทางเทคนิค- ออกแบบมาเพื่อให้ตรวจสอบตำแหน่งการทำงานของวาล์วทั้งทางสายตาและทางไฟฟ้าได้อย่างง่ายดาย แม้ในระยะไกล- ผลิตตามมาตรฐาน VDI / VDE 3845 (EN15714-3)- สามารถติดตั้งสวิตช์จำกัดตำแหน่งได้ 2 ตัว ทั้งแบบกลไก “SPDT” หรือแบบระยะใกล้- แคมของสวิตช์จำกัดตำแหน่งถูกออกแบบให้ไม่สามารถเลื่อนหลุดได้ แม้ขณะปรับตั้งหรือใช้งานเครื่องมืออื่น- การเดินสายภายในจัดไว้ล่วงหน้าพร้อมขั้วต่อหมายเลข: หมายเลข 6 สำหรับไมโครสวิตช์สองตัว และมีขั้วต่อเพิ่มเติมสำหรับการต่อสายโซลินอยด์ (ดูแผนผังการเดินสายไฟ)- มีข้อต่อเกลียวไฟฟ้า 2 จุด สำหรับต่อกับข้อต่อสายเคเบิล- อุณหภูมิการทำงาน:ตั้งแต่ -40°C ถึง +80°C (มาตรฐาน);ตั้งแต่ -25°C ถึง +70°C สำหรับสวิตช์จำกัดตำแหน่งรหัส “73”;ตั้งแต่ -25°C ถึง +80°C สำหรับสวิตช์จำกัดตำแหน่งรหัส “75”- ระดับการป้องกัน: IP 67 วัสดุ- ตัวเรือนและฝาครอบ: อะลูมิเนียมหล่อ เคลือบผงโพลีเอสเตอร์*- ตัวบ่งชี้ตำแหน่ง: โพลีคาร์บอเนตชนิดทนรังสี UV และไม่ลามไฟ ชั้น V0- เพลาขับ: สแตนเลสสตีล- สกรู: สแตนเลสสตีล* สามารถสั่งผลิตเป็นสแตนเลสสตีลเกรด CF8M ได้ตามคำขอ การรับรองมาตรฐาน- มาตรฐาน ATEX, IEC Ex: II2GD Exdb IIC T6 - T4 Gb / Extb IIIC- มีการรับรองเพิ่มเติมตามคำขอ- ผ่านการรับรองตามมาตรฐานความปลอดภัยระดับ SIL 3 ประเภทของสวิตช์จำกัดตำแหน่งที่อยู่ภายในกล่อง KSSKรหัส*คำอธิบายรุ่นแผนผังการเดินสายไฟ01ไมโครสวิตช์แบบอิเล็กโทรเมคคานิคอล SPDT พร้อมหน้าสัมผัสชุบนิกเกิลเงิน (CHERRY)สูงสุด: 250 Vac 5A - 24 Vdc 3A; ขั้นต่ำ: 250 Vac 50 mA - 24 Vdc 50 mA (โหลดแบบความต้านทาน)มาตรฐาน03ไมโครสวิตช์แบบอิเล็กโทรเมคคานิคอล SPDT พร้อมหน้าสัมผัสชุบทอง (CHERRY)สูงสุด: 250 Vac 0.1 mA - 30 Vdc 0.5 mAตามคำขอ1Fไมโครสวิตช์แบบอิเล็กโทรเมคคานิคอล DPDT พร้อมหน้าสัมผัสชุบนิกเกิลเงิน (แต่ละแคมจะทำงานพร้อมกันกับไมโครสวิตช์ SPDT สองตัว) (CHERRY)สูงสุด: 250 Vac 5A - 24 Vdc 5A; ขั้นต่ำ: 24 Vdc 50 mAตามคำขอ73ไมโครสวิตช์จำกัดระยะใกล้แบบขยายสัญญาณ 3 สาย PNP NO รุ่น P+F NBB2 V3 E210÷30 VDC; 200 mA - กระแสทำงาน 0 - 100 mAตามคำขอ75ไมโครสวิตช์จำกัดระยะใกล้แบบขยายสัญญาณ 2 สาย รุ่น IFM IS 50265÷36 Vdc; 4÷200 mAตามคำขอ* สัญลักษณ์ที่ระบุประเภทของสวิตช์จำกัดตำแหน่งที่ใช้ จะปรากฏในรหัสสินค้าในตำแหน่งที่ 6 และ 7 ค้นหารหัส