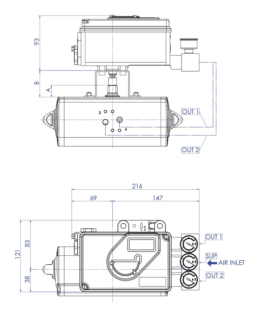
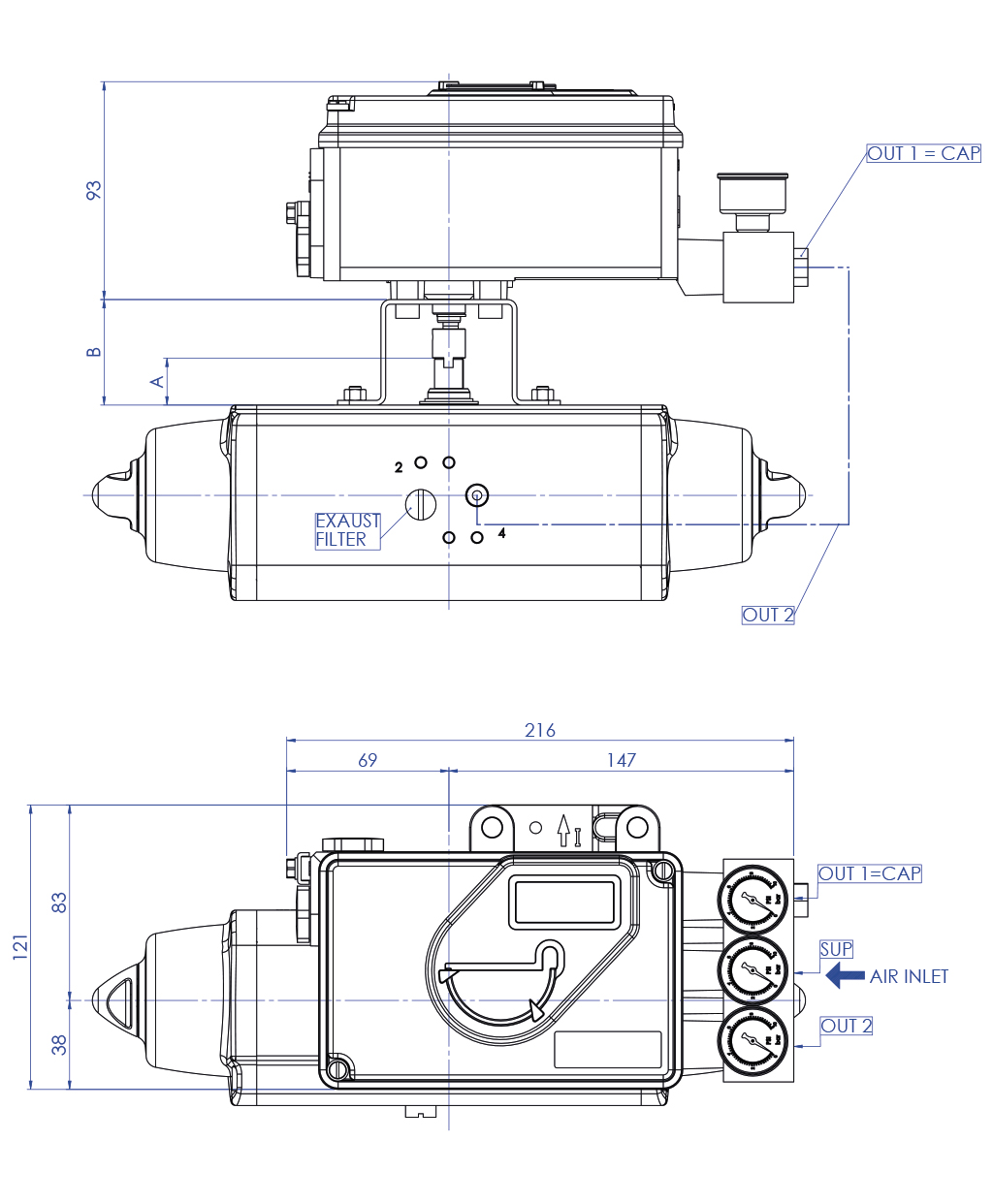
พื้นที่ปลอดภัย กล่องลิมิตสวิตช์ ลิมิตสวิตช์ภายนอกและตัวบ่งชี้ตำแหน่ง โพซิชันเนอร์ โซลินอยด์วาล์วและคอยล์ อุปกรณ์ควบคุมการไหล เกียร์บ็อกซ์พวงมาลัยมือ ตัวลดสี่เหลี่ยมและฟิลเตอร์ พื้นที่ ATEX กล่องลิมิตสวิตช์ ลิมิตสวิตช์ภายนอกและตัวบ่งชี้ตำแหน่ง โพซิชันเนอร์ โซลินอยด์วาล์วและคอยล์ Download General catalogue ดาวน์โหลด Actuator Accessories Catalogue การถอดรหัส MAGNUM & THOR กำหนดค่าผลิตภัณฑ์ของคุณ ดาวน์โหลดไฟล์ 2D และ 3D ในหลายรูปแบบ ดาวน์โหลด Sales conditions มาโคร อุปกรณ์เสริมสำหรับแอคชูเอเตอร์ หมวดหมู่ พื้นที่ ATEX หมวดย่อย โพซิชันเนอร์ ค้นหารหัส ขอข้อมูล ดาวน์โหลดแค็ตตาล็อก KPFE ATEX ELECTROPNEUMATIC POSITIONER 4-20MA การผลิตตามมาตรฐาน ATEXมาตรฐานวาล์วสปูลมาตรฐานเวอร์ชันแบบดับเบิลแอคติ้งมีแมนิโฟลด์พร้อมเกจวัดความดันมีกล่องอะลูมิเนียมพ่นสีอีพ็อกซีมาตรฐานกล่องสแตนเลสออปชัน เมื่อซื้อตัวปรับตำแหน่งที่ติดตั้งมากับแอคชูเอเตอร์นิวเมติกของ OMAL S.p.A. จะได้รับอุปกรณ์ที่ปรับเทียบเรียบร้อยแล้ว หากไม่ได้ติดตั้งจากโรงงาน การตั้งค่าจะเป็นความรับผิดชอบของลูกค้าเอง โดย OMAL S.p.A. จะไม่รับผิดชอบในกรณีดังกล่าว คุณสมบัติทางเทคนิค• ตัวปรับตำแหน่งแบบแอนะล็อก พร้อมสัญญาณอินพุต 4–20 mA ออกแบบมาเพื่อควบคุมแอคชูเอเตอร์นิวเมติก สามารถตั้งค่าได้ง่ายด้วยสวิตช์และโพเทนชิโอมิเตอร์ รุ่นที่มีสัญญาณป้อนกลับจะมีตัวส่งสัญญาณตำแหน่งเพื่อการตรวจสอบการทำงานของวาล์วอย่างต่อเนื่อง (4–20 mA)- ตัวเรือนอะลูมิเนียมพ่นสีอีพ็อกซี อุณหภูมิการทำงาน: ตั้งแต่ -40°C ถึง 80°C- รุ่น: แบบซิงเกิลแอคติ้ง / ดับเบิลแอคติ้ง- อินพุต: สัญญาณ 4–20 mA- อินพุต/เอาต์พุตเพิ่มเติม: ไม่มี- สวิตช์ลิมิตภายใน: ไม่มี- ช่องสอดสายไฟ: M20x1.5 พร้อมคัปเปิลเกลียวกันน้ำ- การจัดประเภททางไฟฟ้า: II 2 G EEx ia/ib IIB/IIC T4/T6 ตามมาตรฐาน ATEX- การป้องกัน: IP65 (IP66 ตามคำขอ) อุปกรณ์ที่รวมมาให้- ตัวขยายแรงลมแบบ “สปูลวาล์ว”- แมนิโฟลด์พร้อมเกจวัดความดัน พร้อมข้อต่อขนาด 1/4-18 NPT- ชุดติดตั้งสำหรับแอคชูเอเตอร์แบบหมุน ตามมาตรฐาน VDI/VDE 3845 อุปกรณ์เสริมตามคำขอ- ระบบส่งสัญญาณป้อนกลับตำแหน่ง 4–20 mA แบบนิรภัยภายใน- สวิตช์ลิมิต NAMUR จำนวน 2 ตัว / ไมโครสวิตช์แบบ PNP นิรภัยภายใน- ตัวเรือนสแตนเลส 316- ตัวเรือนสแตนเลส 316 พร้อมเกจวัดความดัน การรับรองมาตรฐาน- หนังสือรับรองความสอดคล้องตามมาตรฐาน ATEX II 2 G EEx ia/ib IIB/IIC T4/T6 และอื่น ๆ ตามคำขอ FOXBORO ECKART-SRI990 หมายเหตุตัวปรับตำแหน่งแบบนิวเมติกและอิเล็กโทรนิวเมติกจะจัดส่งตามคำขอ โดยได้รับการปรับตั้งล่วงหน้าและติดตั้งโดยใช้ท่ออะลูมิเนียมหุ้มพร้อมข้อต่อแบบเร็วการปรับตั้ง A = 0° - 90°:- สัญญาณควบคุม 4 mA: ตำแหน่งปิด- สัญญาณควบคุม 20 mA: ตำแหน่งเปิดการปรับตั้ง D = 90° - 0°:- สัญญาณควบคุม 4 mA: ตำแหน่งเปิด- สัญญาณควบคุม 20 mA: ตำแหน่งปิดสำหรับข้อมูลเพิ่มเติม กรุณาดูคู่มือการใช้งานและบำรุงรักษา ตัวปรับตำแหน่งสำหรับแอคชูเอเตอร์แบบดับเบิลแอคติ้ง ตัวปรับตำแหน่งสำหรับแอคชูเอเตอร์แบบสปริงรีเทิร์น สำหรับขนาด A และ B โปรดดูหน้า 75 ของแค็ตตาล็อกอุปกรณ์เสริม ค้นหารหัส