OMAL,<br>EMPOWERED<br>PERFORMANCE
OMAL,
EMPOWERED
PERFORMANCE
วาล์วและแอคชูเอเตอร์
โซลูชันขั้นสูงสำหรับการควบคุมของไหลและระบบอัตโนมัติในกระบวนการ

ตัวปรับตำแหน่งนิวเมติก KPLPPA

เมื่อซื้อตัวปรับตำแหน่งที่ติดตั้งมากับแอคชูเอเตอร์นิวเมติกของ OMAL S.p.A. จะได้รับอุปกรณ์ที่ปรับเทียบเรียบร้อยแล้ว หากไม่ได้ติดตั้งจากโรงงาน การตั้งค่าจะเป็นความรับผิดชอบของลูกค้าเอง โดย OMAL S.p.A. จะไม่รับผิดชอบในกรณีดังกล่าว

คำอธิบาย
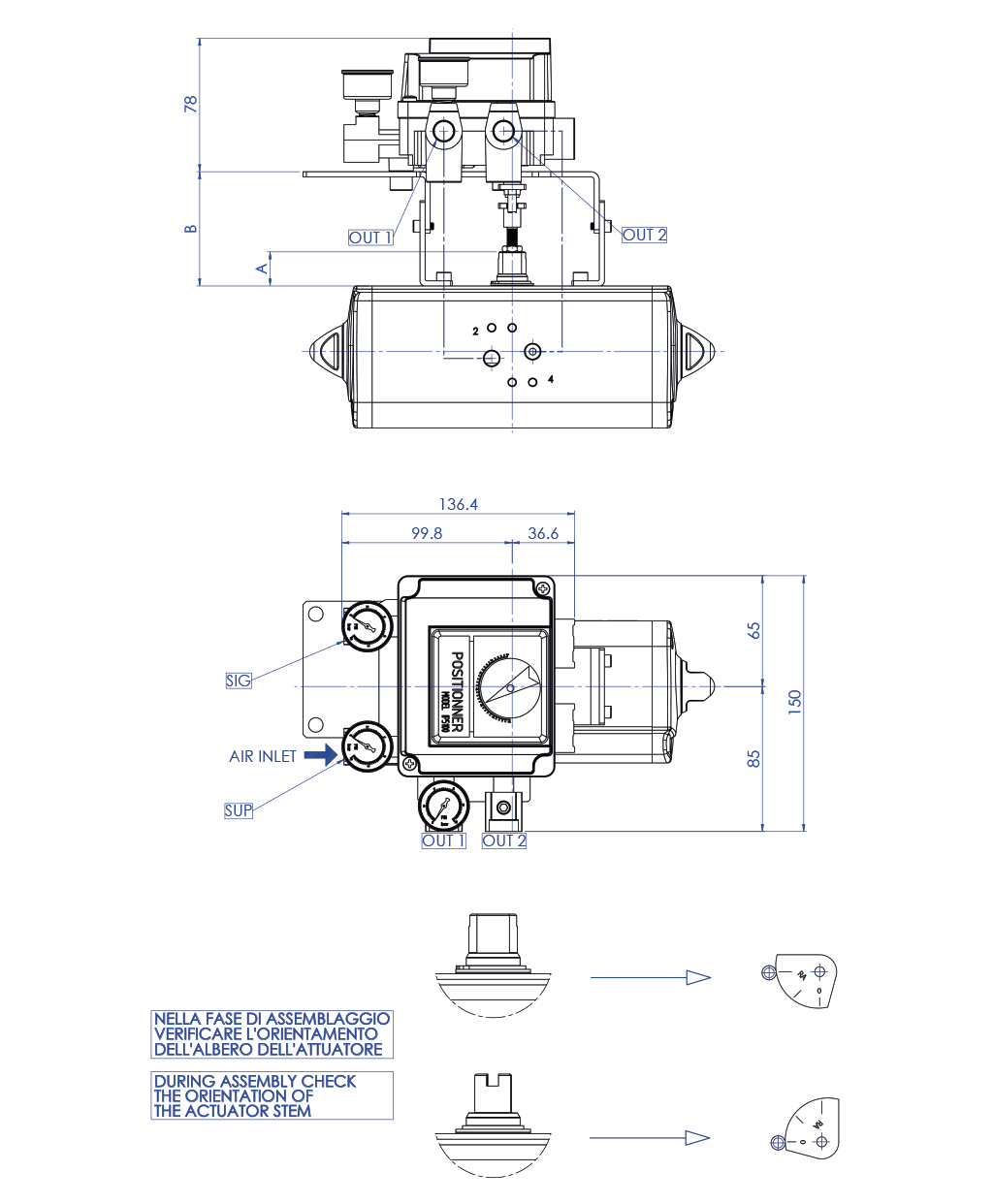
ตัวปรับตำแหน่งนิวเมติกแบบแคม เหมาะอย่างยิ่งสำหรับการทำงานแบบสัดส่วนของแอคชูเอเตอร์รุ่น DA และ SR โดยเชื่อมต่อกับแอคชูเอเตอร์ผ่านชุดติดตั้งที่ยึดอยู่กับตัวแอคชูเอเตอร์ สัญญาณลมควบคุมที่ได้รับจากอุปกรณ์ต่าง ๆ เช่น เทอร์โมสตัท วิสโคมิเตอร์ หรือเกจวัดความดัน จะถูกส่งเข้าสู่ตัวปรับตำแหน่ง ซึ่งจะทำหน้าที่ปรับมุมการเปิดและปิดของวาล์วตามสัญญาณนั้น การทำงานในทิศตามเข็มและทวนเข็มนาฬิกาสามารถสลับได้โดยไม่ต้องใช้อุปกรณ์เพิ่มเติม เพียงแค่กลับด้านของแคมและสลับการเชื่อมต่อของแอคชูเอเตอร์เท่านั้น

คุณสมบัติทางเทคนิค
- แหล่งจ่ายลม: ลมแห้งสำหรับเครื่องมือ 5 µ
- สัญญาณแรงดันควบคุม: 0,02 - 0,1 MPa (0,2 ÷ 1 บาร์) (3 ÷ 15 psi)
- เกจวัดความดัน 3 ตัว: 2 ตัวสำหรับลมจ่าย, 1 ตัวสำหรับสัญญาณควบคุม
- ข้อต่อลม: 1/4” NPT
- ข้อต่อสัญญาณอินพุต: 1/4” (เกลียว)
- การป้องกัน: IP65 (ตามมาตรฐาน IEC 60529)
- ความไวในการทำงาน: < 0,5% ของช่วงการทำงาน
- ค่าความเป็นเชิงเส้น: < ±2%
- การใช้ลม: ตั้งแต่ 5 Nl/นาที (ที่ P = 1,4 บาร์) ถึง 11 Nl/นาที (ที่ P = 4 บาร์)
- อุณหภูมิการทำงาน: ตั้งแต่ -20°C ถึง +80°C
- มีตัวเลือกตามคำขอ: รุ่นอุณหภูมิสูง (-5°C / +100°C), รุ่นอุณหภูมิต่ำ (-30°C / +60°C)

การรับรองมาตรฐาน
- ตามคำขอ

SMC - IP5100

หมายเหตุ
ตัวปรับตำแหน่งแบบนิวเมติกและอิเล็กโทรนิวเมติกจะจัดส่งตามคำขอ โดยได้รับการปรับตั้งล่วงหน้าและติดตั้งโดยใช้ท่ออะลูมิเนียมหุ้มพร้อมข้อต่อแบบเร็ว

การปรับตั้ง A = 0° - 90°:
• แรงดันควบคุม 0,2 บาร์: ตำแหน่งปิด
• แรงดันควบคุม 1 บาร์: ตำแหน่งเปิด
การปรับตั้ง D = 90° - 0°:
• แรงดันควบคุม 0,2 บาร์: ตำแหน่งเปิด
• แรงดันควบคุม 1 บาร์: ตำแหน่งปิด

สำหรับข้อมูลเพิ่มเติม กรุณาดูคู่มือการใช้งานและบำรุงรักษา

ตัวปรับตำแหน่งสำหรับแอคชูเอเตอร์แบบดับเบิลแอคติ้ง

ตัวปรับตำแหน่งสำหรับแอคชูเอเตอร์แบบสปริงรีเทิร์น

ขนาด
DAN15÷DAN120
SRN15 ÷ SRN60  
DAN180÷DAN1920
SRN90÷SRN960  
A (mm)2030
B (mm)6777

ค้นหารหัส 
ปิด X

กิจกรรมถัดไป

Hyvolution 2026
Hyvolution 2026
Paris, France - 27-29 january 2026