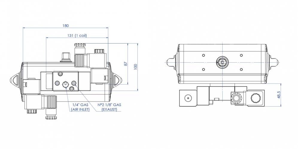
พื้นที่ปลอดภัย กล่องลิมิตสวิตช์ ลิมิตสวิตช์ภายนอกและตัวบ่งชี้ตำแหน่ง โพซิชันเนอร์ โซลินอยด์วาล์วและคอยล์ อุปกรณ์ควบคุมการไหล เกียร์บ็อกซ์พวงมาลัยมือ ตัวลดสี่เหลี่ยมและฟิลเตอร์ พื้นที่ ATEX กล่องลิมิตสวิตช์ ลิมิตสวิตช์ภายนอกและตัวบ่งชี้ตำแหน่ง โพซิชันเนอร์ โซลินอยด์วาล์วและคอยล์ Download General catalogue ดาวน์โหลด Actuator Accessories Catalogue การถอดรหัส MAGNUM & THOR กำหนดค่าผลิตภัณฑ์ของคุณ ดาวน์โหลดไฟล์ 2D และ 3D ในหลายรูปแบบ ดาวน์โหลด Sales conditions มาโคร อุปกรณ์เสริมสำหรับแอคชูเอเตอร์ หมวดหมู่ พื้นที่ปลอดภัย หมวดย่อย โซลินอยด์วาล์วและคอยล์ ค้นหารหัส ขอข้อมูล ดาวน์โหลดแค็ตตาล็อก 3/2 - 5/2 NAMUR SOLENOID VALVE WITH CNOMO COIL ตัวอย่างการใช้งานด้วยโซลินอยด์วาล์ว 1 ตัว (โมโนสเตเบิล) ตัวอย่างการใช้งานด้วยโซลินอยด์วาล์ว 2 ตัว (ไบสเตเบิล) คุณสมบัติทางเทคนิค- โซลินอยด์วาล์วแบบโมโนสเตเบิลหรือไบสเตเบิล 3/2 - 5/2 ตามมาตรฐาน NAMUR พร้อมอินเทอร์เฟซขดลวดแบบ CNOMO- วาล์วนี้ออกแบบมาเพื่อเลือกการทำงานระหว่างฟังก์ชัน 5/2 และ 3/2 ซึ่งสามารถปรับได้โดยใช้เพลทอินเทอร์เฟซ 2 แบบที่แตกต่างกัน- มีระบบระบายลมในตัวแบบ ETS (Exhaust to Spring) เมื่ออยู่ในตำแหน่ง 3/2- การป้องกันเมื่อใช้กับคอนเน็กเตอร์: IP65- ความสามารถในการไหล: 675 ลิตร/นาที ที่แรงดัน 6 บาร์ และความดันต่าง Δp = 1 บาร์- การเชื่อมต่อลม: ช่องลมเข้า 1/4", ช่องลมออก 1/8" ISO 228- ระบบควบคุมแบบไบสเตเบิลพร้อมสกรูควบคุม- แรงดันใช้งาน: ตั้งแต่ 3 ถึง 10 บาร์- อุณหภูมิโดยรอบ: ตั้งแต่ -20°C ถึง 80°C- ผ่านการรับรองมาตรฐานความปลอดภัยถึงระดับ SIL 2- ผ่านการรับรองมาตรฐานความปลอดภัยถึงระดับ SIL 3 สำหรับการทำงานแบบ 3/2 วัสดุ- ตัวเรือนและฝาครอบ: อะลูมิเนียม DURAL ชุบอโนไดซ์; สแตนเลส 316 ตามคำขอ- สปูล: อะลูมิเนียมชุบอโนไดซ์เคลือบ PTFE- ซีล: ไนไตรล์- สปริง: สแตนเลส- สกรู: สแตนเลส- เพลทแปลง 3/2 - 5/2: ไนลอน 66 เสริมใยแก้ว (30%) ขดลวด CNOMO (MC30 – ปลั๊กและซ็อกเก็ต) สำหรับโซลินอยด์วาล์วรุ่น ER85 – ER86 – ER8187 รหัสขดลวดรหัสขดลวดคำอธิบายBBR92024แหล่งจ่ายไฟ 24 VdcBBR91024แหล่งจ่ายไฟ 24 Vac 50/60 HzBBR91110แหล่งจ่ายไฟ 110 Vac 50/60 HzBBR91220แหล่งจ่ายไฟ 230 Vac 50/60 Hz คุณสมบัติทางเทคนิค- กำลังไฟอินพุต: 2 W (กระแสตรง DC)- กำลังไฟอินพุต: 5 VA (สูงสุด 9 VA ในกระแสสลับ AC)- ค่าความคลาดเคลื่อนของแรงดันไฟฟ้า: ±10%- ฉนวนขดลวด: ระดับ F- การทำงานต่อเนื่อง (Duty cycle): 100%- ระดับการป้องกัน: IP65- การเชื่อมต่อทางไฟฟ้า: PG.9- อุณหภูมิการทำงาน: ตั้งแต่ -20°C ถึง +60°C วัสดุ- ตัวเรือน: เทอร์โมพลาสติก ค้นหารหัส