images/testate/Template-Header-Sito-OMALBALLVALVES.jpg

วาล์วบอลสแตนเลส MAGNUM แบบ Split Wafer PN 16–40 ANSI 150–300

วาล์วบอลสแตนเลส MAGNUM แบบ Split Wafer PN 16–40 ANSI 150–300
มาโคร วาล์วบอล
หมวดหมู่ MAGNUM (แม็กนัม)

ครอบครัว MAGNUM Split Wafer PN 16-40 ANSI 150-300 (แม็กนัม สปลิต เวเฟอร์ พีเอ็น 16-40 แอนซี 150-300)

กำหนดค่า ระบบขับเคลื่อน
ขอข้อมูล
พิมพ์หน้าเว็บ
ถอดรหัส
  • ประโยชน์
  • คุณลักษณะ
  • มิติ
  • วัสดุ
  • แผนภาพและแรงบิดเริ่มต้น
  • อุปกรณ์เสริม
  • เอกสาร

1. อุปกรณ์ป้องกันไฟฟ้าสถิต (การนำไฟฟ้าต่อเนื่องระหว่างลูกบอล, ก้าน และตัววาล์ว)
หลีกเลี่ยงการเกิดประจุไฟฟ้าสถิตที่อาจทำให้เกิดการจุดติดในสภาพแวดล้อมที่ติดไฟและ/หรือระเบิดได้
รับประกันความปลอดภัยของการสัมผัสตลอดอายุการใช้งานของวาล์ว

2. แหวนป้องกันการเสียดสีคู่
ช่วยลดแรงบิดที่ใช้ในการขับเคลื่อนวาล์ว
ลดการสึกหรอกว่าการใช้แหวนเพียงวงเดียว

3. ชุดซีลแบบ "V" พร้อมซีล 3 ชิ้นและโอริง
รับประกันการซีลที่สมบูรณ์แม้หลังจากการใช้งานหลายรอบ

4. สปริงดิสก์บนซีลก้านวาล์ว
ชดเชยระยะเล่นจากการสึกหรอที่เกิดจากการหมุนกึ่งรอบของก้านเพื่อป้องกันการรั่วไหลออกภายนอก
ช่วยคงแรงกดบนซีลแบบเชฟรอน (V) ป้องกันการรั่วไหล แม้ในสภาวะอุณหภูมิเปลี่ยนแปลงมาก

5. ซีลกราไฟต์แบบยืดหยุ่น
รับประกันการซีลภายนอกโดยไม่ขึ้นกับการเปลี่ยนแปลงอุณหภูมิที่วาล์วต้องเผชิญ

ความแม่นยำสูงขึ้นในการจัดแนวเพลา เนื่องจากการกลึงจากชิ้นงานดิบจนสำเร็จเสร็จสิ้นในตำแหน่งเดียว
อายุการใช้งานของวาล์วนานขึ้น
แรงบิดในการขับเคลื่อนน้อยลง

ตัววาล์วทำจากเหล็กคาร์บอน ที่ผ่านการทำมาตรฐาน NACE แบบมาตรฐาน
รับประกันความต้านทานการกัดกร่อนที่สูงขึ้น
เพิ่มความเหนียวและความยืดหยุ่นของวัสดุ

กระบวนการผลิตทั้งหมดดำเนินการภายใน OMAL
การควบคุมสูงสุดในทุกขั้นตอนการผลิต
สามารถจัดหาผลิตภัณฑ์พิเศษตามความต้องการของลูกค้าได้อย่างรวดเร็ว

ใบรับรอง "Fire Safe"
รับประกันการซีลของวาล์วแม้ในกรณีเกิดเพลิงไหม้

ใบรับรอง ATEX
อนุญาตให้ติดตั้งในสภาพแวดล้อมที่มีความเสี่ยงการระเบิด

ใบรับรอง "TA LUFT fugitive emission"
รับประกันความปลอดภัยสูงในการซีลของก้านวาล์วต่อภายนอก

ใบรับรอง PED
สอดคล้องอย่างสมบูรณ์กับมาตรฐานความปลอดภัยของยุโรปสำหรับอุปกรณ์ที่ทำงานภายใต้ความดัน

ใบรับรอง SIL 3
ระดับความปลอดภัยการทำงานสูง

คุณสมบัติมาตรฐาน (STANDARD FEATURES)

  • ไม่มีลูกบอลลอยที่ยื่นออกมา (Floating ball) แบบ Full Bore

  • ซีลแบบ Soft-seat: PTFE ดัดแปร (Modified PTFE)

  • หน้าแปลนเชื่อมต่อมาตรฐาน: EN 1092-1 ฉบับปี 2008; ASME B16.5

  • อุณหภูมิการทำงาน: ดูแผนภาพอุณหภูมิ–ความดัน

  • ระดับความดัน: PN16-40; ANSI 150-300

  • ระดับการปิดผนึก: EN12266-1 ระดับ A

  • ของไหลที่ใช้งานได้: อากาศ น้ำ ก๊าซ ผลิตภัณฑ์ปิโตรเลียม ปิโตรเคมี และของไหลที่มีฤทธิ์กัดกร่อน

  • อุปกรณ์ป้องกันไฟฟ้าสถิต: EN12266-2

  • ซีลก้านวาล์ว: PTFE ดัดแปร แบบ V-pack

  • ซีลเสริมบนก้านวาล์วพร้อมโอริง FKM

  • ก้านวาล์วป้องกันการหลุด (Anti Blow-out Stem)

  • การเชื่อมต่อกับแอคชูเอเตอร์: ตามมาตรฐาน ISO 5211

  • มุมปิด >7°

คุณสมบัติเพิ่มเติมตามคำขอ (FEATURES ON REQUEST)

  • หน้าแปลนประเภทอื่น โปรดติดต่อฝ่ายขาย

  • ซีล: PTFE เสริมด้วยใยแก้ว (PTFE-GF), PTFE เสริมด้วยคาร์บอนกราไฟต์ (PTFE-CF)
    (วัสดุชนิดอื่น ๆ โปรดติดต่อฝ่ายขาย)

  • รุ่นทางเดียวพร้อมรูระบายแรงดันในลูกบอล

  • คันโยกสแตนเลส

  • น็อตและสปริงก้านวาล์วสแตนเลส

  • รุ่นที่ใช้วัสดุแตกต่างจากมาตรฐาน (ตัววาล์ว ลูกบอล ก้านวาล์ว) โปรดติดต่อฝ่ายขาย

  • มาร์กกิ้งและใบรับรอง ATEX มีให้ตามคำขอ

การรับรอง (CERTIFICATIONS)

  • สอดคล้องตามข้อกำหนดยุโรป 2014/68/EU PED

  • การรั่วไหล Fugitive Emission ISO 15848 (ISO FE BH-C03-SSA 0)

  • TA-LUFT VDI 2440

  • FIRE SAFE: ISO 10497 ฉบับที่ 3 ปี 2010 / API 607 ฉบับที่ 6 ปี 2010

  • ระดับความปลอดภัยเชิงฟังก์ชันสูงสุด SIL3 ตามมาตรฐาน IEC 61508

  • สอดคล้องตามข้อกำหนดยุโรป ATEX 2014/34/EU (ใบรับรอง ATEX มีให้ตามคำขอ)

มาตรฐานวิศวกรรม (ENGINEERING STANDARDS)

  • ความหนาของตัววาล์ว: ตามมาตรฐาน ASME B16.34, ASME VIII div.1, EN 12516

  • วัสดุและการจัดอันดับ: ตาม ASME B16.34 สำหรับวาล์ว ANSI และ EN 12516 สำหรับวาล์ว PN

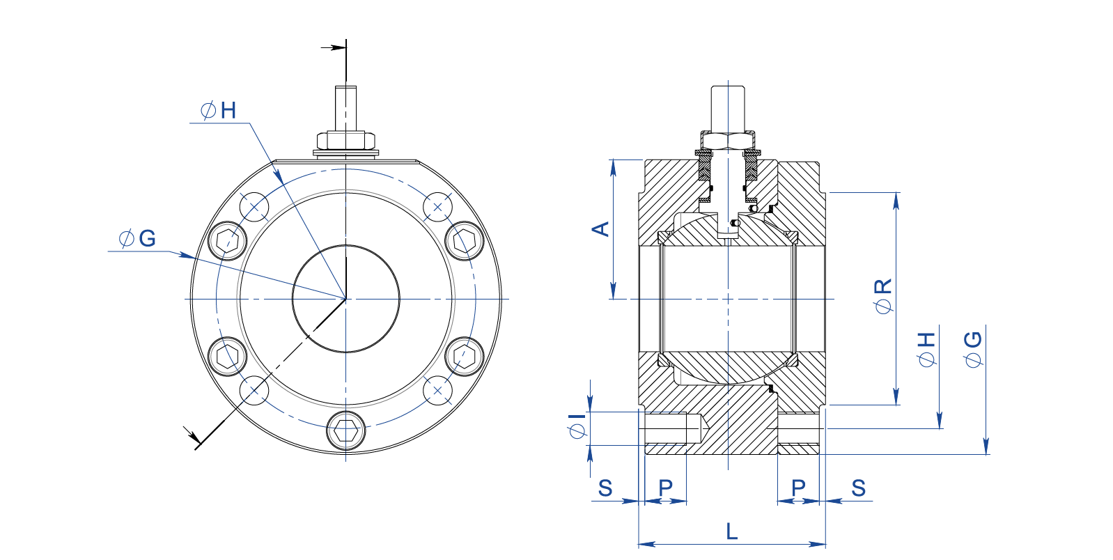
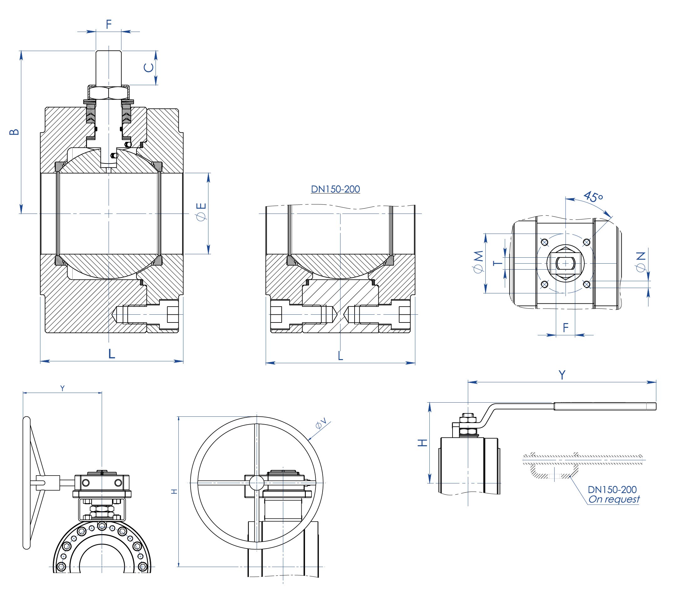
ขนาด
 ขนาด
∅E
L
B
C
แอคชูเอเตอร์ ISO
∅M
∅N
F/T
H
Y
V
ชุดคันโยก
DN [mm]
[inch]
DN 15
1/2"
13
53
52
10
F03
36
M5
10/6
71
140
---
KLV58004
DN 20
3/4"
19
53
55
10
F03
36
M5
10/6
73
140
---
KLV58004
DN 25
1"
25
58
68
15
F04
42
M5
12/8
87
150
---
KLV58006
DN 32
1" 1/4
32
65
73
15
F04
42
M5
12/8
91
150
---
KLV58006
DN 40
1" 1/2
38
79
93
21
F05
50
M6
16/10
108
275
---
KLV58008
DN 50
2"
51
90
102
21
F05
50
M6
16/10
118
275
---
KLV58008
DN 65
2" 1/2
64
107
130,5
28
F07
70
M8
22/14
143
350
---
KLV58010
DN 80
3"
76
120
137,5
28
F07
70
M8
22/14
150
350
---
KLV58010
DN 100
4"
102
167
172
35
F10
102
M10
30/18
198
450
---
KLV58012
DN 125
5"
118
180
182
35
F10
102
M10
30/18
208
450
---
KLV58012
DN 150 PN16-ANSI150 (*)
6"
152
240
227,5
40,5
F14
140
M16
45/30
522
326
400
---
DN 150 PN25-40 - ANSI300
6"
152
240
227,5
40,5
F14
140
M16
45/30
522
347,5
600
---
DN 200 PN16-PN25-ANSI150 (*)
8"
203
314
274
44,8
F14
140
M16
52/35
516
347
500
---
DN 200 PN40
8"
203
314
274
44,8
F14
140
M16
52/35
614
348
500
---

รุ่นมาตรฐานพร้อมเกียร์แมนนวลสำหรับ DN150 และ DN200
(*) รุ่นตามสั่งพร้อมคันโยกแมนนวล

ขนาด -PN-
ขนาด
PN
A
G
R
S
H
จำนวนรู
I
P
Kg
L
ชุดซีล
DN [mm]
[inch]
DN 15
1/2"
PN 16-40
32
90
45
2
65
4
M12
15
2,1
53
KGBV485040
DN 20
3/4"
PN 16-40
35
100
58
2
75
4
M12
14
2,4
53
KGBV485050
DN 25
1"
PN 16-40
42
110
68
2
85
4
M12
16
3,5
58
KGBV485060
DN 32
1" 1/4
PN 16-40
47
130
78
2
100
4
M16
20
5,2
65
KGBV485070
DN 40
1" 1/2
PN 16-40
58
140
88
3
110
4
M16
20
7,5
79
KGBV485080
DN 50
2"
PN 16-40
67
150
102
3
125
4
M16
20
9,7
90
KGBV485090
DN 65
2" 1/2
PN 16
83
178
122
3
145
4
M16
20
16,4
107
KGBV485100
DN 65
2" 1/2
PN 25-40
83
178
122
3
145
8
M16
20
16,1
107
KGBV485100
DN 80
3"
PN 16-40
90
190
138
3
160
8
M16
20
20,2
120
KGBV485110
DN 100
4"
PN 16
107
235
158
3
180
8
M16
20
40,4
167
KGBV485120
DN 100
4"
PN 25-40
107
235
162
3
190
8
M20
25
40,5
167
KGBV485120
DN 125
5"
PN 16
117
250
188
3
210
8
M16
25
48,2
180
KGBV485130
DN 125
5"
PN 25-40
125
270
188
3
220
8
M24
30
57,9
180
KGBV485130
DN 150(*)
6"
PN 16
154
332
212
3
240
8
M20
25
109,3
240
KGBV485140
DN 150
6"
PN 25-40
154
332
218
3
250
8
M24
24
111,5
240
KGBV48514D
DN 200(*)
8"
PN 16
188
396
268
3
295
12
M20
30
191,8
314
KGBV485150
DN 200(*)
8"
PN 25
188
396
278
3
310
12
M24
30
196,5
314
KGBV485150
DN 200
8"
PN 40
195
408
285
3
320
12
M27
30
220
314
KGBV48515D

ขนาด  -ANSI-
ขนาด 
ANSI
A
G
R
S
H
จำนวนรู
I
P
Kg
L
ชุดซีล
DN [mm]
[inch]
DN 15
1/2"
ANSI 150
32
90
35,11,6
60,5
4
1/2”UNC
16
2,1
53
KGBV485040
DN 15
1/2"
ANSI 300
34
90
35,11,6
66,5
4
1/2”UNC
16
2,1
53
KGBV485040
DN 20
3/4"
ANSI 150
35
100
42,9
1,6
69,8
4
1/2”UNC
16
2,5
53
KGBV485050
DN 20
3/4"
ANSI 300
40
110
42,9
1,6
82,6
4
5/8”UNC
16
3,1
53
KGBV485050
DN 25
1"
ANSI 150
42
110
50,8
1,6
79,2
4
1/2”UNC
16
3,4
58
KGBV485060
DN 25
1"
ANSI 300
45
118
50,8
1,6
88,9
4
5/8”UNC
20
3,8
58
KGBV485060
DN 32
1" 1/4
ANSI 150
47
130
63,5
1,6
89
4
1/2”UNC
20
5,2
65
KGBV485070
DN 32
1" 1/4
ANSI 300
47
130
63,5
1,6
98,6
4
5/8”UNC
20
5,2
65
KGBV485070
DN 40
1" 1/2
ANSI 150
58
140
73
1,6
98,6
4
1/2”UNC
20
7,5
79
KGBV485080
DN 40
1" 1/2
ANSI 300
58
150
73
1,6
114,3
4
3/4”UNC
22
8,6
79
KGBV485080
DN 50
2"
ANSI 150
67
150
91,91,6
120,6
4
5/8”UNC
20
9,7
90
KGBV485090
DN 50
2"
ANSI 300
73
160
91,91,6
127,0
8
5/8”UNC
20
11,2
90
KGBV485090
DN 65
2" 1/2
ANSI 150
83
178
104,6
1,6
139,7
4
5/8”UNC
20
16,5
107
KGBV485100
DN 65
2" 1/2
ANSI 300
89
190
104,6
1,6
149,4
8
3/4”UNC
25
18,7
107
KGBV485100
DN 80
3"
ANSI 150
90
190
127
1,6
152,4
4
5/8”UNC
20
20,7
120
KGBV485110
DN 80
3"
ANSI 300
96
205
127
1,6
168,1
8
3/4”UNC
25
24,0
120
KGBV485110
DN 100
4"
ANSI 150
107
235
157,2
1,6
190,5
8
5/8”UNC
20
40,7
167
KGBV485120
DN 100
4"
ANSI 300
115
250
157,2
1,6
200,2
8
3/4”UNC
25
48,2
167
KGBV485120
DN 125
5"
ANSI 150
117
250
185,7
1,6
215,9
8
3/4”UNC
30
48,3
180
KGBV485130
DN 150(*)
6"
ANSI 150
154
332
215,9
1,6
241,3
8
3/4”UNC
25
110,3
240
KGBV485140
DN 150
6"
ANSI 300
154
332
215,9
1,6
269,7
12
3/4"UNC
25
112
240
KGBV48514D
DN 200(*)
8"
ANSI 150
188
396
269,7
1,6
298,4
8
3/4”UNC
30
193,7
314
KGBV485150

รุ่นมาตรฐานพร้อมเกียร์แมนนวลสำหรับ DN150 และ DN200
(*) รุ่นสั่งทำพร้อมคันโยกแมนนวล

วัสดุ - SPLIT WAFER PN16-40 ANSI 150-300 – สแตนเลสสตีล
ลำดับ
คำอธิบาย
316 Stainless steel
1
ตัววาล์ว
ASTM A182 F316 / A479TP.316 (x) (1.4401 / X5CrNiMo17-12-2)
2
แหวนล็อก
3
บอล
ASTM A351 CF8M (1.4408/GX5CrNiMo19-12-2)
4
ก้านวาล์ว
A564 TP.630 (17-4PH)
5*
ที่นั่ง
ดัดแปร PTFE (.) (2)
6*
ปะเก็นตัววาล์ว–แหวนล็อก
GRAFOIL
7*
ซีลก้านวาล์วด้านล่าง
ดัดแปร PTFE (.)
8*
แหวนเชฟรอน
ดัดแปร PTFE (.)
9*
โอริงก้านวาล์ว
FKM (.)
10
แหวนอัดบรรจุ
304 S.S.
11
แผ่นน็อตหยุด
304 S.S.
12
น็อตก้านวาล์ว
เหล็กกล้าคาร์บอนชุบกัลวาไนซ์ (x)
13
แหวนรองสปริง
เหล็กกล้าคาร์บอนชุบกัลวาไนซ์ (xx)
14
อุปกรณ์ป้องกันไฟฟ้าสถิต
316 S.S.
15
น็อตล็อก
เหล็กกล้าคาร์บอนชุบกัลวาไนซ์ (x)
16
สกรูยึด
A2-70 (304 S.S.)
17
สกรูยึด
เหล็กกล้าคาร์บอนชุบกัลวาไนซ์ (x)
18
คันโยก
Fe37 ชุบกัลวาไนซ์ (x)
19
สกรูยึดตัววาล์ว–แหวนล็อก
A2.70 (304 S.S)
20
เกียร์บ็อกซ์
เหล็กหล่อ (ทาสี)
21
พวงมาลัยมือ
เหล็กกล้าคาร์บอนทาสี
* ชิ้นส่วนที่รวมอยู่ในชุดซีล

หมายเหตุ

(x): 304 สแตนเลส
(xx): 301 สแตนเลส
(2): DEVLON สำหรับ DN150 PN25-40 – ANSI300, DN200 PN40
(.): วัสดุชนิดอื่นมีให้เลือกตามคำขอ

แผนภูมิอุณหภูมิ/ความดันสำหรับวาล์วเหล็กคาร์บอน

แผนภูมิอุณหภูมิ/ความดันสำหรับวาล์วสแตนเลส

แผนภูมิการไหล/การสูญเสียความดันและสัมประสิทธิ์ Kv ชื่อค่า

Kv คือสัมประสิทธิ์ ซึ่งแสดงเป็น m³/h (กับน้ำที่ 15°C) ซึ่งทำให้เกิดการสูญเสียความดัน 1 bar

แรงบิดเริ่มเคลื่อนที่ (Breakaway Torque) เป็น Nm กับซีล TFM 1600 และของไหลที่ถูกน้ำป้องกัน (*)
ขนาด
DN 15
DN 20
DN 25
DN 32
DN 40
DN 50
DN 65
DN 80
DN 100
DN 125
DN 150
DN 200
0 bar












PN16 bar
8
13
18
27
37
61
80
120
220
270
450
850
PN25 bar
9,5
15
20
29
40
67
95
130
240
383


PN40 bar
11
17
21
31
41
75
110
165
290
510


ANSI 150-20 bar
9
14
19
28
38
65
90
128
225
360
480
910
ANSI 300-50 bar
12
19
21
32
42
80
120
170
300
570



(*) : หากของไหลไม่ได้รับการหล่อลื่น และ/หรือของไหลที่มีอนุภาคแข็งถูกขัดขวาง แรงบิดอาจสูงกว่าที่ระบุในตาราง

แรงบิดอาจเปลี่ยนแปลงตามอุณหภูมิและชนิดของของไหล ต้องใช้ค่าตัวคูณความปลอดภัย 1.4 แรงบิดอาจลดลงเมื่อมีการใช้งานบ่อย

การกำหนดขนาดของแอคชูเอเตอร์นิวเมติกพิจารณาจากแรงดันจ่ายขั้นต่ำ 5.6 barg

ก้านขยายแบบหล่อพร้อมคันโยก

    วัสดุ
หมายเลขชิ้นส่วน
 คำอธิบาย
วัสดุ
1
ขยาย
AISI304 S.S.
2
พิน
AISI 430 F
3
บุช
DELRIN
4
โอริง
NBR
5
คันโยก
Fe 37 ชุบสังกะสี (*)
6
น็อต
เหล็กคาร์บอนชุบสังกะสี (*)
7
ตัวยึดคันโยก
เหล็กคาร์บอนชุบสังกะสี (*)
8
สกรูตัวยึด
A2-70
9
สเปเซอร์
PTFE เติมคาร์บอน


(*) : สามารถสั่งทำได้ในวัสดุสแตนเลส AISI 304

ขนาด  
วาล์วมาตรฐาน ISO
ØA
ØB
ØM
ØN
F/T
X
Y
F03
36
5,5365,5
10/638,5141,5
F04
425,542M512/845,5151,5
F05
506,5506,516/1048,5276,5
F07
708,5708,522/1457,5351,5
F10
102111021130/1879,5451,5


หมายเหตุ: รหัสของก้านขยายขึ้นอยู่กับประเภทของไดรฟ์และการเชื่อมต่อของวาล์ว; ต้องแจ้งเมื่อสั่งซื้อ

ก้านขยายแบบหล่อสำหรับแอคชูเอเตอร์

 วัสดุ
หมายเลขชิ้นส่วน
 คำอธิบาย
วัสดุ
1
ขยาย
ASTM A351 CF8M
2
พิน
AISI 430 F
3
บุช
DELRIN
4
โอริง
NBR


หมายเหตุ: รหัสของก้านขยายขึ้นอยู่กับประเภทของไดรฟ์และการเชื่อมต่อของวาล์ว; ต้องแจ้งเมื่อสั่งซื้อ

ก้านขยายแบบเชื่อมพร้อมคันโยก

วัสดุ    
หมายเลขชิ้นส่วน
คำอธิบาย
วัสดุ
1
ขยาย
304 s.s.
2
พิน
AISI 430 F
3
บุช
DELRIN
4
โอริง
NBR
5
คันโยก
Fe 37 ชุบสังกะสี (*)
6
น็อต
เหล็กคาร์บอนชุบสังกะสี (*)
7
ตัวยึดคันโยก
เหล็กคาร์บอนชุบสังกะสี (*)
8
สกรูตัวยึด
A2-70
9
น็อตตัวยึด
A2-70 (**)
10
สเปเซอร์
PTFE เติมคาร์บอน


(*) : สามารถสั่งทำได้ในวัสดุสแตนเลส AISI 304
(**) : ไม่มีให้สำหรับวาล์วที่มีการเชื่อมต่อ ISO F04

ขนาด
วาล์วมาตรฐาน ISO
ØA
ØB
ØM
ØN
F/T
X
Y
F03
36
5,5365,510/638,5141,5
F04
425,542M512/845,5151,5
F05
506,5506,516/1048,5276,5
F07
70970922/1457,5351,5
F10
102111021130/1879,5451,5


หมายเหตุ: รหัสของก้านขยายขึ้นอยู่กับประเภทของไดรฟ์และการเชื่อมต่อของวาล์ว; ต้องแจ้งเมื่อสั่งซื้อ

ก้านขยายแบบเชื่อมสำหรับแอคชูเอเตอร์

วัสดุ    
หมายเลขชิ้นส่วน
คำอธิบาย
วัสดุ
1
ขยาย
304 S.S.
2
พิน
AISI 430 F
3
บุช
DELRIN
4
โอริง
NBR


หมายเหตุ: รหัสของก้านขยายขึ้นอยู่กับประเภทของไดรฟ์และการเชื่อมต่อของวาล์ว; ต้องแจ้งเมื่อสั่งซื้อ

ก้านขยายพร้อมซีลเสริม

 วัสดุ
หมายเลขชิ้นส่วน
 คำอธิบาย
 วัสดุ
1
ขยาย
304 s.s.
2
พิน
A564 TP.630 (17-4ph)
3
ซีลด้านล่าง
TFM1600
4
โอริง
FKM
5
แหวนเชฟรอน
TFM1600
6
แหวนอัดแพ็กกิ้ง
304 s.s.
7
สปริงวอชเชอร์
50CrV4 ชุบสังกะสี
8
น็อตก้านวาล์ว
UNI 3740-1 6S ชุบสังกะสี
9
แผ่นน็อตล็อก
304 s.s.
10
ปะเก็น
GRAFOIL


ขนาด
วาล์วมาตรฐาน ISO
ØA
ØB
ØM
ØN
F/T
CD
F03
36
5,5
36M510/6
2010,2
F04
42
5,5
42M512/8
2615,1
F05
50
6,550M616/10
3521,2
F07
70
8,570M822/14
47,528,4
F10
102
10,5102M1030/18
6135,2

หมายเหตุ: รหัสของก้านขยายขึ้นอยู่กับประเภทของไดรฟ์และการเชื่อมต่อของวาล์ว; ต้องแจ้งเมื่อสั่งซื้อ

กำหนดค่า ไดรฟ์
เลือกมาตรฐานการค้นหา
ค้นหารายการ
ปิด X

กิจกรรมถัดไป

Hyvolution 2026
Hyvolution 2026
Paris, France - 27-29 january 2026