images/testate/Template-Header-Sito-OMALBALLVALVES.jpg

วาล์วบอล MAGNUM แบบ Split Wafer PN 63-100 ANSI 600 ทำจากเหล็กกล้าคาร์บอน

วาล์วบอล MAGNUM แบบ Split Wafer PN 63-100 ANSI 600 ทำจากเหล็กกล้าคาร์บอน
มาโคร วาล์วบอล
หมวดหมู่ MAGNUM (แม็กนัม)

ครอบครัว MAGNUM Split Wafer PN 63-100 ANSI 600 (แม็กนัม สปลิต เวเฟอร์ พีเอ็น 63-100 แอนซี 600)

กำหนดค่า ระบบขับเคลื่อน
ขอข้อมูล
พิมพ์หน้าเว็บ
ถอดรหัส
  • ประโยชน์
  • คุณลักษณะ
  • มิติ
  • วัสดุ
  • แผนภาพและแรงบิดเริ่มต้น
  • อุปกรณ์เสริม
  • เอกสาร

1. อุปกรณ์ป้องกันไฟฟ้าสถิต (การนำไฟฟ้าต่อเนื่องระหว่างลูกบอล, ก้าน และตัววาล์ว)
หลีกเลี่ยงการเกิดประจุไฟฟ้าสถิตที่อาจทำให้เกิดการจุดติดในสภาพแวดล้อมที่ติดไฟและ/หรือระเบิดได้
รับประกันความปลอดภัยของการสัมผัสตลอดอายุการใช้งานของวาล์ว

2. แหวนป้องกันการเสียดสีคู่
ช่วยลดแรงบิดที่ใช้ในการขับเคลื่อนวาล์ว
ลดการสึกหรอกว่าการใช้แหวนเพียงวงเดียว

3. ชุดซีลแบบ "V" พร้อมซีล 3 ชิ้นและโอริง
รับประกันการซีลที่สมบูรณ์แม้หลังจากการใช้งานหลายรอบ

4. สปริงดิสก์บนซีลก้านวาล์ว
ชดเชยระยะเล่นจากการสึกหรอที่เกิดจากการหมุนกึ่งรอบของก้านเพื่อป้องกันการรั่วไหลออกภายนอก
ช่วยคงแรงกดบนซีลแบบเชฟรอน (V) ป้องกันการรั่วไหล แม้ในสภาวะอุณหภูมิเปลี่ยนแปลงมาก

5. ซีลกราไฟต์แบบยืดหยุ่น
รับประกันการซีลภายนอกโดยไม่ขึ้นกับการเปลี่ยนแปลงอุณหภูมิที่วาล์วต้องเผชิญ

ความแม่นยำสูงขึ้นในการจัดแนวเพลา เนื่องจากการกลึงจากชิ้นงานดิบจนสำเร็จเสร็จสิ้นในตำแหน่งเดียว
อายุการใช้งานของวาล์วนานขึ้น
แรงบิดในการขับเคลื่อนน้อยลง

ตัววาล์วทำจากเหล็กคาร์บอน ที่ผ่านการทำมาตรฐาน NACE แบบมาตรฐาน
รับประกันความต้านทานการกัดกร่อนที่สูงขึ้น
เพิ่มความเหนียวและความยืดหยุ่นของวัสดุ

กระบวนการผลิตทั้งหมดดำเนินการภายใน OMAL
การควบคุมสูงสุดในทุกขั้นตอนการผลิต
สามารถจัดหาผลิตภัณฑ์พิเศษตามความต้องการของลูกค้าได้อย่างรวดเร็ว

ใบรับรอง "Fire Safe"
รับประกันการซีลของวาล์วแม้ในกรณีเกิดเพลิงไหม้

ใบรับรอง ATEX
อนุญาตให้ติดตั้งในสภาพแวดล้อมที่มีความเสี่ยงการระเบิด

ใบรับรอง "TA LUFT fugitive emission"
รับประกันความปลอดภัยสูงในการซีลของก้านวาล์วต่อภายนอก

ใบรับรอง PED
สอดคล้องอย่างสมบูรณ์กับมาตรฐานความปลอดภัยของยุโรปสำหรับอุปกรณ์ที่ทำงานภายใต้ความดัน

ใบรับรอง SIL 3
ระดับความปลอดภัยการทำงานสูง

คุณสมบัติมาตรฐาน (STANDARD FEATURES)

  • ไม่มีลูกบอลลอยยื่นออกมา, แบบ full bore

  • ซีลเบาะนั่งแบบอ่อน (Soft-seat seal): DEVLON

  • มาตรฐานหน้าแปลนเชื่อมต่อ: EN 1092-1; ASME B16.5

  • อุณหภูมิการทำงาน ดูแผนภาพอุณหภูมิ-ความดัน

  • ระดับความดัน: PN 63-100; ANSI 600

  • ระดับความแน่นสนิท: EN12266-1 ระดับ A

  • ของไหลที่ควบคุมได้: ผลิตภัณฑ์ปิโตรเลียม, สารหล่อลื่นในตัว (ของเหลวและก๊าซ) ที่เข้ากันได้กับ วัสดุ ของการก่อสร้าง หากเป็นของไหลที่ไม่ใช่สารหล่อลื่นในตัว (เช่น น้ำ, …) หรือการใช้งานอื่น ๆ กรุณาติดต่อฝ่ายขาย

  • อุปกรณ์ป้องกันไฟฟ้าสถิต: EN12266-2

  • ซีลก้านวาล์ว: Modified PTFE V-pack

  • ซีลเสริมบนก้านวาล์วด้วยโอริง FKM

  • ก้านวาล์วป้องกันการหลุด (Anti Blow-out stem)

  • การเชื่อมต่อกับ ตัวกระตุ้น ตามมาตรฐาน ISO 5211

  • มุมปิด >7°

  • การเคลือบผิว: การทำสีน้ำเงิน (blueing)

คุณสมบัติพิเศษตามคำขอ (FEATURES ON REQUEST)

  • เหล็กกล้าคาร์บอน LF2 สำหรับการทำงานที่อุณหภูมิต่ำ (-40 °C)

  • สำหรับหน้าแปลนชนิดอื่น กรุณาติดต่อฝ่ายขาย

  • ซีล: PTFE เสริมใยแก้ว (PTFE-GF), PTFE เสริมคาร์บอนกราไฟท์ (PTFE-CF) สำหรับ วัสดุ ประเภทอื่น กรุณาติดต่อฝ่ายขาย

  • รุ่นทางเดียว (Mono-directional) พร้อมรูระบายแรงดันในลูกบอล

  • คันโยกสแตนเลส

  • สำหรับรุ่นที่ใช้ วัสดุ แตกต่างจากมาตรฐาน (ตัวเรือน, ลูกบอล, ก้านวาล์ว) กรุณาติดต่อฝ่ายขาย

  • น็อตและสปริงก้านวาล์วสแตนเลส

  • การเคลือบผิว: สังกะสีขาว, การเคลือบอีพ็อกซี่

  • สำหรับการเคลือบชนิดอื่น กรุณาติดต่อฝ่ายขาย

  • การทำเครื่องหมายและใบรับรอง ATEX ตามคำขอ

การรับรอง (CERTIFICATIONS)

  • เป็นไปตามข้อกำหนดสหภาพยุโรป Directive 2014/68/EU PED; Fugitive Emission ISO 15848 (ISO FE BH-C03-SSA 0); TA-LUFT VDI 2440; ISO 10497 ฉบับที่ 3 ปี 2010 / API 607 ฉบับที่ 6 ปี 2010

  • ระดับความปลอดภัย (Safety integrity level) ได้ถึง SIL3 ตามมาตรฐาน IEC 61508

  • เป็นไปตามข้อกำหนดสหภาพยุโรป ATEX 2014/34/EU, ใบรับรอง ATEX ตามคำขอ

มาตรฐานทางวิศวกรรม (ENGINEERING STANDARD)

  • ความหนาตัวเรือนเป็นไปตามมาตรฐาน: ASME B16.34, ASME VIII div.1, EN 12516

  • วัสดุ และค่าการรับแรงดันเป็นไปตามมาตรฐาน ASME B16.34 สำหรับวาล์ว ANSI และ EN 12516 สำหรับวาล์ว PN

ขนาด   
ขนาด  
E
L
B
C
แอคชูเอเตอร์ ISO
M
N
F/T
H
Y
ชุดคันโยก
DN [mm]
[inch]
DN 15
1/2"
13
68
54,5
95
F04
42
M5
12/8
80
150
KLV58006
DN 20
3/4"
19
72
57,5
95
F04
42
M5
12/8
83
150
KLV58006
DN 25
1"
25
87
71,5
14,6
F05
50
M6
16/10
95
275
KLV58008
DN 32
1" 1/4
32
92
76,5
14,6
F05
50
M6
16/10
100
275
KLV58008
DN 40
1" 1/2
38
107
98,5
20,4
F07
70
M8
22/14
120
350
KLV58010
DN 50
2"
51
115
107,5
20,4
F07
70
M8
22/14
129
350
KLV58010
DN 65
2" 1/2
64
140
144
25,1
F10
102
M10
30/18
180
450
KLV58012
DN 80
3"
76
150
151,5
25,1
F10
102
M10
30/18
188
450
KLV58012
DN 100
4"
102
190
196,5
40,5
F14
140
M16
45/30
233
800
KLV58014

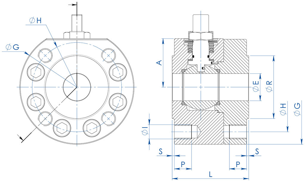
ขนาด -PN-
ขนาด
PN
A
G
R
S
H
จำนวนรู
I
P
Kg
L
ชุดซีล
DN [mm]
[inch]
DN 15
1/2"
PN 63-100
40
95
45
2
75
4
M12
16
4,2
68
KGBV472040
DN 20
3/4"
PN 63-100
45
115
58
2
90
4
M16
20
6,7
72
KGBV472050
DN 25
1"
PN 63-100
50
125
68
2
100
4
M16
20
6,9
87
KGBV472060
DN 32
1" 1/4
PN 63-100
55
145
78
2
110
4
M20
24
9,3
92
KGBV472070
DN 40
1" 1/2
PN 63-100
68
160
88
3
125
4
M20
24
13,5
107
KGBV472080
DN 50
2"
PN 63
79
170
102
3
135
4
M20
24
16,5
115
KGBV472090
DN 50
2"
PN 100
79
185
102
3
145
4
M24
28
19,5
115
KGBV472090
DN 65
2" 1/2
PN 63
94
208
122
3
160
8
M20
25
29,5
140
KGBV472100
DN 65
2" 1/2
PN 100
101
220
122
3
170
8
M24
30
33,2
140
KGBV472100
DN 80
3"
PN 63
101,5
220
138
3
170
8
M20
25
34,9
150
KGBV472110
DN 80
3"
PN 100
108,5
235
138
3
180
8
M24
30
40,3
150
KGBV472110
DN 100
4"
PN 63
123
275
162
3
200
8
M24
30
67,5
190
KGBV472120
DN 100
4"
PN 100
123
275
162
3
210
8
M27
32
67,2
190
KGBV472120

ขนาด  -ANSI-
ขนาด 
ANSI
A
G
R
S
H
จำนวนรู
I
P
Kg
L
ชุดซีล
DN [mm]
[inch]
DN 15
1/2"
ANSI 600
40
95
35,16,4
66,5
4
1/2”UNC
16
4,1
68
KGBV472040
DN 20
3/4"
ANSI 600
45
115
42,9
6,4
82,6
4
5/8”UNC
20
4,4
72
KGBV472050
DN 25
1"
ANSI 600
50
125
50,8
6,4
88,9
4
5/8”UNC
20
6,3
87
KGBV472060
DN 32
1" 1/4
ANSI 600
55
135
63,5
6,4
98,6
4
5/8”UNC
20
7,6
92
KGBV472070
DN 40
1" 1/2
ANSI 600
68
155
73
6,4
114,3
4
3/4”UNC
24
11,2
107
KGBV472080
DN 50
2"
ANSI 600
79
170
91,96,4
127
8
5/8”UNC
20
15,5
115
KGBV472090
DN 65
2" 1/2
ANSI 600
94
208
104,6
6,4
149,4
8
3/4”UNC
25
28,3
140
KGBV472100
DN 80
3"
ANSI 600
101,5
220
127
6,4
168,1
8
3/4”UNC
25
33,8
150
KGBV472110
DN 100
4"
ANSI 600
126
279
157,2
6,4
215,9
8
7/8”UNC
30
68,2
190
KGBV472120

วัสดุ
SPLIT WAFER PN63-100 ANSI 600 เหล็กกล้าคาร์บอน
ลำดับคำอธิบายA105 เหล็กกล้าคาร์บอนA350 LF2 เหล็กกล้าคาร์บอน
1ตัวเรือน (Body)ASTM A105ASTM A350 LF2
2น็อตวงแหวน (Ring nut)
3ลูกบอล (Ball)ASTM A351 CF8(*) (1.4308/Gx5CrNi19-10) (**)
4ก้านวาล์ว (Stem)A564 TP.630 (17-4PH)
5*เบาะนั่ง (Seat)DEVLON (.)
6*ปะเก็นตัวเรือน-น็อตวงแหวนGRAFOIL
7*ซีลก้านวาล์วด้านล่างPTFE Modified (.) •
8*แหวนเชฟรอนPTFE Modified (.)
9*โอริงก้านวาล์วFKM (.)
10แหวนยึดแพ็คกิ้งเหล็กกล้าคาร์บอนชุบสังกะสี (x) (1)
11แผ่นน็อตล็อค304 สแตนเลส
12น็อตก้านวาล์วเหล็กกล้าคาร์บอนชุบสังกะสี (x) (x)
13แหวนสปริงเหล็กกล้าคาร์บอนชุบสังกะสี (x) (xx)
14อุปกรณ์ป้องกันไฟฟ้าสถิต316 สแตนเลส
19สกรูตัวเรือน-น็อตวงแหวนA2.70 (304 สแตนเลส)
15น็อตล็อคเหล็กกล้าคาร์บอนชุบสังกะสี (x)
16สกรูยึดA2-70 (304 สแตนเลส)
17สกรูยึดเหล็กกล้าคาร์บอนชุบสังกะสี (x)
18คันโยกFe37 ชุบสังกะสี (x)
* ส่วนประกอบของชุดซีล

มีให้ตามคำขอ:
(*): A351 CF8M
(**): สำหรับ ≤DN32 มีเฉพาะรุ่น CF8M
(x): 304 สแตนเลส
(xx): 301 สแตนเลส
• : สำหรับ ≤DN32 มีเฉพาะรุ่น DEVLON
(1): DN100 มีเฉพาะรุ่น 304
(.): วัสดุอื่น ๆ มีให้ตามคำขอ

แผนภูมิอุณหภูมิ/ความดันสำหรับวาล์วเหล็กคาร์บอน

แผนภูมิอุณหภูมิ/ความดันสำหรับวาล์วสแตนเลส

แผนภูมิการไหล/การสูญเสียความดันและสัมประสิทธิ์ Kv ชื่อค่า

Kv คือสัมประสิทธิ์ ซึ่งแสดงเป็น m³/h (กับน้ำที่ 15°C) ซึ่งทำให้เกิดการสูญเสียความดัน 1 bar

การกำหนดขนาดของแอคชูเอเตอร์นิวเมติกพิจารณาจากแรงดันจ่ายขั้นต่ำ 5.6 barg

ก้านขยายแบบหล่อพร้อมคันโยก

    วัสดุ
หมายเลขชิ้นส่วน
 คำอธิบาย
วัสดุ
1
ขยาย
AISI304 S.S.
2
พิน
AISI 430 F
3
บุช
DELRIN
4
โอริง
NBR
5
คันโยก
Fe 37 ชุบสังกะสี (*)
6
น็อต
เหล็กคาร์บอนชุบสังกะสี (*)
7
ตัวยึดคันโยก
เหล็กคาร์บอนชุบสังกะสี (*)
8
สกรูตัวยึด
A2-70
9
สเปเซอร์
PTFE เติมคาร์บอน


(*) : สามารถสั่งทำได้ในวัสดุสแตนเลส AISI 304

ขนาด  
วาล์วมาตรฐาน ISO
ØA
ØB
ØM
ØN
F/T
X
Y
F03
36
5,5365,5
10/638,5141,5
F04
425,542M512/845,5151,5
F05
506,5506,516/1048,5276,5
F07
708,5708,522/1457,5351,5
F10
102111021130/1879,5451,5


หมายเหตุ: รหัสของก้านขยายขึ้นอยู่กับประเภทของไดรฟ์และการเชื่อมต่อของวาล์ว; ต้องแจ้งเมื่อสั่งซื้อ

ก้านขยายแบบหล่อสำหรับแอคชูเอเตอร์

 วัสดุ
หมายเลขชิ้นส่วน
 คำอธิบาย
วัสดุ
1
ขยาย
ASTM A351 CF8M
2
พิน
AISI 430 F
3
บุช
DELRIN
4
โอริง
NBR


หมายเหตุ: รหัสของก้านขยายขึ้นอยู่กับประเภทของไดรฟ์และการเชื่อมต่อของวาล์ว; ต้องแจ้งเมื่อสั่งซื้อ

ก้านขยายแบบเชื่อมพร้อมคันโยก

วัสดุ    
หมายเลขชิ้นส่วน
คำอธิบาย
วัสดุ
1
ขยาย
304 s.s.
2
พิน
AISI 430 F
3
บุช
DELRIN
4
โอริง
NBR
5
คันโยก
Fe 37 ชุบสังกะสี (*)
6
น็อต
เหล็กคาร์บอนชุบสังกะสี (*)
7
ตัวยึดคันโยก
เหล็กคาร์บอนชุบสังกะสี (*)
8
สกรูตัวยึด
A2-70
9
น็อตตัวยึด
A2-70 (**)
10
สเปเซอร์
PTFE เติมคาร์บอน


(*) : สามารถสั่งทำได้ในวัสดุสแตนเลส AISI 304
(**) : ไม่มีให้สำหรับวาล์วที่มีการเชื่อมต่อ ISO F04

ขนาด
วาล์วมาตรฐาน ISO
ØA
ØB
ØM
ØN
F/T
X
Y
F03
36
5,5365,510/638,5141,5
F04
425,542M512/845,5151,5
F05
506,5506,516/1048,5276,5
F07
70970922/1457,5351,5
F10
102111021130/1879,5451,5


หมายเหตุ: รหัสของก้านขยายขึ้นอยู่กับประเภทของไดรฟ์และการเชื่อมต่อของวาล์ว; ต้องแจ้งเมื่อสั่งซื้อ

ก้านขยายแบบเชื่อมสำหรับแอคชูเอเตอร์

วัสดุ    
หมายเลขชิ้นส่วน
คำอธิบาย
วัสดุ
1
ขยาย
304 S.S.
2
พิน
AISI 430 F
3
บุช
DELRIN
4
โอริง
NBR


หมายเหตุ: รหัสของก้านขยายขึ้นอยู่กับประเภทของไดรฟ์และการเชื่อมต่อของวาล์ว; ต้องแจ้งเมื่อสั่งซื้อ

ก้านขยายพร้อมซีลเสริม

 วัสดุ
หมายเลขชิ้นส่วน
 คำอธิบาย
 วัสดุ
1
ขยาย
304 s.s.
2
พิน
A564 TP.630 (17-4ph)
3
ซีลด้านล่าง
TFM1600
4
โอริง
FKM
5
แหวนเชฟรอน
TFM1600
6
แหวนอัดแพ็กกิ้ง
304 s.s.
7
สปริงวอชเชอร์
50CrV4 ชุบสังกะสี
8
น็อตก้านวาล์ว
UNI 3740-1 6S ชุบสังกะสี
9
แผ่นน็อตล็อก
304 s.s.
10
ปะเก็น
GRAFOIL


ขนาด
วาล์วมาตรฐาน ISO
ØA
ØB
ØM
ØN
F/T
CD
F03
36
5,5
36M510/6
2010,2
F04
42
5,5
42M512/8
2615,1
F05
50
6,550M616/10
3521,2
F07
70
8,570M822/14
47,528,4
F10
102
10,5102M1030/18
6135,2

หมายเหตุ: รหัสของก้านขยายขึ้นอยู่กับประเภทของไดรฟ์และการเชื่อมต่อของวาล์ว; ต้องแจ้งเมื่อสั่งซื้อ

กำหนดค่า ไดรฟ์
เลือกมาตรฐานการค้นหา
ค้นหารายการ
ปิด X

กิจกรรมถัดไป

Asia Water 2026
Asia Water 2026
Kuala Lumpur, 7-9 April 2026