images/testate/Template-Header-Sito-OMALBALLVALVES.jpg

วาล์วบอลทองเหลือง รุ่น 153

วาล์วบอลทองเหลือง รุ่น 153
มาโคร วาล์วบอล

วาล์วบอลทองเหลือง 3 ทาง แบบรูเต็ม เกลียวปลาย “L” Port

กำหนดค่า ระบบขับเคลื่อน
ขอข้อมูล
พิมพ์หน้าเว็บ
  • คุณลักษณะ
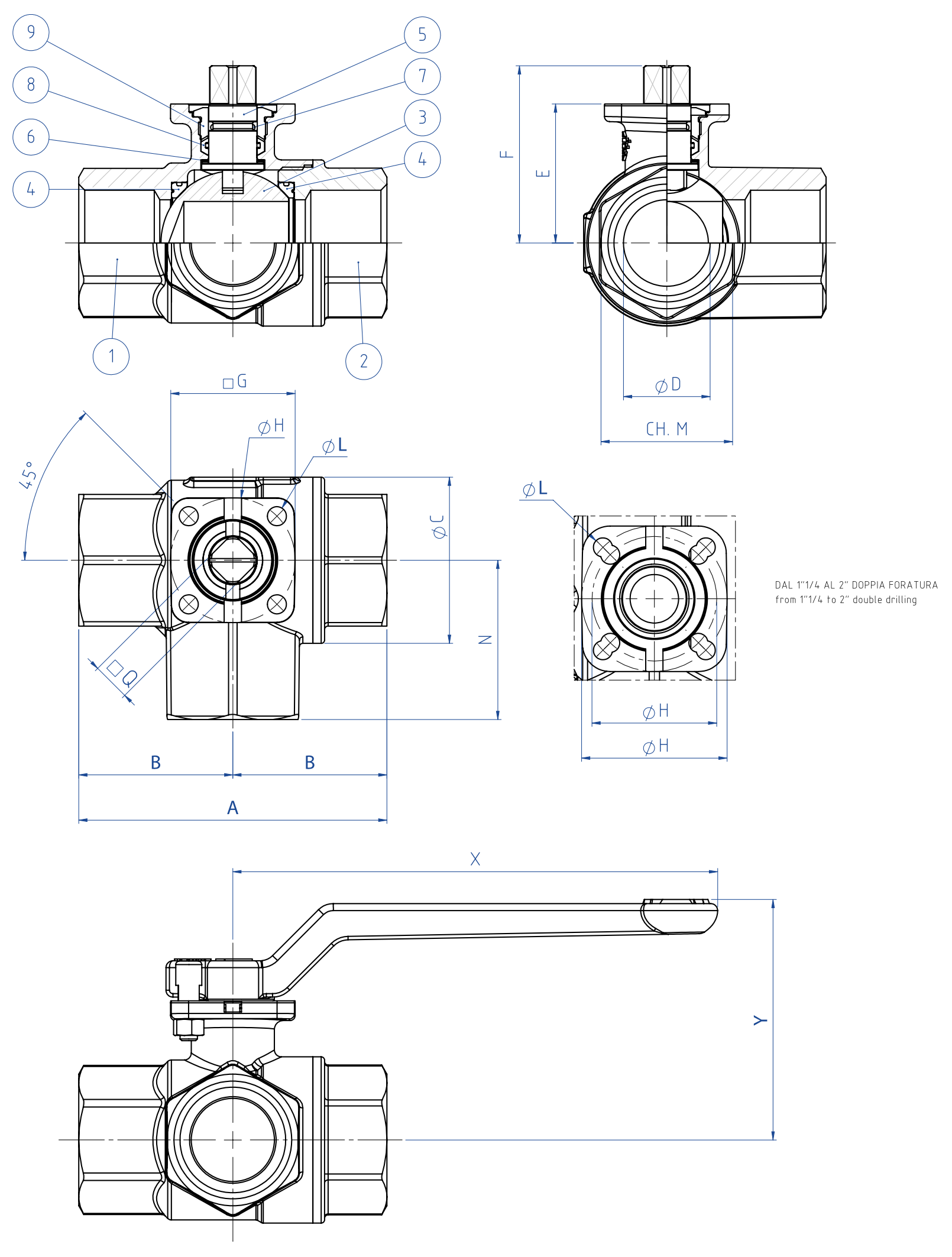
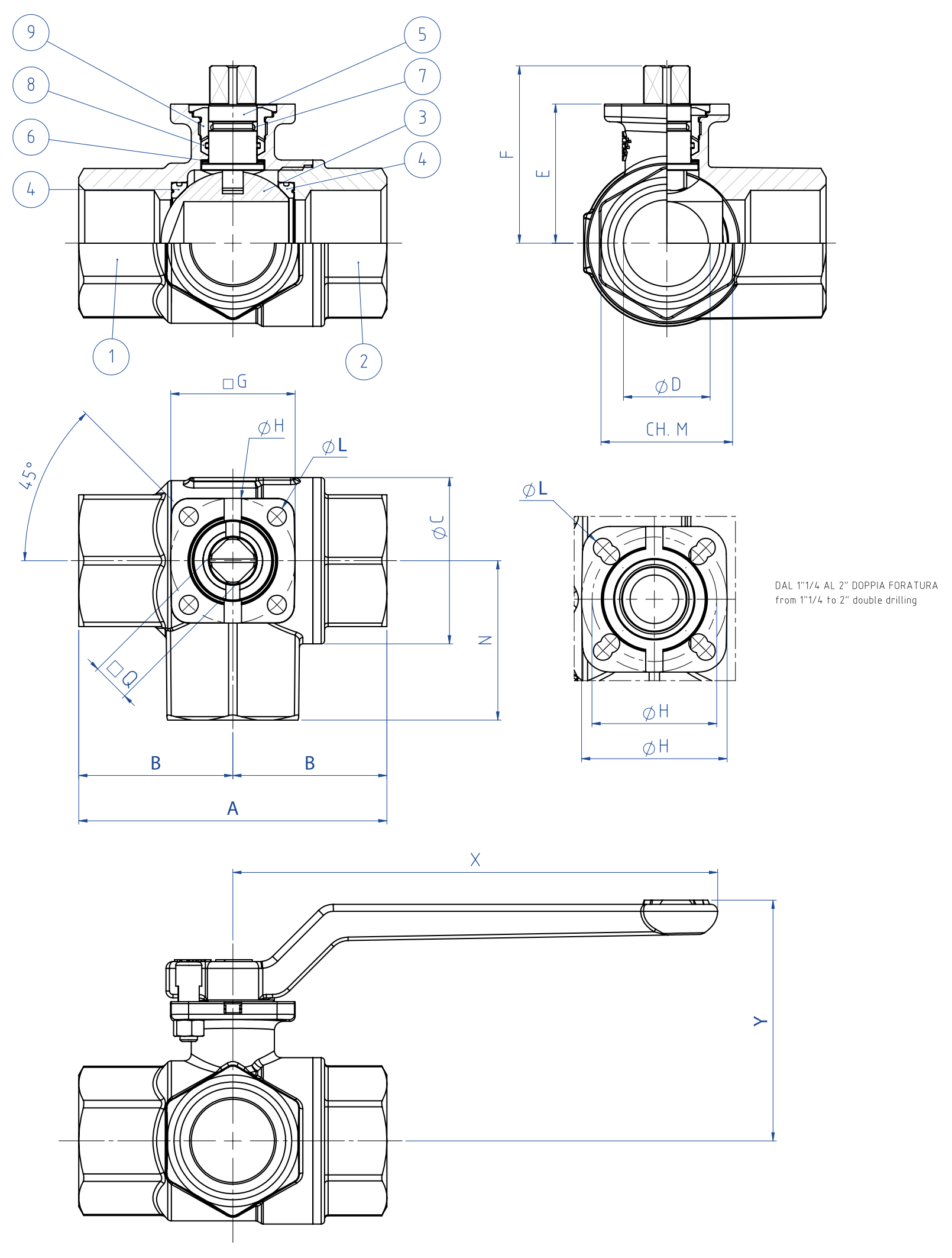
  • ขนาด
  • วัสดุ
  • แผนภาพและแรงบิดเริ่มต้น
  • ข้อมูลจำเพาะ
  • เอกสาร

คุณลักษณะทั่วไป:
• เหมาะสำหรับแรงดันปานกลางกับของไหลที่ไม่กัดกร่อน สามารถใช้งานเป็นวาล์วเปลี่ยนทิศทาง (diverter) ได้ โดยช่องทางเข้าจะต้องมาจากทางเข้ากลางเท่านั้น ดูแผนภาพประกอบ
• อุณหภูมิการทำงาน: -20°C ถึง +120°C
• ความดันการทำงาน: สูงสุด 16 บาร์ ดูแผนภาพ
• ของไหลที่ใช้ได้: อากาศ น้ำ น้ำมัน ก๊าซ ผลิตภัณฑ์ปิโตรเลียมและปิโตรเคมี
• เกลียวปลายตามมาตรฐาน ISO 7/1 และ NPT
• หน้าแปลนเชื่อมต่อกับเพลาขับมาตรฐาน ISO 5211

ตามคำขอ:
• สำหรับการใช้งานอื่น ๆ กรุณาติดต่อฝ่ายการขายของเรา

การรับรอง:
• สอดคล้องตามข้อกำหนด PED 2014/68/EU
• รุ่น ATEX สอดคล้องตามข้อกำหนด 2014/34/EU มีให้ตามคำขอ

ขนาด  
ขนาด 
øD
A
B
øc
N
□Q
E
F
□G
øH
ISO
øL
ch.M
X
Y
DN [mm]
[inch]
ISO 7/1
NPT
ISO 7/1
NPT
DN 10
3/8"
106962333131,833930,538,43636F035,52514058,5
DN 15
1/2"
156962333131,833930,538,43636F035,525140
58,5
DN 20
3/4"
207768383440381136,347,13636F035,531140
64,5
DN 25
1"
258979,54639,848461140,250,93636F035,538140
68,5
DN 32
1" 1/4
3210392544660541151,562,54236/42F03/F045,547140
80
DN 40
1" 1/2
40114102615170,6611158694236/42F03/F045,554140
86
DN 50
2"
50134116735886,5731165,376,34642/50F04/F055,5/6,566140
93,5

วัสดุ
1
ตัวเรือน*ทองเหลืองEN 12165 CW617N
2
เกลียวปลาย*ทองเหลืองEN 12165 CW617N
3
ลูกบอลทองเหลือง ชุบโครเมียมEN 12164 CW614N
4
ซีลP.T.F.E.
5
เพลาทองเหลืองEN 12164 CW614N
6
แหวนกันเสียดทานP.T.F.E.
7
โอริงFKM
8
ซีลเพลาP.T.F.E.
9
น็อตกดเพลา*ทองเหลืองEN 12164 CW614N
*การเคลือบผิว: ชุบนิกเกิลเงา

แผนภาพความดัน/อุณหภูมิ

แผนภาพการไหล/การสูญเสียความดัน และค่าสัมประสิทธิ์ Kv ที่กำหนด

Kv คือค่าสัมประสิทธิ์ แสดงเป็น m³/h (โดยใช้น้ำที่อุณหภูมิ 15°C) ซึ่งทำให้เกิดการสูญเสียความดัน 1 บาร์

แรงบิดเริ่มต้น (Nm)
ขนาด
DN 10
3/8"
DN 15
1/2"
DN 20
3/4"
DN 25
1"
DN 32
1"1/4
DN 40
1"1/2
DN 50
2"
PN 16 bar4458111623


แรงบิดอาจเปลี่ยนแปลงได้ขึ้นอยู่กับอุณหภูมิและชนิดของของไหล ต้องใช้ค่าสัมประสิทธิ์ความปลอดภัย 1.4 แรงบิดอาจลดลงเมื่อมีการใช้งานบ่อยครั้ง การเลือกขนาดแอคชูเอเตอร์/วาล์วที่แสดงในหน้าถัดไปอ้างอิงจากการใช้งานวาล์วกับของไหลเหลวหรือก๊าซ ที่สะอาด และที่อุณหภูมิปานกลาง สำหรับข้อมูลเพิ่มเติมหรือการใช้งานที่แตกต่าง กรุณาติดต่อฝ่ายเทคนิคของเรา

แผนผังสำหรับ "L"

หมายเหตุ:
“A” ต้องเป็นตำแหน่งพักของลูกบอลเมื่อใช้งานร่วมกับแอคชูเอเตอร์ SR FAIL CLOSE
“B” ต้องเป็นตำแหน่งพักของลูกบอลเมื่อใช้งานร่วมกับแอคชูเอเตอร์ SR FAIL OPEN

มุมมองจากด้านบน

 ใบรับรอง

 คำแนะนำ

กำหนดค่า ไดรฟ์
เลือกมาตรฐานการค้นหา
ค้นหารายการ
ปิด X

กิจกรรมถัดไป

Asia Water 2026
Asia Water 2026
Kuala Lumpur, 7-9 April 2026