images/testate/Template-Header-Sito-OMALBALLVALVES.jpg

วาล์วบอลเหล็กหล่อ รุ่น 216

วาล์วบอลเหล็กหล่อ รุ่น 216
มาโคร วาล์วบอล

วาล์วบอลเหล็กหล่อ 2 ทาง แบบรูเต็ม หน้าแปลน

กำหนดค่า ระบบขับเคลื่อน
ขอข้อมูล
พิมพ์หน้าเว็บ
  • คุณลักษณะ
  • ขนาด
  • วัสดุ
  • แผนภาพและแรงบิดเริ่มต้น

คุณลักษณะทั่วไป:
• หน้าแปลน: EN 1092/2 PN16
• มาตรวัดตาม EN558/1 (ISO 5752)
• อุณหภูมิการทำงาน: -10°C ถึง +70°C
• ความดันการทำงาน: สูงสุด 16 บาร์ (10 บาร์สำหรับการใช้งานที่ปลายไลน์) ดูแผนภาพ
• ของไหลที่ใช้ได้: ก๊าซ ก๊าซเหลว และเชื้อเพลิงก๊าซ ตามมาตรฐาน UNI-CIG 7129 และ DIN-DVGW G 260/I สำหรับก๊าซ

ตามคำขอ:
• PN 6 - PN 10
• สำหรับการใช้งานอื่น ๆ กรุณาติดต่อฝ่ายการขายของเรา

การรับรอง:
• ได้รับการอนุมัติ DIN-DVGW สำหรับก๊าซเชื้อเพลิง ตามตาราง G260

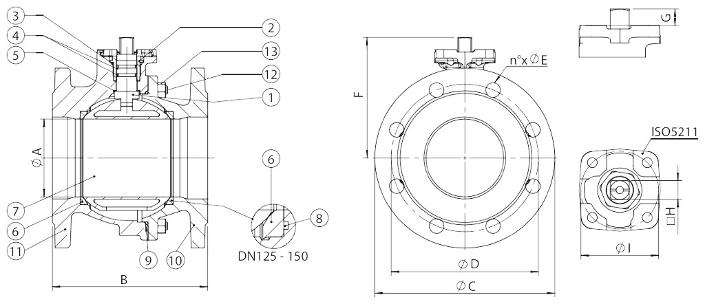
  ขนาด
  ขนาด
øA
B
øC
øD
øE
F
G
□H
øI
DN [mm]
[inch]
DN 50
2"
50
150
165
125
4x18
100,5
13,5
14
50
DN 65
2" 12
63
170
185
145
4x18
108,5
13,5
14
50
DN 80
3"
76
180
200
160
8x18
133
15
17
70
DN 100
4"
95
190
220
180
8x18
147,5
15
17
70
DN 125
5"
120
200
250
210
8x18
186
21
22
102
DN 150
6"
145
210
285
240
8x22
203,5
21
22
102

 วัสดุ
1เพลาทองเหลือง ชุบโครเมียมCuZn40Pb2
2น็อตล็อกเพลาทองเหลือง ชุบโครเมียมCuZn40Pb2
3โอริงด้านบนNBR
4โอริงเพลาNBR
5แหวนสไลด์P.T.F.E.
6ซีลP.T.F.E.
7ลูกบอลทองเหลืองCuZn40Pb2
8โอริงNBR
9โอริงตัวเรือนNBR
10หน้าแปลนเหล็กดัดEN GJS 400-15
11ตัวเรือนเหล็กดัดEN GJS 400-15
12แกนยึดเหล็กกล้าคาร์บอน ชุบสังกะสี
13น็อตล็อกเหล็กกล้าคาร์บอน ชุบสังกะสี

แผนภาพความดัน/อุณหภูมิ

แผนภาพการไหล/การสูญเสียความดัน และค่าสัมประสิทธิ์ Kv ที่กำหนด

Kv คือค่าสัมประสิทธิ์ แสดงเป็น m³/h (โดยใช้น้ำที่อุณหภูมิ 15°C) ซึ่งทำให้เกิดการสูญเสียความดัน 1 บาร์

แรงบิดเริ่มต้น (Nm)
ขนาด
DN 50
2"
DN 65
2"1/2
DN 80
3"
DN 100
4"
DN 125
5"
DN 150
6"
PN 16 บาร์3868112171298445


แรงบิดอาจแตกต่างกันไปขึ้นอยู่กับอุณหภูมิและชนิดของของไหล ต้องใช้ตัวคูณความปลอดภัย 1.4 แรงบิดอาจลดลงได้ในกรณีที่มีการใช้งานบ่อยครั้ง การเลือกขนาดตัวกระตุ้น/วาล์วที่ระบุในหน้าถัดไป ใช้สำหรับวาล์วที่ใช้กับของเหลวหรือก๊าซที่สะอาด และในช่วงอุณหภูมิปานกลางเท่านั้น หากต้องการข้อมูลเพิ่มเติมหรือการใช้งานในรูปแบบอื่น กรุณาติดต่อฝ่ายเทคนิคของเรา

กำหนดค่า ไดรฟ์
เลือกมาตรฐานการค้นหา
ค้นหารายการ
ปิด X

กิจกรรมถัดไป

Hyvolution 2026
Hyvolution 2026
Paris, France - 27-29 january 2026