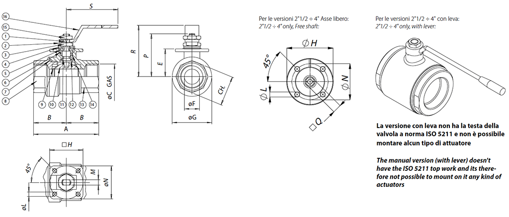
H2 INVICTUS (เอชทู อินวิคตัส) MAGNUM (แม็กนัม) THOR PROCHEMIE 60 (โปรเคมมี 60) HERCULES (เฮอร์คิวลีส) KRATOS (เครโทส) SUPREME TRUNNION (ซูพรีม ทรันเนียน) OTHER BRASS BALL VALVES (วาล์วลูกบอลทองเหลืองอื่น ๆ) OTHER CAST IRON BALL VALVES (วาล์วลูกบอลเหล็กหล่ออื่น ๆ) OTHER STAINLESS STEEL BALL VALVES (วาล์วลูกบอลสแตนเลสอื่น ๆ) OTHER CARBON STEEL BALL VALVES (วาล์วลูกบอลเหล็กกล้าคาร์บอนอื่น ๆ) OTHER PVC BALL VALVES (วาล์วลูกบอลพีวีซีอื่น ๆ) Download General catalogue ดาวน์โหลด Actuator Accessories Catalogue การถอดรหัส MAGNUM & THOR กำหนดค่าผลิตภัณฑ์ของคุณ ดาวน์โหลดไฟล์ 2D และ 3D ในหลายรูปแบบ ดาวน์โหลด Sales conditions มาโคร วาล์วบอล หมวดหมู่ Other stainless steel ball valves (วาล์วลูกบอลสแตนเลสอื่น ๆ) วาล์วบอลสแตนเลส 2 ทาง รูเต็ม ปลายเกลียวITEM 400การเคลือบผิว: พ่นทรายITEM 401การเคลือบผิว: ขัดเงา กำหนดค่า ระบบขับเคลื่อน ขอข้อมูล พิมพ์หน้าเว็บ ดาวน์โหลดแค็ตตาล็อก OTHER STAINLESS STEEL BALL VALVES (วาล์วลูกบอลสแตนเลสอื่น ๆ) คุณลักษณะ ขนาด วัสดุ แผนภาพและแรงบิดเริ่มต้น เอกสาร คุณลักษณะทั่วไป:เหมาะสำหรับงานที่มีความดันปานกลางอุณหภูมิใช้งาน: ตั้งแต่ -20°C ถึง +150°Cความดันใช้งาน: ดูแผนภาพช่วงของของไหล: อากาศ น้ำ ก๊าซ ผลิตภัณฑ์ปิโตรเลียมและปิโตรเคมี ของไหลที่มีฤทธิ์กัดกร่อนการเคลือบผิว: รุ่น 400 พ่นทราย; รุ่น 401 ขัดเงาปลายเกลียวตามข้อกำหนด ISO 7/1 สำหรับซีรีส์ 400 และ 401; ISO 228 สำหรับซีรีส์ 419หน้าแปลน ISO 5211 สำหรับการต่ออุปกรณ์ขับตามคำขอพิเศษ:ปลายเกลียวเมียตามข้อกำหนด NPT B1.20.1ซีลวัสดุ: PTFE เสริมใยแก้ว; PTFE ผสมคาร์บอนกราไฟต์สำหรับการใช้งานอื่น ๆ โปรดติดต่อแผนกขายของเราการรับรอง:เป็นไปตามข้อกำหนด 2014/68/EU “PED”รุ่น ATEX ตามข้อกำหนด 2014/34/EU (ไม่สามารถใช้ได้กับขนาด DN10 3/8" และ DN15 1/2") ขนาดขนาดABøCEøFøGHøLM□QøNCHPRSDN [mm][inch]DN 103/8"55253/8”22102936M54-3621,537,552110DN 151/2"65301/2”24,8153436M54-3626,540,355110DN 203/4"70353/431,32042,536M56-3631,550,866140DN 251"8542,51”35,32550,536M56-3640,554,870140DN 321" 1/49547,51”1/444326342M58-4249,56885180DN 401" 1/210552,51”1/250,34075,542M58-4254,574,391180DN 502"12562,52”57,9509150M610-5069,587105230DN 652" 1/2128642”1/294,565110909-1770-109,5110235DN 803"150753”10680141909-1770-121130285DN 1004"178894”12010016012011-17102-135150310 วัสดุ1ก้าน316 สแตนเลส1.4401UNI X5CrNiMo 17 122ตัวยึดน็อต304 สแตนเลส1.4301UNI X5CrNi 18 103น็อตล็อค304 สแตนเลส1.4301UNI X5CrNi 18 104แหวน Belleville301 สแตนเลส1.4310UNI X12CrNi 17 075แหวนรอง304 สแตนเลส1.4301UNI X5CrNi 18 106น็อตอัดยาง304 สแตนเลส1.4301UNI X5CrNi 18 107*แหวนสถิตPTFE8ปลาย316 สแตนเลส1.44089*ซีลPTFE10ลูกบอล316 สแตนเลส1.4401UNI X5CrNiMo 17 1211*โอริงFKMไม่สามารถใช้ได้ในรุ่น ATEX12*แหวนซีลด้านล่างPTFE13ตัววาล์วพร้อมเกลียวใน316 สแตนเลส1.440814*ซีลด้านบนPTFE15น็อตคันโยก304 สแตนเลส1.4301UNI X5CrNi 18 1016คันโยก304 สแตนเลส1.4301UNI X5CrNi 18 10* ชิ้นส่วนในชุดอะไหล่ KGBV50... แผนภาพความดัน/อุณหภูมิ แผนภาพการไหล/การสูญเสียความดัน และค่าสัมประสิทธิ์ Kv ที่กำหนด Kv คือค่าสัมประสิทธิ์ แสดงเป็น m³/h (โดยใช้น้ำที่อุณหภูมิ 15°C) ซึ่งทำให้เกิดการสูญเสียความดัน 1 บาร์ แรงบิดเริ่มต้น (Nm)ขนาดDN 10 3/8"DN 15 1/2"DN 20 3/4"DN 25 1"DN 32 1"1/4DN 40 1"1/2DN 50 2"DN 65 2"1/2DN 80 3"DN 100 4"PN 25 bar76106146PN 40 bar56PN 64 bar2840PN 100 bar8101420แรงบิดอาจเปลี่ยนแปลงไปตามอุณหภูมิและชนิดของของไหล ค่าปลอดภัย 1.4 ต้องถูกนำมาประยุกต์ใช้ ค่าแรงบิดอาจลดลงเมื่อมีการใช้งานบ่อยครั้ง การเลือกขนาดตัวกระตุ้น/วาล์วที่แสดงในหน้าถัดไป อ้างอิงสำหรับวาล์วที่ใช้งานกับของเหลวหรือก๊าซที่สะอาด และที่อุณหภูมิปานกลาง สำหรับข้อมูลเพิ่มเติมหรือการใช้งานที่แตกต่าง กรุณาติดต่อฝ่ายเทคนิคของเรา ใบรับรอง ATEX - Ball Valves PED UKCA คำแนะนำ ATEX MANUAL 8_0486 กำหนดค่า ไดรฟ์ เลือกมาตรฐานการค้นหา -- ไดรฟ์ -- เพลาว่าง เคลือบผิวพ่นทราย เพลาว่าง เคลือบผิวขัดเงา คันโยก เคลือบผิวพ่นทราย คันโยก เคลือบผิวขัดเงา วาล์วพร้อมตัวกระตุ้นลมชนิด DA เคลือบผิวพ่นทราย วาล์วพร้อมตัวกระตุ้นลมชนิด DA เคลือบผิวขัดเงา วาล์วพร้อมตัวกระตุ้นลมชนิด SR เคลือบผิวพ่นทราย วาล์วพร้อมตัวกระตุ้นลมชนิด SR เคลือบผิวขัดเงา วาล์วพร้อมแอคชูเอเตอร์ไฟฟ้าแบบ ON-OFF เคลือบผิวพ่นทราย วาล์วพร้อมแอคชูเอเตอร์ไฟฟ้าแบบ ON-OFF เคลือบผิวขัดเงา วาล์วพร้อมแอคชูเอเตอร์ไฟฟ้าแบบหมุนชนิดโมดูลาร์ เคลือบผิวพ่นทราย วาล์วพร้อมแอคชูเอเตอร์ไฟฟ้าแบบหมุนชนิดโมดูลาร์ เคลือบผิวขัดเงา ค้นหารายการ