images/testate/Template-Header-Sito-OMALBALLVALVES.jpg

THOR สปลิตบอดี้ PN 63-100 ANSI 600 วาล์วบอล สเตนเลสสตีล

THOR สปลิตบอดี้ PN 63-100 ANSI 600 วาล์วบอล สเตนเลสสตีล
มาโคร วาล์วบอล
หมวดหมู่ THOR
หมวดย่อย THOR Split Body

ครอบครัว THOR Split Body PN 63-100 ANSI 600 (ธอร์ สปลิตบอดี้ พีเอ็น 63-100 แอนซี 600)

กำหนดค่า ระบบขับเคลื่อน
ขอข้อมูล
พิมพ์หน้าเว็บ
ถอดรหัส
  • ประโยชน์
  • คุณลักษณะ
  • มิติ
  • วัสดุ
  • แผนภาพและแรงบิดเริ่มต้น
  • อุปกรณ์เสริม
  • เอกสาร

1. Antistatic device (electrical continuity between ball, stem and body)
Static electricity is avoided which can cause sparks and fire in an inflammable/explosive environment
Contact safety throughout the entire life of the valve

2. Double antifriction washer
Less Breakaway Torque is granted
Less wear comparing with the execution with the single washer

3. "V" seals pack; 3 seals + o-ring
It ensures a perfect tightness even after a high number of cycles

4. Spring washer on the shaft seal
Guarantee of the recovery of the gap due to the wear caused by the rotational movement of the shaft avoiding leakage towards the outside part.
Allow to maintain energized the "chevron" seals (V), thus avoiding any leakage to the outside, against huge temperature excursions

5. Stretch Graphite seal
Tightness towards outside is granted, independently by the thermal excursions to which the valve is subjected

Greater precision in the alignment of axes due to a unique positioning in the process machining from raw material to finished valve
Longer lifetime of the valve
Less breakaway torque

Easy maintainance directly on site
Reduced maintainance costs

Valve body in carbon steel made with NACE certified material as standard
Greater corrosion resistance
Greater ductility of the material

100% in- house manufacturing process technology
Maximum control and accuracy in all the stages of the manufacturing process
Flexibility in supply quickly special executions requested by customers

"Fire safe" Certificate
Guarantees the tightness of the valve also in case of fire

ATEX Certificate
Installation is possible in a potential explosive environment

TA LUFT fugitive emission Certificate
High level of safety of the tightness towards the outside is granted

PED Certificate
Full compliance with European Safety Standards for Pressure Equipment

UP to SIL 3 certified
Guarantee of the high level of functional safety

คุณสมบัติมาตรฐาน
• ลูกบอลลอย แบบ Full Bore มีรุ่น Reduce Bore ให้เลือก
• ซีลแบบ Soft-seat วัสดุ DEVLON
• มาตรฐานหน้าแปลน: ASME B16.5; EN1092-1
• อุณหภูมิการทำงาน: ดูแผนภาพอุณหภูมิ–ความดัน
• ระดับความดัน: ANSI 600 / PN63-100
• ระดับการรั่วซึม: EN12266-1 เกรด A
• ของไหลที่ควบคุม: ผลิตภัณฑ์ปิโตรเลียม สารหล่อลื่นในตัว (ของเหลวและก๊าซ) หากเข้ากันได้กับวัสดุก่อสร้าง สำหรับของไหลที่ไม่ใช่สารหล่อลื่นในตัว (เช่น น้ำ ฯลฯ) หรือการใช้งานอื่น ๆ กรุณาติดต่อแผนกขาย
• อุปกรณ์ป้องกันไฟฟ้าสถิต ตามมาตรฐาน EN12266-2
• ซีลก้านวาล์ว: Modified PTFE V-ring packing
• ซีลเสริมบนก้านวาล์วด้วย FKM O-ring
• ก้านวาล์วป้องกันการหลุด (Anti Blow-out stem)
• การเชื่อมต่อกับแอคทูเอเตอร์ ตามมาตรฐาน ISO 5211
• มุมปิด >7°

คุณสมบัติเพิ่มเติมตามคำขอ

• สำหรับหน้าแปลนชนิดอื่น กรุณาติดต่อแผนกขาย
• ซีลทำจาก: PTFE เสริมด้วยใยแก้ว (PTFE-GF), PTFE เสริมด้วยคาร์บอนกราไฟต์ (PTFE-CF) สำหรับวัสดุชนิดอื่น กรุณาติดต่อแผนกขาย
• รุ่นทางเดียว พร้อมรูระบายความดันในลูกบอล
• คันโยกสเตนเลสสตีล
• น็อตและสปริงก้านวาล์วสเตนเลสสตีล
• สำหรับรุ่นพิเศษที่ใช้วัสดุแตกต่างจากมาตรฐาน (ตัววาล์ว ลูกบอล ก้านวาล์ว) กรุณาติดต่อแผนกขาย
• การทำเครื่องหมาย ATEX และใบรับรอง ตามคำขอ

การรับรอง
• เป็นไปตามข้อกำหนด European Directive 2014/68/EU PED; Fugitive Emission ISO 15848 (ISO FE BH-C03-SSA 0); TA-LUFT VDI 2440; FIRE SAFE: ISO 10497 Third ed. 2010 / API 607 Sixth ed. 2010
• เป็นไปตามข้อกำหนด ATEX 2014/34/EU ใบรับรอง ATEX ตามคำขอ

มาตรฐานวิศวกรรม
• ความหนาของตัววาล์ว เป็นไปตาม ASME B16.34, ASME VIII div.1, EN 12516
• API 6D ตามคำขอ
• วัสดุและการจัดระดับ เป็นไปตาม ASME B16.34 สำหรับวาล์ว ANSI และ EN 12516 สำหรับวาล์ว PN

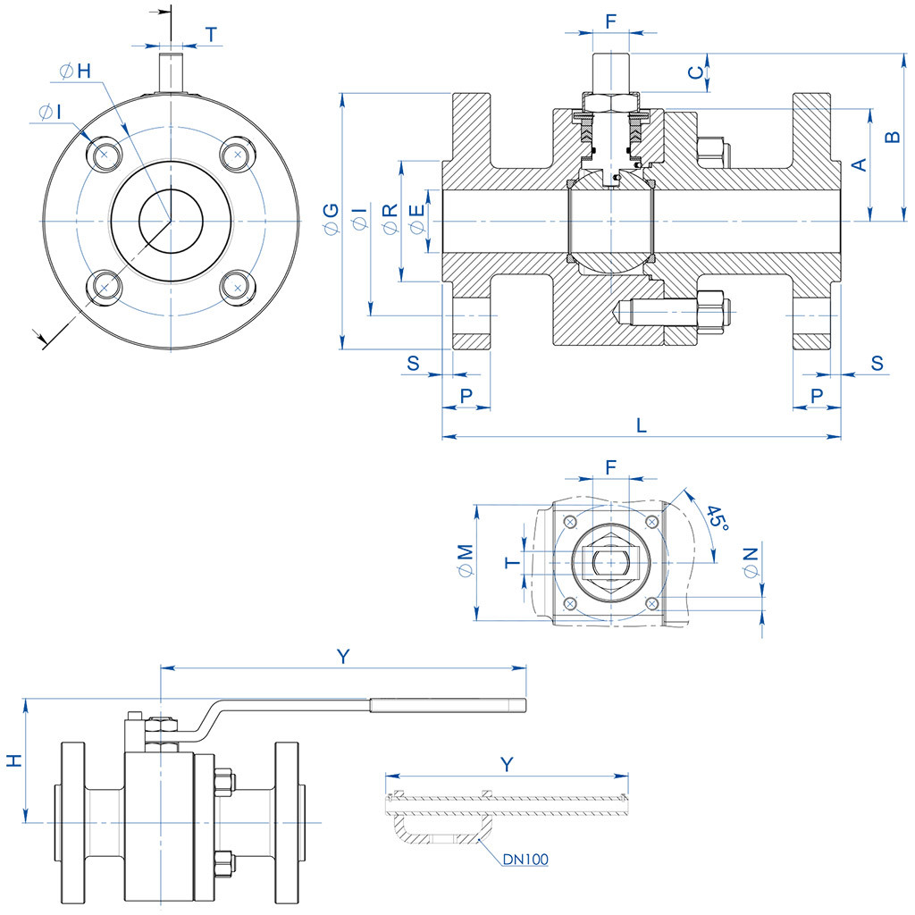
ขนาด   -PN-
ขนาด
PN
∅E
A
B
C
แอคชูเอเตอร์ ISO
∅M
∅N
F/T
∅G
∅R
S
∅H
จำนวนรู
∅I
P
Kg
L
H
Y
ชุดคันโยก
ชุดซีล
DN [mm]
[inch]
DN15
1/2”
63-100
13
40
54,5
9,6
F04
42
M5
12/8
105
45
2
75
4
14
20
6,3
165
80
150
KLV58006
KGBV472040
DN20
3/4”
63-100
19
45
57,5
9,6
F04
42
M5
12/8
130
58
2
90
4
18
22
7,9
190
83
150
KLV58006
KGBV472050
DN25
1”
63-100
25
50
71,5
14,6
F05
50
M6
16/10
140
68
2
100
4
18
24
11,0
216
95
275
KLV58008
KGBV472060
DN32
1” 1/4
63-100
32
55
76,5
14,6
F05
50
M6
16/10
155
78
2
110
4
22
24
13,7
229
100
275
KLV58008
KGBV472070
DN40
1” 1/2
63-100
38
68
98,5
20,4
F07
70
M8
22/14
170
88
3
125
4
22
26
20,4
241
120
350
KLV58010
KGBV472080
DN50
2”
63
51
74
107,5
20,4
F07
70
M8
22/14
180
102
3
135
4
22
26
25,1
292
129
350
KLV58010
KGBV472090
DN50
2”
100
51
74
107,5
20,4
F07
70
M8
22/14
195
102
3
145
4
26
28
27,3
292
129
350
KLV58010
KGBV472090
DN65
2” 1/2
63
64
94
144
25,1
F10
102
M10
30/18
205
122
3
160
8
22
26
44,0
330
180
450
KLV58012
KGBV472100
DN65
2” 1/2
100
64
94
144
25,1
F10
102
M10
30/18
220
122
3
170
8
26
30
47,0
330
180
450
KLV58012
KGBV472100
DN80
3”
63
76
101,5
151,5
25,1
F10
102
M10
30/18
215
138
3
170
8
22
28
51,9
356
188
450
KLV58012
KGBV472110
DN80
3”
100
76
101,5
151,5
25,1
F10
102
M10
30/18
230
138
3
180
8
26
32
55,3
356
188
450
KLV58012
KGBV472110
DN100
4”
63
102
126
196,5
40,5
F14
140
M16
45/30
250
162
3
200
8
26
30
102
432
233
800
KLV58014
KGBV472120
DN100
4”
100
102
126
196,5
40,5
F14
140
M16
45/30
265
162
3
210
8
30
36
106
432
233
800
KLV58014
KGBV472120

ขนาด  -ANSI-
ขนาด
ANSI
∅E
A
B
C
แอคชูเอเตอร์ ISO
∅M
∅N
F/T
∅G
∅R
S
∅H
จำนวนรู
∅I
P
Kg
L
H
Y
ชุดคันโยก
ชุดซีล
DN [mm]
[inch]
DN15
1/2”
600
13
40
54,5
9,6
F04
42
M5
12/8
95
35,16,4
66,5
4
16
21,0
5,5
165
80
150
KLV58006
KGBV472040
DN20
3/4”
600
19
45
57,5
9,6
F04
42
M5
12/8
11842,9
6,4
82,6
4
19
22,6
6,5
190
83
150
KLV58006
KGBV472050
DN25
1”
600
25
50
71,5
14,6
F05
50
M6
16/10
125
50,8
6,4
88,9
4
19
24,4
9,3
216
95
275
KLV58008
KGBV472060
DN32
1” 1/4
600
32
55
76,5
14,6
F05
50
M6
16/10
135
63,5
6,4
98,6
4
19
27,4
12,1
229
100
275
KLV58008
KGBV472070
DN40
1” 1/2
600
38
68
98,5
20,4
F07
70
M8
22/14
155
73
6,4
114,3
4
22
29,1
18,9
241
120
350
KLV58010
KGBV472080
DN50
2”
600
51
74
107,5
20,4
F07
70
M8
22/14
165
91,96,4
127
8
19
32,1
23,9
292
129
350
KLV58010
KGBV472090
DN65
2” 1/2
600
64
94
144
25,1
F10
102
M10
30/18
190
104,6
6,4
149,4
8
22
36,1
44,3
330
180
450
KLV58012
KGBV472100
DN80
3”
600
76
101,5
151,5
25,1
F10
102
M10
30/18
210
127
6,4
168,1
8
22
39,1
54,0
356
188
450
KLV58012
KGBV472110
DN100
4”
600
102
126
196,5
40,5
F14
140
M16
45/30
275
157,2
6,4
215,9
8
25,5
45,1
113
432
233
800
KLV58014
KGBV472120

วัสดุ
สปลิตบอดี้ PN63-100 ANSI 600 ผลิตจากแท่ง
ลำดับ
รายละเอียด
สเตนเลสสตีล 316
1
ตัววาล์ว
ASTM A 182 F316 / A479TP.316 (1.4401 / X5CrNiMo 17-12-2)
2
คอนเนคเตอร์
3
ลูกบอล
ASTM A351 CF8M (1.4408/Gx5CrNiMo19-12-2)
4
ก้านวาล์ว
A564 TP.630 (17-4PH)
5*
ซีท
DEVLON
6*
ปะเก็นระหว่างตัววาล์ว–คอนเนคเตอร์
GRAFOIL
7*
ซีลก้านวาล์วด้านล่าง
PTFE ดัดแปร (.) (1)
8*
ซีลเชฟรอน
PTFE ดัดแปร (.)
9*
โอริงก้านวาล์ว
FKM (.)
10
แหวนกดแพ็คกิ้ง
304 สเตนเลสสตีล
11
แผ่นน็อตล็อก
304 สเตนเลสสตีล
12
น็อตก้านวาล์ว
เหล็กกล้าคาร์บอน ชุบกัลวาไนซ์ (xx)
13
แหวนสปริง
เหล็กกล้าคาร์บอน ชุบกัลวาไนซ์ (xx)
14
อุปกรณ์ป้องกันไฟฟ้าสถิต
316 สเตนเลสสตีล
15
สตัดโบลท์
ASTM A193-B8
16
น็อต
ASTM A194-Gr.8
17
น็อตล็อก
เหล็กกล้าคาร์บอน ชุบกัลวาไนซ์
18
สกรูยึด
A2-70 (304 สเตนเลสสตีล)
19
สกรูยึด
เหล็กกล้าคาร์บอน ชุบกัลวาไนซ์ (x)
20
คันโยก
Fe37 ชุบกัลวาไนซ์ (x)
* ส่วนประกอบของชุดซีล

มีให้ตามคำขอ:
(x): สเตนเลสสตีล 304
(xx): สเตนเลสสตีล 301
(1): สำหรับ ≤DN32 มีเฉพาะแบบ DEVLON
(.):  วัสดุอื่น ๆ มีให้ตามคำขอ

แผนภูมิอุณหภูมิ/ความดันสำหรับวาล์วเหล็กคาร์บอน

แผนภูมิอุณหภูมิ/ความดันสำหรับวาล์วสแตนเลส

แผนภูมิการไหล/การสูญเสียความดันและสัมประสิทธิ์ Kv ชื่อค่า

Kv คือสัมประสิทธิ์ ซึ่งแสดงเป็น m³/h (กับน้ำที่ 15°C) ซึ่งทำให้เกิดการสูญเสียความดัน 1 bar

ก้านขยายแบบหล่อพร้อมคันโยก

    วัสดุ
หมายเลขชิ้นส่วน
 คำอธิบาย
วัสดุ
1
ขยาย
AISI304 S.S.
2
พิน
AISI 430 F
3
บุช
DELRIN
4
โอริง
NBR
5
คันโยก
Fe 37 ชุบสังกะสี (*)
6
น็อต
เหล็กคาร์บอนชุบสังกะสี (*)
7
ตัวยึดคันโยก
เหล็กคาร์บอนชุบสังกะสี (*)
8
สกรูตัวยึด
A2-70
9
สเปเซอร์
PTFE เติมคาร์บอน


(*) : สามารถสั่งทำได้ในวัสดุสแตนเลส AISI 304

ขนาด  
วาล์วมาตรฐาน ISO
ØA
ØB
ØM
ØN
F/T
X
Y
F03
36
5,5365,5
10/638,5141,5
F04
425,542M512/845,5151,5
F05
506,5506,516/1048,5276,5
F07
708,5708,522/1457,5351,5
F10
102111021130/1879,5451,5


หมายเหตุ: รหัสของก้านขยายขึ้นอยู่กับประเภทของไดรฟ์และการเชื่อมต่อของวาล์ว; ต้องแจ้งเมื่อสั่งซื้อ

ก้านขยายแบบหล่อสำหรับแอคชูเอเตอร์

 วัสดุ
หมายเลขชิ้นส่วน
 คำอธิบาย
วัสดุ
1
ขยาย
ASTM A351 CF8M
2
พิน
AISI 430 F
3
บุช
DELRIN
4
โอริง
NBR


หมายเหตุ: รหัสของก้านขยายขึ้นอยู่กับประเภทของไดรฟ์และการเชื่อมต่อของวาล์ว; ต้องแจ้งเมื่อสั่งซื้อ

ก้านขยายแบบเชื่อมพร้อมคันโยก

วัสดุ    
หมายเลขชิ้นส่วน
คำอธิบาย
วัสดุ
1
ขยาย
304 s.s.
2
พิน
AISI 430 F
3
บุช
DELRIN
4
โอริง
NBR
5
คันโยก
Fe 37 ชุบสังกะสี (*)
6
น็อต
เหล็กคาร์บอนชุบสังกะสี (*)
7
ตัวยึดคันโยก
เหล็กคาร์บอนชุบสังกะสี (*)
8
สกรูตัวยึด
A2-70
9
น็อตตัวยึด
A2-70 (**)
10
สเปเซอร์
PTFE เติมคาร์บอน


(*) : สามารถสั่งทำได้ในวัสดุสแตนเลส AISI 304
(**) : ไม่มีให้สำหรับวาล์วที่มีการเชื่อมต่อ ISO F04

ขนาด
วาล์วมาตรฐาน ISO
ØA
ØB
ØM
ØN
F/T
X
Y
F03
36
5,5365,510/638,5141,5
F04
425,542M512/845,5151,5
F05
506,5506,516/1048,5276,5
F07
70970922/1457,5351,5
F10
102111021130/1879,5451,5


หมายเหตุ: รหัสของก้านขยายขึ้นอยู่กับประเภทของไดรฟ์และการเชื่อมต่อของวาล์ว; ต้องแจ้งเมื่อสั่งซื้อ

ก้านขยายแบบเชื่อมสำหรับแอคชูเอเตอร์

วัสดุ    
หมายเลขชิ้นส่วน
คำอธิบาย
วัสดุ
1
ขยาย
304 S.S.
2
พิน
AISI 430 F
3
บุช
DELRIN
4
โอริง
NBR


หมายเหตุ: รหัสของก้านขยายขึ้นอยู่กับประเภทของไดรฟ์และการเชื่อมต่อของวาล์ว; ต้องแจ้งเมื่อสั่งซื้อ

ก้านขยายพร้อมซีลเสริม

 วัสดุ
หมายเลขชิ้นส่วน
 คำอธิบาย
 วัสดุ
1
ขยาย
304 s.s.
2
พิน
A564 TP.630 (17-4ph)
3
ซีลด้านล่าง
TFM1600
4
โอริง
FKM
5
แหวนเชฟรอน
TFM1600
6
แหวนอัดแพ็กกิ้ง
304 s.s.
7
สปริงวอชเชอร์
50CrV4 ชุบสังกะสี
8
น็อตก้านวาล์ว
UNI 3740-1 6S ชุบสังกะสี
9
แผ่นน็อตล็อก
304 s.s.
10
ปะเก็น
GRAFOIL


ขนาด
วาล์วมาตรฐาน ISO
ØA
ØB
ØM
ØN
F/T
CD
F03
36
5,5
36M510/6
2010,2
F04
42
5,5
42M512/8
2615,1
F05
50
6,550M616/10
3521,2
F07
70
8,570M822/14
47,528,4
F10
102
10,5102M1030/18
6135,2

หมายเหตุ: รหัสของก้านขยายขึ้นอยู่กับประเภทของไดรฟ์และการเชื่อมต่อของวาล์ว; ต้องแจ้งเมื่อสั่งซื้อ

กำหนดค่า ไดรฟ์
เลือกมาตรฐานการค้นหา
ค้นหารายการ
ปิด X

กิจกรรมถัดไป

Hyvolution 2026
Hyvolution 2026
Paris, France - 27-29 january 2026