images/testate/header-valvole-farfalla.jpg

วาล์วผีเสื้อ รุ่น 375-376-377

วาล์วผีเสื้อ รุ่น 375-376-377

วาล์วผีเสื้อเหล็กหล่อ สำหรับติดตั้งระหว่างหน้าแปลน แบบ “Wafer”
รุ่น 375
ตัวเรือน: เหล็กหล่อ
แผ่นผีเสื้อ: เหล็กหล่อ
ซับใน: ดูตาราง
รุ่น 376
ตัวเรือน: เหล็กหล่อ
แผ่นผีเสื้อ: CF8M (สเตนเลส 316)
ซับใน: ดูตาราง
รุ่น 377
ตัวเรือน: เหล็กหล่อ
แผ่นผีเสื้อ: บรอนซ์อะลูมิเนียม
ซับใน: ดูตาราง

กำหนดค่า ระบบขับเคลื่อน
ขอข้อมูล
พิมพ์หน้าเว็บ
  • ประโยชน์
  • คุณลักษณะ
  • ขนาด
  • วัสดุ
  • แผนภาพและแรงบิดเริ่มต้น
  • ข้อกำหนดทางเทคนิค
  • เอกสาร

1. ติดตั้งด้านบนตามมาตรฐาน EN ISO 5211
สามารถเชื่อมต่อกับอุปกรณ์ขับเคลื่อนทุกชนิดได้อย่างง่ายดาย

2. ปลอกนำ 3 จุดบนเพลา
รับประกันการจัดแนวที่สมบูรณ์แบบของเพลากับตัววาล์ว และป้องกันการสั่นไหวแม้ในสภาวะความดันสูง
ลดแรงเสียดทานระหว่างเพลากับตัววาล์ว

3. ซับยวัลคาไนซ์บนวงแหวนแข็ง
การเสียรูปของซับลดลง
สามารถถอด/ประกอบซับเพื่อการบำรุงรักษาได้ง่าย
ไม่มีการเสียรูปของซับระหว่างหน้าแปลนในระหว่างการประกอบ
มีความแม่นยำเชิงมิติสูงขึ้นในกระบวนการฉีดขึ้นรูป

4. เพลาแบบ 2 ชิ้นโดยไม่ต้องใช้ชิ้นส่วนยึด
ถอด/ประกอบจานปิดเพื่อการบำรุงรักษาได้ง่าย
ค่า Kv สูงกว่า เนื่องจากส่วนกลางของจานปิดบางกว่าวาล์วที่ใช้เพลาเดียว

5. พื้นผิวรอบวงของจานปิดขัดเงาเรียบ
การซีลที่ดีกว่าและลดการสึกหรอของซับ
แรงบิดต่ำกว่า เนื่องจากแรงเสียดทานระหว่างจานปิดและซับลดลง

มีวัสดุซับหลายประเภท
รองรับการใช้งานที่หลากหลาย

สามารถติดตั้งได้ในสภาพแวดล้อมที่มีความเสี่ยงการระเบิด

สอดคล้องอย่างสมบูรณ์กับมาตรฐานความปลอดภัยของยุโรปสำหรับอุปกรณ์ความดัน

คุณสมบัติทั่วไป:
วาล์วผีเสื้อ OMAL มีให้เลือกทั้งแบบเวเฟอร์และแบบลัก ตั้งแต่ขนาด DN 40 ถึง DN 600 (แบบลักถึง DN 300) ออกแบบและผลิตเพื่อให้เหมาะกับการใช้งานในอุตสาหกรรมทุกประเภท
- เป็นไปตามข้อกำหนดทั่วไปของมาตรฐาน UNI EN593
- ระยะหน้าชนตามมาตรฐาน EN 558 ซีรีส์ 20
- ความแน่นหนาที่แรงดัน 16 บาร์ ตามมาตรฐาน EN 12266-1 ระดับ A
- ซีลแบบรวม (ซับในยางวัลคาไนซ์ติดกับวงแหวนแข็ง) เพื่อป้องกันไม่ให้ของไหลสัมผัสกับตัวเรือนวาล์ว
- การออกแบบซีลช่วยให้แนบสนิทกับตัวเรือนวาล์วและปิดผนึกกับหน้าแปลนได้อย่างสมบูรณ์โดยไม่ต้องใช้อุปกรณ์เพิ่มเติม การยึดระหว่างหน้าแปลนไม่ส่งผลต่อแรงบิดของวาล์ว
- ขอบแผ่นผีเสื้อขัดมันเพื่อให้ปิดผนึกได้ดีขึ้น ลดแรงบิด และลดการสึกหรอของซับใน
- มีบูชชิ่งรองรับเพลา
- การเชื่อมต่อระหว่างเพลาและแผ่นผีเสื้อใช้เพลาสองแกน (เพิ่มค่า Kv) โดยไม่ต้องใช้อุปกรณ์ยึดเพิ่มเติม (เช่น สกรู โบลต์ หรือหมุด) เพื่อลดความเสี่ยงในการเกิดสนิมหรือการแตกหัก
- ออกแบบให้สามารถถอดประกอบเพื่อบำรุงรักษาหรือทำความสะอาดได้ง่าย
- คอวาล์วออกแบบตามมาตรฐาน EN ISO 5211 เพื่อให้ติดตั้งกับแอคชูเอเตอร์ประเภทต่าง ๆ ได้สะดวก
- ชิ้นส่วนทั้งหมดผ่านการเคลือบป้องกันการกัดกร่อนอย่างเหมาะสม
OMAL ขอสงวนสิทธิ์ในการเปลี่ยนแปลงข้อมูลหรือคุณลักษณะทางเทคนิคใด ๆ ในเอกสารนี้ได้ทุกเมื่อ เพื่อพัฒนาคุณภาพและประสิทธิภาพของผลิตภัณฑ์ให้ดียิ่งขึ้น

รุ่นมาตรฐาน:
• มาตรฐานหน้าแปลน:
PN 10 - PN 16 - ANSI 150 ตั้งแต่ DN 40 ถึง DN 300
PN 10 ตั้งแต่ DN 350 ถึง DN 600
• เป็นไปตามข้อกำหนดทั่วไปของมาตรฐาน UNI EN593
• ระยะหน้าชนตามมาตรฐาน EN 558 ซีรีส์ 20
• หัววาล์วตามมาตรฐาน ISO 5211 (DN40–DN300)
• ความแน่นหนาตามมาตรฐาน EN 12266-1 ระดับ A
• การทดสอบอื่น ๆ สามารถทำได้ตามคำขอ
• อุณหภูมิการทำงานของซับใน:
EPDM: -25°C ถึง +135°C
NBR: -23°C ถึง +82°C
FKM: -10°C ถึง +190°C (DN40–DN300)
PTFE (บนแกน EPDM): -25°C ถึง +135°C (DN40–DN300)
• แรงดันใช้งานระหว่างหน้าแปลน:
PN 16 บาร์ สำหรับ DN 40 ถึง DN 300
PN 10 บาร์ สำหรับ DN 350 ถึง DN 600
• ความหนาของสารเคลือบอีพ็อกซี่: 160 ÷ 200 ไมครอน สี RAL 5015

ตามคำขอ:
• อุณหภูมิการทำงานของซับในชนิดพิเศษ:
ซิลิโคน: -25°C ถึง +160°C
NBR คาร์บอกซ์: -10°C ถึง +82°C
NBR สีขาวสำหรับอาหาร: -23°C ถึง +82°C
HNBR: -20°C ถึง +120°C
• สำหรับการใช้งานอื่น ๆ โปรดติดต่อฝ่ายขายของเรา

ใบรับรอง:
• เป็นไปตามข้อกำหนด 2014/68/EU “PED”
• ได้รับการรับรอง DVGW สำหรับแก๊ส (V376)
• ได้รับการรับรองจาก RINA
• เป็นไปตามกฎหมายอิตาลี D.M. หมายเลข 174 เหมาะสำหรับน้ำดื่มและของเหลวในอุตสาหกรรมอาหาร (V376)
• รุ่น ATEX เป็นไปตามข้อกำหนดของสหภาพยุโรป 2014/34/EU
• ใบรับรอง ATEX สามารถออกได้ตามคำขอ (สำหรับวาล์วที่มีซับใน PTFE ขนาดไม่เกิน DN 200)

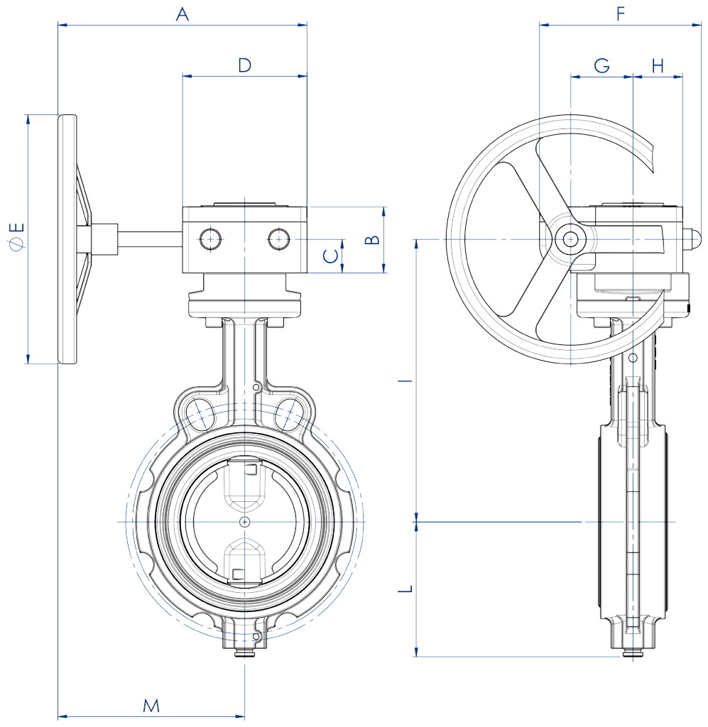
 มิติ
มิติ
ABØCØDØEØF□G□G’ØHØILMNPQRR’SS’ØTU
DN [mm][inch]
DN 401"1/2333650706,58,59
11098,5R10R9
7012531
9
14,2116
DN 502"434650706,58,59
125121R10R10,5
8014031
9
14,2128
DN 652"1/2464950706,58,511
145140R10R10,5
8615233
11
14,2143
DN 803"464950706,58,511
160153R10R10,5
95,515933
11
14,2153
DN 1004"525650706,58,511
191180R10,5R10
10817833
11
14,2175
DN 1255"565970
8,5
14
216210R12,5R10
124,5190,536
14
19197
DN 1506"565970
8,5
14
242240R12,5R12
13720336
14
19222
DN 2008"606470
8,5
17
299295R12,5R12
16623839
17
22,2279
DN 25010"6872102125111322
362350R14R13,5
19926855
22
28,5340
DN 30012"7881,5102125111322
432400R14R13,5
23430655
22
28,5410
DN 35014"7882




22
460

M20293352
55
2228,5446
DN 40016"102105




27
515

M24325388
60
2736,5508
DN 45018"114118




27
565

M24348415
60
2736,5543
DN 50020"127130,5




36
620

M24386,5441
70
3648,5600
DN 60024"154158




36
725

M27447,5505
70
3648,5718
หมายเหตุ: ขนาด G’, R’, S’ อ้างอิงกับวาล์วที่มีความดันต่างสูงสุด (∆P) 10 บาร์

ตัวเรือนเหล็กหล่อพร้อมคันโยก

ขนาด ตัวเรือนเหล็กหล่อพร้อมคันโยก
  มิติ
A
B
øC
D
Kg
DN [mm]
[inch]
DN 40
1"1/2
188
70
90
160
2,2
DN 50
2"
203
80
90
160
3,0
DN 65
2"1/2
225
86
90
220
3,8
DN 80
3"
230
95,5
90
220
4,0
DN 100
4"
250
108
90
220
5,1
DN 125
5"
277
124,5
90
350
7,8
DN 150
6"
290
137
90
350
9,2
DN 200
8"
325
166
90
350
13,3

คุณสมบัติของคันโยก

คันโยกแบบ 10 ตำแหน่ง สามารถล็อกได้ในทุกตำแหน่ง
วัสดุ: อะลูมิเนียม
การเคลือบผิว: โพลีเอสเตอร์
น้ำหนัก: 0,3 ถึง 0,9 กก.

ตัวเรือนเหล็กหล่อพร้อมกระปุกเกียร์

ขนาด ตัวเรือนเหล็กหล่อพร้อมกระปุกเกียร์
  มิติ
A
B
C
D
øE
F
G
H
I
L
M
Kg
DN [mm]
[inch]
DN 40
1"1/2
200
49
24
80
140
115
42
35
171,2
70
160
3,3
DN 50
2"
200
49
24
80
140
115
42
35
185,9
80
160
4,1
DN 65
2"1/2
200
54
27
100
200
130
50
40
201,6
86
150
5,7
DN 80
3"
200
54
27
100
200
130
50
40
208
95,5
150
6
DN 100
4"
200
54
27
100
200
130
50
40
227
108
150
7
DN 125
5"
200
54
27
100
200
130
50
40
239,7
124,5
150
9,4
DN 150
6"
200
54
27
100
200
130
50
40
252,4
137
150
10,7
DN 200
8"
250
70,5
40,5
140
300
175
60
60
300,7
166
180
17,4
DN 250
10"
250
70,5
40,5
140
300
175
60
60
342
199
180
28
DN 300
12"
250
70,5
40,5
140
300
175
60
60
380
234
180
37,5
DN 350
14"
250
70,5
40,5
140
300
175
60
60
425,5
293
180
56
DN 400
16"
421
102
48
220
300
258
105
75
461
325
301
95
DN 450
18"
421
102
48
220
300
258
105
75
488
348
301
112
DN 500
20"
456
102
48
220
500
258
105
75
514
386,5
346
141
DN 600
24"
456
102
48
220
600
258
105
75
578
447,5
346
205

คุณสมบัติของกระปุกเกียร์
กลไกที่ออกแบบและทดสอบแล้ว ทำงานผ่านเฟืองเดือยและเฟืองเกลียวหนอน
มีตัวบ่งชี้ตำแหน่งวาล์วแบบมองเห็นได้
ตัวเรือนกระปุกเกียร์อะลูมิเนียมอัลลอยด์ รุ่น “RF0” (IP65) และเหล็กหล่อสำหรับรุ่น “RRM...” (IP67)
เฟืองเดือยทำจากเหล็กหล่อ
เฟืองเกลียวหนอนทำจากเหล็กชุบแข็ง
ล้อเฟืองทำจากเหล็ก
พื้นผิวภายนอกพ่นสีอีพ็อกซี่

 วัสดุ
1
ตัววาล์ว
A536 65-45-12 (GGG50) (เทียบเท่า EN-GJS-450-10 EN-JS 1040)
2
จานปิด
A536 65-45-12 (GGG50) - A351 CF8M (316 S.S.)
3*
ซับ
EPDM-NBR
4
เพลาด้านบน
A276 S42000 (420 S.S.) (เทียบเท่า X20CR13; 1.4021)
5
เพลาด้านล่าง
A276 S42000 (420 S.S.) (เทียบเท่า X20CR13; 1.4021)
6*
โอริงด้านล่าง
EPDM-NBR (a พร้อมชิ้นส่วน 3 in FKM)
7*
บูชด้านบน
เรซินอีพ็อกซี่
8*
บูชเพลา
เรซินอีพ็อกซี่ผสม PTFE สำหรับขนาด DN40 ถึง DN300, ทองแดงสำหรับขนาด DN350 ถึง DN600
9*
หมุดยืดหยุ่น
สแตนเลส
10*
โอริงเพลา
EPDM-NBR
*ส่วนประกอบของชุดอะไหล่ KGF
หากต้องการวัสดุวาล์วอื่น ๆ กรุณาติดต่อสำนักงานของเรา

ตัววาล์ว (BODY)
DN40 - 600
เหล็กหล่อ A536 65-45-12*
เคลือบอีพ็อกซี่
RAL 5015*

ก้านวาล์ว (STEM)
สแตนเลส A276 S4200*
สแตนเลส A564 TP 630

จานปิด (DISC)
DN40 - 600
เหล็กหล่อ A536 65-45-12*
ชุบเคมีนิกเกิล

สแตนเลส A351-CF8M (316 S.S.)*
สแตนเลส A351-CF3M (316 S.S.) ขัดเงา

บรอนซ์/อะลูมิเนียม B148C95400*

*วัสดุมาตรฐาน OMAL

ซับ (LINER)
DN40 - 600
EPDM*
NBR*
DN40 - 300
FKM*
PTFE บน EPDM*

WHITE NBR
น้ำดื่ม WHITE NBR
HNBR
CARBOX NBR
ซิลิโคน

การใช้งานของวัสดุ
วัสดุ
คุณสมบัติ
การใช้งาน
CAST IRON A536 65-45-12
ความแข็งแรงเชิงกลเทียบเท่าสแตนเลสสตีล
การใช้งานทั่วไป
ใช้เป็นมาตรฐานสำหรับตัววาล์วและจานปิด
บรอนซ์ - อะลูมิเนียม
ทนต่อการกัดกร่อนได้ดี
ของไหลกัดกร่อน น้ำทะเล
RILSAN เคลือบผิว
ทนต่อการกัดกร่อนได้อย่างยอดเยี่ยม
การใช้งานทั่วไป
ใช้เป็นวัสดุมาตรฐานสำหรับตัววาล์วและจานปิด
สแตนเลสสตีล A351-CF8M
ทนต่อการกัดกร่อนได้อย่างยอดเยี่ยม
อาหาร เคมี ยา ฯลฯ
EPDM
ขีดจำกัดอุณหภูมิ (°C): -50°/+150°. อุณหภูมิการทำงาน (°C): -40°/+135°. ไม่เหมาะสำหรับไฮโดรคาร์บอน
น้ำ (อ่อน, น้ำทะเล, ไกลโคลิก และอุตสาหกรรม), ไอน้ำ, โอโซน, เบสและกรดเจือจาง, ตัวทำละลายอะซิติก, แอลกอฮอล์, โซดาไฟ, ปัจจัยทางบรรยากาศ
NBR
ทนต่อการสึกหรอ/การเสียดสีได้ดี มีความแข็งแรงทางเคมีและเชิงกลที่ดีต่อ น้ำมันแร่ ไฮโดรคาร์บอนบางชนิด และตัวทำละลายอัลคาลีน อุณหภูมิการทำงาน (°C): -23 / +82 ไม่เหมาะสำหรับอะซิโตน คีโตน ไนเตรต และไฮโดรคาร์บอนคลอรีน
การใช้งานทั่วไป, อากาศอัด, น้ำเย็น, ของไหลไฮดรอลิก, มีเทน, บิวเทน, น้ำมันปิโตรเลียม, น้ำทะเล, วัสดุที่สึกกร่อนสำหรับวงจรนิวแมติก, ไขมันจากสัตว์และพืช
WHITE NBR
ทนต่อการสึกหรอ/การเสียดสีได้ดี มีความแข็งแรงทางเคมีและเชิงกลที่ดีต่อ น้ำมันแร่ ไฮโดรคาร์บอนบางชนิด และตัวทำละลายอัลคาลีน อุณหภูมิการทำงาน (°C): -23 / +82 ไม่เหมาะสำหรับอะซิโตน คีโตน ไนเตรต และไฮโดรคาร์บอนคลอรีน
การใช้งานทั่วไป, อากาศอัด, น้ำเย็น, ของไหลไฮดรอลิก, มีเทน, บิวเทน, น้ำมันปิโตรเลียม, น้ำทะเล และวัสดุที่สึกกร่อนสำหรับวงจรนิวแมติก
น้ำดื่ม WHITE NBR
เหมาะสำหรับน้ำดื่มตามกฎหมายอิตาลี D.L. 174/2004 อุณหภูมิการทำงาน (°C): -23 / +82 ไม่เหมาะสำหรับอะซิโตน คีโตน ไนเตรต และไฮโดรคาร์บอนคลอรีน
การใช้งานทั่วไป, อากาศอัด, น้ำดื่มเย็น, ของไหลไฮดรอลิก, มีเทน, บิวเทน, น้ำมันปิโตรเลียม, น้ำทะเล และวัสดุที่สึกกร่อนสำหรับวงจรนิวแมติก
CARBOX NBR
ทนต่อการสึกหรอ/การเสียดสีได้ดี มีความแข็งแรงทางเคมีและเชิงกลที่ดีต่อ น้ำมันแร่ ไฮโดรคาร์บอนบางชนิด และตัวทำละลายอัลคาลีน อุณหภูมิการทำงาน (°C): -10 / +82 ไม่เหมาะสำหรับอะซิโตน คีโตน ไนเตรต และไฮโดรคาร์บอนคลอรีน
ฝุ่นและของไหลที่กัดกร่อน
HNBR
ทนต่อการสึกหรอ/การเสียดสีได้ดี มีความแข็งแรงทางเคมีและเชิงกลที่ดีต่อ น้ำมันแร่ ไฮโดรคาร์บอนบางชนิด และตัวทำละลายอัลคาลีน อุณหภูมิการทำงาน (°C): -20 / +120 ไม่เหมาะสำหรับอะซิโตน คีโตน ไนเตรต และไฮโดรคาร์บอนคลอรีน
การใช้งานทั่วไป, อากาศอัด, น้ำเย็น, ของไหลไฮดรอลิก, มีเทน, บิวเทน, น้ำมันปิโตรเลียม, น้ำทะเล และวัสดุที่สึกกร่อนสำหรับวงจรนิวแมติก
FKM
มีความแข็งแรงทางเคมีและเชิงกลยอดเยี่ยมต่อความร้อน ปัจจัยทางบรรยากาศ และตัวทำละลายเบนซอยิก ป้องกันการรั่วไหลของแก๊ส ไม่เหมาะสำหรับไอน้ำและน้ำเดือด อุณหภูมิการทำงาน (°C): -10 / +190
ตัวทำละลาย (ยกเว้นอะซิติก), ไฮโดรคาร์บอนแข็ง, เชื้อเพลิงออกซิไดซ์, กรด, เบส, ของไหลไฮดรอลิก, น้ำมัน
ซิลิโคนทนความร้อนสูง
มีความแข็งแรงทางเคมีและเชิงกลยอดเยี่ยมต่อไอน้ำและน้ำร้อนเกินจุดเดือด (150°C) อุณหภูมิการทำงาน (°C): -25 / +160
อากาศหรือแก๊สเฉื่อยร้อน (ขีดจำกัดอุณหภูมิ (°C): +180), อุตสาหกรรมอาหาร, น้ำ, ไอน้ำ
PTFE ON EPDM
มีความแข็งแรงทางเคมียอดเยี่ยมต่อสารละลายและผลิตภัณฑ์กัดกร่อน ไม่เหมาะสำหรับของไหลที่กัดกร่อน ของโลหะอัลคาไลน์ (โพแทสเซียม, โซเดียม) และฟลูออรีนในรูปก๊าซ อุณหภูมิการทำงาน (°C): -25 / +135
ผลิตภัณฑ์กัดกร่อนสูงสำหรับอุตสาหกรรมเคมีและอุตสาหกรรมอาหาร
หมายเหตุ: ตารางด้านบนแสดงคุณสมบัติและการใช้งานทั่วไปของผลิตภัณฑ์ “OMAL” ทั้งหมด อย่างไรก็ตาม หากเกิดสถานการณ์ที่ไม่ปกติ (เช่น การใช้งานพิเศษ การสัมผัสของไหลเฉพาะ ความดันหรืออุณหภูมิที่สูงผิดปกติ ฯลฯ) ปัจจัยที่กำหนดการกัดกร่อนและการสึกหรออาจเปลี่ยนแปลง และส่งผลต่อประสิทธิภาพของโลหะด้วย การเลือกวัสดุที่เหมาะสมขึ้นอยู่กับลูกค้าเป็นหลัก แต่ฝ่ายเทคนิคของเราพร้อมที่จะตอบสนองความต้องการของลูกค้าทุกคน

    แรงบิดเริ่มต้น (Nm)
ขนาด
DN 40 1"1/2
DN 50
2"
DN 65 2"1/2
DN 80
3"
DN 100
4"
DN 125
5"
DN 150
6"
DN 200
8"
DN 250
10"
DN 300
12"
DN 350
14"
DN 400
16"
DN 450
18"
DN 500
20"
DN 600
24"

PN 10 บาร์







109
145
218
340
510
680
1020
1300
PN 16 บาร์
18
18
25
27
35
52
72
142
170
250







ค่าแรงบิดอาจแตกต่างกันตามอุณหภูมิและชนิดของของไหล ต้องใช้ค่าความปลอดภัย 1.4 แรงบิดอาจลดลงเมื่อมีการใช้งานบ่อยครั้ง การคำนวณขนาดของแอคชูเอเตอร์/วาล์วที่แสดงในหน้าต่อไปนี้ อ้างอิงจากวาล์วที่ใช้กับของเหลวหรือก๊าซที่สะอาดและอยู่ในอุณหภูมิปานกลาง หากต้องการข้อมูลเพิ่มเติมหรือการใช้งานอื่น โปรดติดต่อฝ่ายเทคนิคของเรา

แผนภูมิความสูญเสียความดัน–อัตราการไหล

ตัวอย่างความสัมพันธ์ระหว่างการไหล–ความดันและความดันตกคร่อมในวาล์วขนาด 6” (DN 150) ที่มีอัตราการไหลของน้ำ 0,1 m³/s และมุมการหมุน 90°:

  1. กำหนดจุดที่เส้นอัตราการไหลของวาล์วตัดกับเส้นเส้นผ่านศูนย์กลางของวาล์ว

  2. ลากเส้นตั้งจากจุดดังกล่าวขึ้นไปจนถึงเส้นตรง 90° จากนั้นลากเส้นนอนจากจุดนั้นไปยังสเกลความสูญเสียความดัน–การไหล เพื่ออ่านค่าที่ต้องการ (0,038 bar)

  3. จากจุดในข้อ 1 เลื่อนลงไปยังสเกลความเร็วของของไหลเพื่ออ่านค่าความเร็วของของไหล (5 m/s)

คำแนะนำการติดตั้ง

เมื่อทำการติดตั้งวาล์ว ระยะห่างระหว่างหน้าแปลนต้องพอเหมาะเพื่อให้สามารถตรวจสอบได้ โดยไม่ให้เกิดการสัมผัสกันระหว่างหน้าแปลนกับซีลกั้น ขณะเดียวกัน แผ่นดิสก์ของบัตเตอร์ฟลายวาล์วควรอยู่ในตำแหน่ง “ปิดครึ่งหนึ่ง”

หลังจากใส่วาล์วเข้าไประหว่างหน้าแปลนแล้ว แต่ก่อนที่จะขันสกรูให้แน่น แผ่นดิสก์ของบัตเตอร์ฟลายวาล์วต้องถูกปรับให้อยู่ในตำแหน่ง “เปิด” มิฉะนั้น อาจทำให้ซีลเสียหายหรือเสียรูปถาวรขณะทำการปิดวาล์วได้

ตัวอย่างการติดตั้งที่ไม่ถูกต้อง: หน้าแปลนไม่ได้ถูกเปิดกว้างเพียงพอ และอาจทำให้ซีลเสียหายได้

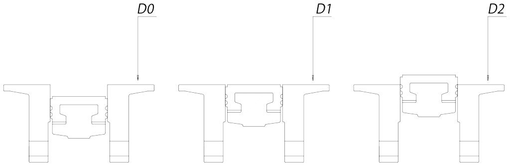
วาล์วผีเสื้อ OMAL ถูกประกอบเข้ากับท่อระหว่างหน้าแปลนโดยไม่ต้องใช้แหวนอื่น ๆ และถูกจัดศูนย์ด้วยแท่งเกลียวและสกรูยึด ขนาดเส้นผ่านศูนย์กลางของหน้าแปลนต้องเป็นไปตามค่าดังต่อไปนี้

  • D0: เส้นผ่านศูนย์กลางหน้าแปลนขั้นต่ำที่จำเป็นสำหรับการตรวจสอบวาล์ว (เมื่อวาล์วถูกจัดศูนย์อย่างสมบูรณ์)

  • D1: เส้นผ่านศูนย์กลางหน้าแปลนสูงสุดที่อนุญาตให้ใช้งานได้ดีที่สุด

  • D2: เส้นผ่านศูนย์กลางหน้าแปลนสูงสุดที่อนุญาตให้ใช้งานได้ในความดันต่ำ

หากต้องการข้อมูลเพิ่มเติม กรุณาติดต่อฝ่ายเทคนิคของเรา

ขนาดหน้าแปลน
 ส้นผ่านศูนย์กลาง
DN 40
DN 50
DN 65
DN 80
DN 100
DN 125
DN 150
DN 200
DN 250
DN 300
DN 350
DN 400
DN 450
DN 500
DN 600
D0 [mm]
30
36
51
67
93
119
143
196
247
297
329
376
426
475
573
D1 [mm]
45
57
69
82
107
133
154
206
257
310
338
390
441
492
596
D2 [mm]
51
68
80
93
116
148
170
221
276
327
346
399
450
500
602

 ใบรับรอง

 คำแนะนำ

 คู่มือ

กำหนดค่า ไดรฟ์
เลือกมาตรฐานการค้นหา
ค้นหารายการ
ปิด X

กิจกรรมถัดไป

Hyvolution 2026
Hyvolution 2026
Paris, France - 27-29 january 2026