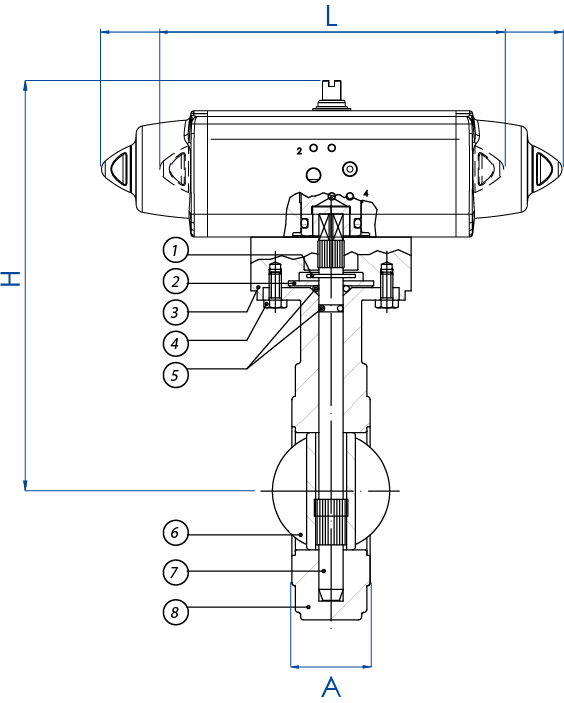
CAST IRON BUTTERFLY VALVES (วาล์วผีเสื้อเหล็กหล่อ) OTHER BUTTERFLY VALVES (วาล์วผีเสื้ออื่น ๆ) Download General catalogue ดาวน์โหลด Actuator Accessories Catalogue การถอดรหัส MAGNUM & THOR กำหนดค่าผลิตภัณฑ์ของคุณ ดาวน์โหลดไฟล์ 2D และ 3D ในหลายรูปแบบ ดาวน์โหลด Sales conditions มาโคร วาล์วผีเสื้อ หมวดหมู่ Other butterfly valves (วาล์วผีเสื้ออื่น ๆ) วาล์วผีเสื้อแบบ “โลหะต่อโลหะ” สำหรับติดตั้งระหว่างหน้าแปลน ชนิด “Wafer”รายการ 270ตัวเรือน: เหล็กหล่อแผ่นวาล์ว: เหล็กหล่อ*รายการ 474ตัวเรือน: CF8Mแผ่นวาล์ว: CF8M กำหนดค่า ระบบขับเคลื่อน ขอข้อมูล พิมพ์หน้าเว็บ ดาวน์โหลดแค็ตตาล็อก OTHER BUTTERFLY VALVES (วาล์วผีเสื้ออื่น ๆ) คุณลักษณะ ขนาด วัสดุ รูปแบบมาตรฐาน:- วาล์วรุ่น 270: ตัวเรือนและแผ่นวาล์วทำจากเหล็กหล่อ*- วาล์วรุ่น 474: ตัวเรือนและแผ่นวาล์วทำจาก CF8M• ช่วงขนาดที่มีจำหน่าย: ตั้งแต่ DN 40 ถึง DN 200 (ขนาดอื่นสามารถสั่งได้) PN10 - PN16 - ANSI 150• หน้าแปลนมาตรฐาน: PN10 - PN16 - ANSI 150• ระยะหน้าชนตามมาตรฐาน ISO 5752• หัววาล์วตามมาตรฐาน ISO 5211• วาล์วแบบโลหะต่อโลหะเหมาะสำหรับไอเสียจากก๊าซ เตาอุตสาหกรรม ช่องระบายควัน และโรงไฟฟ้าร่วมผลิต: ตั้งแต่อุณหภูมิ -10°C ถึง +180°C สำหรับรุ่นเหล็กหล่อ และ -50°C ถึง +180°C สำหรับรุ่น CF8M• ความดันใช้งาน: PN 16 บาร์ สำหรับ DN 40÷200• การรั่วของวาล์วประมาณ 1.5-2%*รุ่น CF8M สำหรับวาล์วขนาดไม่เกิน DN100 ตามคำขอพิเศษ:• รุ่นตั้งแต่ DN 40 ถึง DN 600: เหล็กหล่อ -10°C/+350°C, CF8M -50°C/+600°C• สำหรับข้อมูลเพิ่มเติม โปรดติดต่อฝ่ายเทคนิคของเรา การรับรอง:การกำหนดค่า ATEX ตามมาตรฐาน 2014/34/EU สามารถระบุได้ในขณะสั่งซื้อ พร้อมแอคชูเอเตอร์นิวเมติกแบบ DADN [มม.][นิ้ว]รหัสรายการแอคชูเอเตอร์ชุดติดตั้งL [มม.]H [มม.]A [มม.]กก.DN 401" 1/2DG*XM68DAN0015411SKCNADDD5438159,0272,2334,2DN 502"DG*XM69DAN0015411SKCNADDD5438159,0288,2435,7DN 652" 1/2DG*XM70DAN0015411SKCNADDD5439159,0293,2466,7DN 803"DG*XM71DAN0030411SKCNCDDD5440174,2308,2467,7DN 1004"DG*XM72DAN0030411SKCNCDDD5440174,2326,2529,2DN 1255"DG*XM73DAN0030411SKCNCDDD5442174,2345,25610,8DN 1506"DG*XM74DAN0030411SKCNCDDD5442174,2354,25611,8DN 2008"DG*XM75DAN0060412SKCNDDDD5444198,0405,46018,7พร้อมแอคชูเอเตอร์นิวเมติกแบบ SR (สปริงรีเทิร์น)DN [มม.][นิ้ว]รหัสรายการแอคชูเอเตอร์ชุดติดตั้งL [มม.]H [มม.]A [มม.]กก.DN 401" 1/2SG*XM68SRN0015401SKCNADDD5438233,2279,2334,7DN 502"SG*XM69SRN0015401SKCNADDD5438233,2295,2436,2DN 652" 1/2SG*XM70SRN0015401SKCNADDD5439233,2300,2467,2DN 803"SG*XM71SRN0030402SKCNCDDD5441258,8319,4468,6DN 1004"SG*XM72SRN0030402SKCNCDDD5441258,8337,45210,1DN 1255"SG*XM73SRN0030402SKCNCDDD5443258,8356,45611,7DN 1506"SG*XM74SRN0030402SKCNCDDD5443258,8365,45612,7DN 2008"SG*XM75SRN0060401SKCNDDDD5445338,5422,06020,4* = 270 วาล์วเหล็กหล่อ * = 474 วาล์ว CF8Mการเลือกขนาดแอคชูเอเตอร์นิวเมติกคำนวณจากความดันต่ำสุด 5,6 บาร์จี รายการ 270-474 วัสดุ1) แหวนล็อกนิรภัยเหล็กชุบนิกเกิล2) แหวนรองเหล็กชุบนิกเกิล3) อะแดปเตอร์อะลูมิเนียมพ่นสี4) สกรูเหล็กชุบนิกเกิล5) โอริงFKM6) แผ่นวาล์วผีเสื้อเหล็กหล่อกราไฟต์ทรงกลม GGG50 - CF8M7) เพลาขับสแตนเลส 420 - สแตนเลส 3038) ตัวเรือนเหล็กหล่อกราไฟต์ทรงกลม GGG50 - CF8M กำหนดค่า ไดรฟ์ เลือกมาตรฐานการค้นหา -- ไดรฟ์ -- เพลาฟรี คันโยก กระปุกเกียร์ แอคชูเอเตอร์ลมแบบ DA แอคชูเอเตอร์ลมแบบ SR ค้นหารายการ