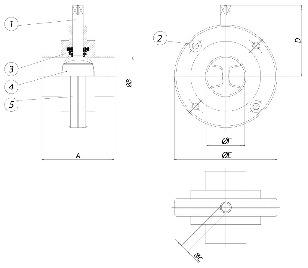
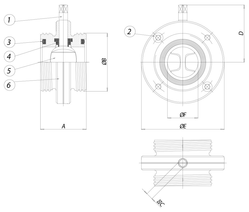
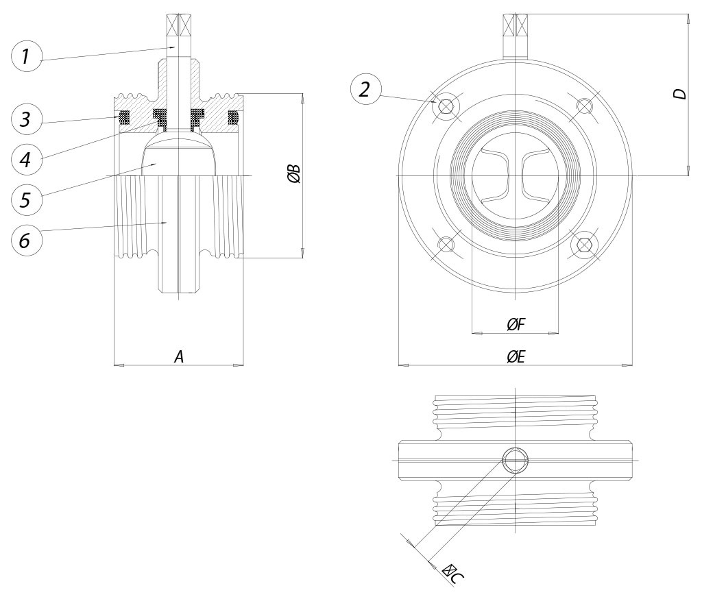
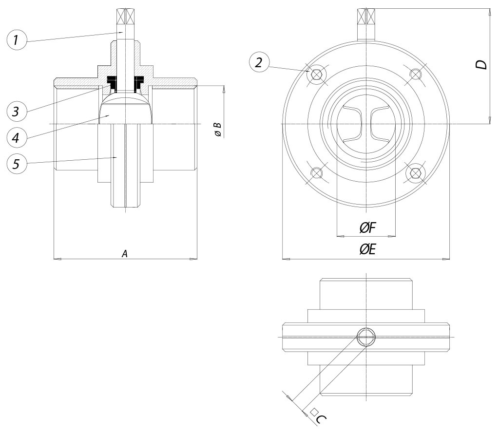
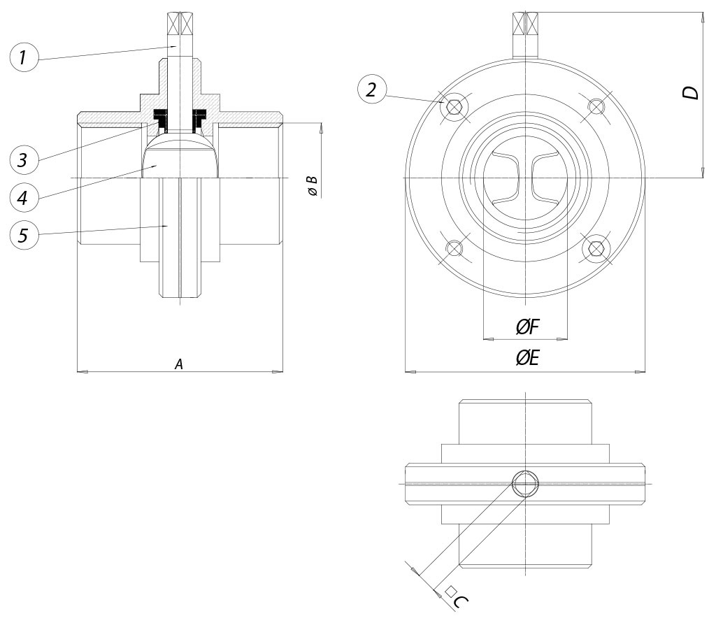
CAST IRON BUTTERFLY VALVES (วาล์วผีเสื้อเหล็กหล่อ) OTHER BUTTERFLY VALVES (วาล์วผีเสื้ออื่น ๆ) Download General catalogue ดาวน์โหลด Actuator Accessories Catalogue การถอดรหัส MAGNUM & THOR กำหนดค่าผลิตภัณฑ์ของคุณ ดาวน์โหลดไฟล์ 2D และ 3D ในหลายรูปแบบ ดาวน์โหลด Sales conditions มาโคร วาล์วผีเสื้อ หมวดหมู่ Other butterfly valves (วาล์วผีเสื้ออื่น ๆ) วาล์วผีเสื้อสแตนเลส พร้อมปลายเกลียว ISO 228/1, ปลายเชื่อมชน และปลายแบบ DIN 11851รายการ 490ข้อต่อ: เกลียว ISO 228/1วัสดุ: สแตนเลส 304รายการ 492ข้อต่อ: DIN 11851วัสดุ: สแตนเลส 304รายการ 493ข้อต่อ: DIN 11850 ซีรีส์ 1วัสดุ: สแตนเลส 304 กำหนดค่า ระบบขับเคลื่อน ขอข้อมูล พิมพ์หน้าเว็บ ดาวน์โหลดแค็ตตาล็อก OTHER BUTTERFLY VALVES (วาล์วผีเสื้ออื่น ๆ) คุณลักษณะ ขนาด วัสดุ แผนภาพและแรงบิดเริ่มต้น รูปแบบมาตรฐาน:• วาล์วผลิตจากสแตนเลส 304 (ซีรีส์ 490-492-493) และสแตนเลส 316L (ซีรีส์ 494)• วาล์วเหมาะสำหรับอุตสาหกรรมอาหาร• อุณหภูมิการทำงาน: 0°C ถึง +150°C• ความดันการทำงาน: PN 6• ช่วงของของไหล: สำหรับอุตสาหกรรมอาหาร• การเชื่อมต่อ:เกลียว GAS ตามมาตรฐาน DIN/ISO 228/1เกลียว DIN 11851 สำหรับอุตสาหกรรมอาหารเชื่อมชนตามมาตรฐาน DIN 11850-1แคลมป์ BS 4825 (DIN 32676 ซีรีส์ C)• การเคลือบผิว: ขัดเงา ตามคำขอพิเศษ:• เกลียวมาตรฐาน SMS 1146• เกลียว MACON• แคลมป์ DIN 32676 ซีรีส์ A• แคลมป์ ISO 2852• สำหรับการใช้งานอื่น ๆ โปรดติดต่อฝ่ายขายของเรา ITEM 490 ITEM 492 ITEM 493 รายการ 490 ISO 228/1 มิติ มิติAØB□CDøEøFDN [mm][inch]DN 251"68289587925DN 321" 1/476349638532DN 401" 1/276409659240DN 502"805297110550DN 652" 1/2827098112565DN 803"8485118813780DN 1004"8810411100157100 รายการ 492 DIN 11851 มิติ มิติAØB□CDøEøFDN [mm][inch]DN 251"6852X1/69587925DN 321" 1/47658X1/69638532DN 401" 1/27665x1/69659240DN 502"8078X1/697110550DN 652" 1/28295x1/698112565DN 803"84110X1/4118813780DN 1004"88130X1/411100157100 รายการ 493 DIN 11850 ซีรีส์ 1 มิติมิติAØB□CDøEøFDN [mm][inch]DN 251"68299587925DN 321" 1/476359638531DN 401" 1/276419659237DN 502"805397110549DN 652" 1/2827098112566DN 803"8485118813781DN 1004"8810411100157100 ITEM 490 ITEM 492 ITEM 493 รายการ 490 ISO 228/1 รายการ 490 ISO 228/1 วัสดุ1เพลาสแตนเลส 3041.4301UNI X5CrNi 18 102สกรูสแตนเลส 3041.4301UNI X5CrNi 18 103*ซีลภายในซิลิโคน4แผ่นวาล์วCF8M1.4301UNI X5CrNi 18 105ปลายต่อสแตนเลส 3041.4301UNI X5CrNi 18 10* ชิ้นส่วนในชุดอะไหล่ KGBV70... รายการ 492 DIN 11851 รายการ 492 DIN 11851 วัสดุ1เพลาสแตนเลส 3041.4301UNI X5CrNi 18 102สกรูสแตนเลส 3041.4301UNI X5CrNi 18 103**ซีลซิลิโคน4*ซีลภายในซิลิโคน5แผ่นวาล์วCF8M1.4301UNI X5CrNi 18 106ปลายต่อสแตนเลส 3041.4301UNI X5CrNi 18 10* ที่นั่งหลักในชุดอะไหล่** ส่วนประกอบในชุดอะไหล่ครบชุด รายการ 493 DIN 11850 ซีรีส์ 1 รายการ 493 DIN 11850 ซีรีส์ 1 วัสดุ1เพลาสแตนเลส 3041.4301UNI X5CrNi 18 102สกรูสแตนเลส 3041.4301UNI X5CrNi 18 103*ซีลภายในซิลิโคน4แผ่นวาล์วCF8M1.4301UNI X5CrNi 18 105ปลายต่อสแตนเลส 3041.4301UNI X5CrNi 18 10* ชิ้นส่วนในชุดอะไหล่ KGBV70... แรงบิดเริ่มต้น Nm ขนาดDN 251"DN 32 1"1/4DN 40 1"1/2DN 502"DN 65 2"1/2DN 803"DN 1004"PN 6 บาร์791518294365แรงบิดอาจเปลี่ยนแปลงได้ตามอุณหภูมิและชนิดของของไหล ควรใช้ค่าสัมประสิทธิ์ความปลอดภัย 1.4 แรงบิดอาจลดลงเมื่อมีการใช้งานบ่อยครั้ง การเลือกขนาดของแอคชูเอเตอร์/วาล์วที่แสดงไว้ในหน้าถัดไปนั้นอ้างอิงสำหรับวาล์วที่ใช้กับของเหลวหรือของไหลที่เป็นก๊าซที่สะอาด และอุณหภูมิปานกลาง สำหรับข้อมูลเพิ่มเติมหรือการใช้งานที่แตกต่าง โปรดติดต่อฝ่ายเทคนิคของเรา กำหนดค่า ไดรฟ์ เลือกมาตรฐานการค้นหา -- ไดรฟ์ -- เพลาอิสระ เกลียว DIN 11851 เพลาอิสระ เกลียว DIN ISO 228/1 เพลาอิสระ แบบเชื่อมชน คันโยก DIN 11851 คันโยก DIN ISO 228/1 คันโยก แบบเชื่อมชน แอคชูเอเตอร์นิวเมติกแบบ DA รหัสสินค้า F/F GAS แอคชูเอเตอร์นิวเมติกแบบ DA รหัสสินค้า F/F DIN แอคชูเอเตอร์นิวเมติกแบบ DA รหัสสินค้า แบบเชื่อมชน แอคชูเอเตอร์นิวเมติกแบบ SR รหัสสินค้า F/F DIN แอคชูเอเตอร์นิวเมติกแบบ SR รหัสสินค้า F/F GAS แอคชูเอเตอร์นิวเมติกแบบ SR รหัสสินค้า แบบเชื่อมชน แอคชูเอเตอร์ไฟฟ้าแบบเปิด-ปิด รหัสสินค้า F/F DIN แอคชูเอเตอร์ไฟฟ้าแบบเปิด-ปิด รหัสสินค้า F/F GAS แอคชูเอเตอร์ไฟฟ้าแบบเปิด-ปิด รหัสสินค้า แบบเชื่อมชน ค้นหารายการ