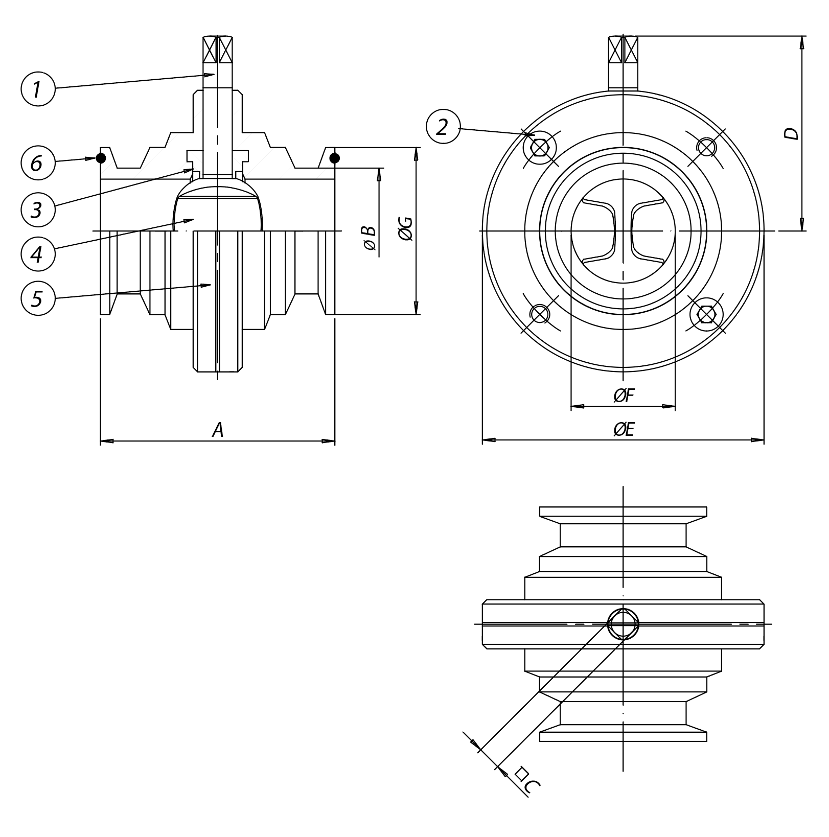
CAST IRON BUTTERFLY VALVES (วาล์วผีเสื้อเหล็กหล่อ) OTHER BUTTERFLY VALVES (วาล์วผีเสื้ออื่น ๆ) Download General catalogue ดาวน์โหลด Actuator Accessories Catalogue การถอดรหัส MAGNUM & THOR กำหนดค่าผลิตภัณฑ์ของคุณ ดาวน์โหลดไฟล์ 2D และ 3D ในหลายรูปแบบ ดาวน์โหลด Sales conditions มาโคร วาล์วผีเสื้อ หมวดหมู่ Other butterfly valves (วาล์วผีเสื้ออื่น ๆ) วาล์วผีเสื้อแบบแคลมป์ รุ่น 494 กำหนดค่า ระบบขับเคลื่อน ขอข้อมูล พิมพ์หน้าเว็บ ดาวน์โหลดแค็ตตาล็อก OTHER BUTTERFLY VALVES (วาล์วผีเสื้ออื่น ๆ) คุณลักษณะ ขนาด วัสดุ แผนภาพและแรงบิดเริ่มต้น รูปแบบมาตรฐาน:• วาล์วผลิตจากสแตนเลส 304 (ซีรีส์ 490-492-493) และสแตนเลส 316L (ซีรีส์ 494)• วาล์วเหมาะสำหรับอุตสาหกรรมอาหาร• อุณหภูมิการทำงาน: 0°C ถึง +150°C• ความดันการทำงาน: PN 6• ช่วงของของไหล: สำหรับอุตสาหกรรมอาหาร• การเชื่อมต่อ:เกลียว GAS ตามมาตรฐาน DIN/ISO 228/1เกลียว DIN 11851 สำหรับอุตสาหกรรมอาหารเชื่อมชนตามมาตรฐาน DIN 11850-1แคลมป์ BS 4825 (DIN 32676 ซีรีส์ C)• การเคลือบผิว: ขัดเงา ตามคำขอพิเศษ:• เกลียวมาตรฐาน SMS 1146• เกลียว MACON• แคลมป์ DIN 32676 ซีรีส์ A• แคลมป์ ISO 2852• สำหรับการใช้งานอื่น ๆ โปรดติดต่อฝ่ายขายของเรา วาล์วผีเสื้อแบบแคลมป์ รุ่น 494 มาตรฐาน BS 4825 (DIN 32676 ซีรีส์ C) ขนาด ขนาดแคลมป์ [inch]AØB□CDøEøFøG1"6825,49587922,150,41"1/27638,19638534,850,42"8050,897110547,5642"1/28263,597611360,277,43"8276,198112572,890,94"88101,61110015797,6118,8 แคลมป์มาตรฐาน BS 4825 (DIN 32676 ซีรีส์ C) วัสดุ1เพลาสแตนเลส 316L1.4401UNI X5CrNiMo 17 122สกรูสแตนเลส 316L1.4401UNI X5CrNiMo 17 123*ซีลภายในซิลิโคน4ดิสก์3CF3M1.4401UNI X5CrNiMo 17 125ปลายวาล์วสแตนเลส 316L1.4401UNI X5CrNiMo 17 126**ซีลแคลมป์ซิลิโคน* อะไหล่เบาะหลัก** ส่วนประกอบของชุดอะไหล่ครบชุด แรงบิดเริ่มต้น Nm ขนาดDN 251"DN 32 1"1/4DN 40 1"1/2DN 502"DN 65 2"1/2DN 803"DN 1004"PN 6 บาร์791518294365แรงบิดอาจเปลี่ยนแปลงได้ตามอุณหภูมิและชนิดของของไหล ควรใช้ค่าสัมประสิทธิ์ความปลอดภัย 1.4 แรงบิดอาจลดลงเมื่อมีการใช้งานบ่อยครั้ง การเลือกขนาดของแอคชูเอเตอร์/วาล์วที่แสดงไว้ในหน้าถัดไปนั้นอ้างอิงสำหรับวาล์วที่ใช้กับของเหลวหรือของไหลที่เป็นก๊าซที่สะอาด และอุณหภูมิปานกลาง สำหรับข้อมูลเพิ่มเติมหรือการใช้งานที่แตกต่าง โปรดติดต่อฝ่ายเทคนิคของเรา กำหนดค่า ไดรฟ์ เลือกมาตรฐานการค้นหา -- ไดรฟ์ -- เพลาขับอิสระ คันโยก ON-OFF ตัวกระตุ้นไฟฟ้า ตัวกระตุ้นลมแบบ DA ตัวกระตุ้นลมแบบ SR ค้นหารายการ