images/testate/TYwrds_Template-Header-Sito-OMAL2560x768-AGO-ok.jpg

AGO แฮนด์วีล - กระบอกลมแบบ DA พร้อมแฮนด์วีลในตัว

  • ประโยชน์
  • คุณลักษณะ
  • ขนาด
  • วัสดุ
  • ข้อกำหนดทางเทคนิค
  • อุปกรณ์เสริม
  • เอกสาร

1. แถบหล่อลื่นตัวเองแบบมีพลังงาน
ลดแรงเสียดทานระหว่างลูกสูบและกระบอก
ป้องกันการยึดติดของซีลกับกระบอกแม้ในกรณีที่ไม่ได้ใช้งานเป็นเวลานาน

2. ร่อง บุช และพิน ผลิตจากเหล็กที่มีค่าความแข็งมากกว่า 50 HRC
เพิ่มความทนทานต่อแรงภายในตัวกระตุ้น (แอคชูเอเตอร์)

3. แรงเสียดทานแบบหมุนระหว่างลูกสูบและร่อง
ลดแรงเสียดทาน

4. ระบบสก็อตยอร์กแบบแรงเสียดทานหมุน (แปลงการเคลื่อนไหวแบบหมุนให้เป็นแบบเชิงเส้นด้วยลูกสูบและเพลาโดยไม่ใช้เฟือง)
ลดแรงเสียดทานระหว่างลูกสูบและเพลา จึงทำให้การสึกหรอของชิ้นส่วนลดลง
แรงบิดเริ่มต้น (BTO และ BTC) สูงขึ้น
ขนาดเล็กกว่าตัวกระตุ้นแบบแร็คและเฟือง (ในแรงบิดเท่ากัน) จึงใช้พื้นที่ติดตั้งน้อยกว่า
น้ำหนักเบากว่าตัวกระตุ้นแบบแร็คและเฟืองประมาณ 30% (กก./นิวตันเมตร) ทำให้ประหยัดในการออกแบบโครงสร้างของระบบ/อุปกรณ์
ใช้ลมน้อยกว่าตัวกระตุ้นแบบแร็คและเฟือง (-40% ลูกบาศก์เซนติเมตร/นิวตันเมตร สำหรับชนิดทำงานสองทาง และ -20% สำหรับชนิดสปริงรีเทิร์น) ทำให้ภาระงานของคอมเพรสเซอร์ลดลง หรือสามารถใช้คอมเพรสเซอร์ขนาดเล็กลงได้

5. กระบอกม้วนขึ้นรูป
ลดการสึกหรอของแถบหล่อลื่นตัวเองเนื่องจากผิวมีความเรียบเนียนสูง

6. เพลาสแตนเลส
ทนการกัดกร่อนได้ดียิ่งขึ้น

ตั้งแต่ขนาดใหญ่กว่า DAN15 ขึ้นไป จะมีอินเทอร์เฟซ NAMUR สำหรับวาล์วโซลินอยด์ในตัว
ไม่จำเป็นต้องติดตั้งแผ่นเสริมเพิ่มเติม

กระบวนการผลิตครบวงจรภายในโรงงาน
ควบคุมและตรวจสอบความแม่นยำได้สูงสุดในทุกขั้นตอนของการผลิต

ใบรับรอง ATEX
สามารถติดตั้งได้ในพื้นที่ที่มีความเสี่ยงต่อการเกิดการระเบิด

ได้รับการรับรองสูงสุดถึงระดับ SIL 3
รับประกันความปลอดภัยการทำงานในระดับสูง

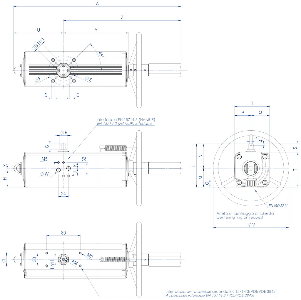
คุณสมบัติทางเทคนิค
แรงบิดตั้งแต่ 60 Nm ถึง 3840 Nm
หน้าแปลนติดตั้งตามมาตรฐาน EN ISO 5211
F05 - F07 - F10 - F12 - F14 - F16
เป็นไปตามมาตรฐาน EN 15714-3
มุมการหมุน: 92° (-1°, +91°)
แรงบิด: แปรผันตรงกับแรงดันอากาศ (ดูตารางประกอบ)
หมายเลขรหัสหลังตัวอักษร DANV สอดคล้องกับค่าแรงบิดเริ่มต้น (breakaway torque) หน่วย Nm ที่แรงดันอากาศ 5.6 bar
เวอร์ชัน ATEX เป็นไปตามข้อกำหนดของ Directive 2014/34/EU กรุณาเพิ่มรหัส YX ต่อท้ายรหัสสินค้าเพื่อระบุรุ่น ATEX

สภาวะการทำงาน
อุณหภูมิ: ตั้งแต่ -20°C ถึง +80°C (รุ่นพิเศษ: อุณหภูมิสูง -20°C ถึง +150°C; อุณหภูมิต่ำ -50°C ถึง +60°C)
แรงดันอากาศ: 5.6 bar; สูงสุด 8.4 bar
สื่อกระตุ้นการทำงาน: อากาศอัดแห้งที่ผ่านการกรอง ไม่จำเป็นต้องมีการหล่อลื่น
ในกรณีที่ใช้อากาศหล่อลื่น ต้องใช้น้ำมันที่ไม่มีสารซักฟอกและเข้ากันได้กับ NBR

เมื่อมีการร้องขอ กระบอกลมแบบหมุน 1/4 รอบ สามารถติดตั้งแฮนด์วีลแบบมือหมุนได้
อุปกรณ์นี้สามารถติดตั้งรวมกับทั้งรุ่น Double Acting และรุ่น Spring Return ได้
เพื่อให้ระบบทำงานได้อย่างถูกต้องและเพื่อความปลอดภัยของอุปกรณ์ ต้องตัดการเชื่อมต่อกระบอกลมออกจากแหล่งจ่ายอากาศอัดก่อนดำเนินการใด ๆ ด้วยแฮนด์วีลแบบมือหมุน
แฮนด์วีลแบบมือหมุนจะทำงานผ่านระบบส่งกำลังหลักของกระบอกลม และเมื่อใช้แรงบิดกับแฮนด์วีลตามมาตรฐาน EN 12570 จะให้แรงบิดขาออกเท่ากับค่าแรงบิดมาตรฐานของกระบอกลม

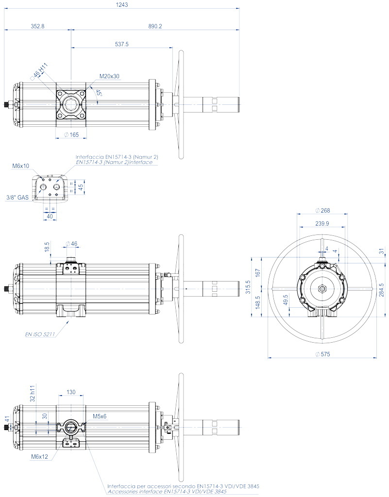
DANV 60 ÷ DANV 1920

แผ่นข้อมูลทางเทคนิค DANV 60 ÷ DANV 480
รหัสDANV0060411SDANV0060412SDANV0106411SDANV0120411SDANV0180411SDANV0240411SDANV0360411SDANV0480411S
ชุดซีลสำรองKGGI0016VXKGGI0016VXKGGI0060VXKGGI0018VXKGGI0019VXKGGI0020VXKGGI0021VXKGGI0022VX
ขนาดDANV 60DANV 60DANV 106DANV 120DANV 180DANV 240DANV 360DANV 480
ISOF04F05/F07F05/F07F05/F07F07/F10F07/F10F07/F10F10/F12
A362,3362,3397,8410,5483510,5567,6634,4
B1414171722222227
C x ความลึกM5x8M6x9M6x9M6x9M8x12M8x12M8x12M10x15
D x ความลึก-M8x12M8x12M8x12M10x15M10x15M10x15M12x18
E42505050707070102
F-707070102102102125
G1313131316171919
H33,733,740,842,852,556,15857,4
J1818181818181816
K1414141414141416
I1010121215151919
L90,490,4103,3107137,5141,1148164,9
M37,737,744,846,856,560,16272,9
N52,752,758,560,281818692
O16,516,519,319,324,824,824,329,5
P32,732,738,540,251515662
Q37,737,744,846,856,560,16272,9
R14,514,516,21820,222,525,529
S2020202030303030
T70,470,483,387107,5111,1118134,9
U9999118,5122,1144,9156,8169,6193,8
V180180180180220220300300
W (เกลียวแก๊ส)1/8"1/8"1/8"1/8"1/8"1/8"1/8"1/4"
X4444444-
Y137,6137,6154,8163,9183,5199,1220,8236,4
Z263,3263,3279,3288,4338,1353,7398440,6
Ch1313171722222227
จำนวนรอบการหมุน*1111131416181516
น้ำหนัก (กก.)2,82,844,56810,213,2
อากาศ (dm3/รอบ)0,30,30,70,591,21,652,33,2

* จำนวนรอบโดยทฤษฎีสำหรับการปิด/เปิด โดยเริ่มจากตำแหน่งกึ่งกลาง

แผ่นข้อมูลทางเทคนิค DANV 720 ÷ DANV 1920
รหัส
DANV0720411SDANV0960411SDANV0960412SDANV1440411SDANV1440412SDANV1920411SDANV1920412S
ชุดซีลสำรอง
KGGI0023VXKGGI0024VXKGGI0025VXKGGI0026VX
ขนาด
DANV 720DANV 960DANV 1440DANV 1920
ISOF10/F12F10/F12F14F14F12F14F12/F16
A720,1758758919,9919,9954,1954,1
B27363636364646
C x ความลึกM10x15M10x15M16x24M16x24M12x18M16x24M12x18
D x ความลึกM12x18M12x18----M20x30
E102102140140125140125
F125125----165
G19,519,519,519,519,518,518,5
H61,5787886,586,599,299,2
J16161616161616
K16161616161616
I22242427273232
L178198198216216237,7237,7
M78,593,593,5101,5101,5114,7114,7
N99,5104,5104,5114,5114,5123123
O29,538,538,538,538,548,548,5
P69,574,574,584,584,59393
Q78,593,593,5101,5101,5114,7114,7
R31,836,536,541414646
S30303030303030
T148168168186186207,7207,7
U216,6239,7239,7283,5283,5300,4300,4
V350350350400400400400
W (เกลียวแก๊ส)1/4"1/4"1/4"1/4"1/4"1/4"1/4"
X-------
Y282,3297,1297,1365,6365,6382,9382,9
Z503,5518,3518,3636,4636,4653,7653,7
Ch27272736363636
จำนวนรอบการหมุน*
19202526
น้ำหนัก (Kg)17,823,833,643
อากาศ (dm3/รอบ)4,66,059,712,9

* จำนวนรอบโดยทฤษฎีสำหรับการปิด/เปิด โดยเริ่มจากตำแหน่งกึ่งกลาง

DANV 3840

แผ่นข้อมูลทางเทคนิค DANV 3840
รหัส
DANV3840E1600A
ชุดซีลสำรอง
KGGI0130VX
ขนาด
DANV 3840
ISO
F16
จำนวนรอบการหมุน*
30
น้ำหนัก (กก.)
75
อากาศ (dm³/รอบ)
24,3

* จำนวนรอบโดยทฤษฎีสำหรับการปิด/เปิด โดยเริ่มจากตำแหน่งกึ่งกลาง

ส่วนประกอบของกระบอกลมแบบดับเบิลแอคติ้งพร้อมแฮนด์วีลในตัว - ขนาด: ถึงรุ่น DANV1920

วัสดุสำหรับรุ่นถึง DANV1920
ตำแหน่งชื่อชิ้นส่วนจำนวนวัสดุ
1สกรู1สเตนเลส
2*แหวนรองสำหรับตลับลูกปืนลูกกลิ้ง4เหล็กกล้าอัลลอย
3*ตลับลูกปืนลูกกลิ้ง2เหล็กกล้าอัลลอย
4หน้าแปลน1อะลูมิเนียมอัลลอย
5แหวนศูนย์กลาง (เฉพาะรุ่น DANV720)1อะลูมิเนียมอัลลอย
6*โอริง (เฉพาะรุ่น DANV720)1ยางไนไตรล์
7*โอริง2ยางไนไตรล์
8*โอริง1ยางไนไตรล์
9*โอริง1ยางไนไตรล์
10*โอริง1ยางไนไตรล์
11สกรู1สเตนเลส
12สปริง1สเตนเลส
13แหวนเว้นระยะกระบอก1อะลูมิเนียมอัลลอย
14*โอริง1ยางไนไตรล์
15*ฝาครอบซีล1ทองเหลือง+ยางไนไตรล์
16ฝาครอบ (ดัดแปลง)1อะลูมิเนียมอัลลอย
17สกรู4สเตนเลส
18*โอริง1ยางไนไตรล์
19แฮนด์วีลสำหรับขับเคลื่อน1เหล็กกล้าอัลลอย
20สกรูตั้ง2สเตนเลส
21ท่อป้องกัน1อะลูมิเนียมอัลลอย
22ท่อใส1พีวีซี
23ฝาครอบป้องกัน1อะลูมิเนียมอัลลอย
24ลิ่ม1เหล็กกล้าอัลลอย
25*หมุดย้ำ1เหล็กกล้าอัลลอย
26*ตัวบ่งชี้1โพลิโพรพิลีน
27น็อตตัวนำสำหรับขับเคลื่อน1เหล็กกล้าอัลลอย
28บูชเกลียว (เฉพาะรุ่น DANV480)2สเตนเลส
29ฝาครอบสปริงพิเศษ1อะลูมิเนียมอัลลอย
30พิน1เหล็กกล้าอัลลอย
31สกรูขับเคลื่อน1เหล็กกล้าอัลลอย
32*ซีลไดนามิก (ลูกสูบ)2โพลียูรีเทน
33*โอริงลูกสูบ2ยางไนไตรล์
34ลูกสูบ (ดัดแปลง)1อะลูมิเนียมอัลลอย
35*แผ่นรองลูกสูบ4พีทีเอฟอีอัดคาร์โบ-กราไฟต์
36บูช2เหล็กกล้าอัลลอย
37ปลอกหมุน2เหล็กกล้าอัลลอย
38*บอนด์ซีล2เหล็กกล้าอัลลอย+ยางไนไตรล์
39สกรู2สเตนเลส
40สก็อตช์โยก1เหล็กกล้าอัลลอย
41บ่ารองเพลา1เรซินอะซีตัล
42พินยืดหยุ่นภายนอกของโยก1เหล็กกล้าอัลลอย
43พินยืดหยุ่นภายในของโยก1เหล็กกล้าอัลลอย
44เพลา1สเตนเลส
45บูชรองรับ1เรซินอะซีตัล
46ซีลเพลาล่าง1เอฟเคเอ็ม
47กระบอก1อะลูมิเนียมอัลลอย
48ซีลเพลาบน1เอฟเคเอ็ม
49แหวนรองรับด้านนอก1เรซินอะซีตัล
50แหวนรอง1สเตนเลส
51แหวนล็อก1สเตนเลส
52ลูกสูบ (มาตรฐาน)1อะลูมิเนียมอัลลอย
53*โอริงฝาครอบ1ยางไนไตรล์
54ฝาครอบ (มาตรฐาน)1อะลูมิเนียมอัลลอย
55สกรู4สเตนเลส
56*โอริง1ยางไนไตรล์
57สกรูหัวจม1สเตนเลส
58นอต1อะลูมิเนียมอัลลอย
59ชิ้นสอดสำหรับโอริง (เฉพาะรุ่น DANV106-240-360-720)1สเตนเลส
* ชิ้นส่วนที่รวมอยู่ในชุดอะไหล่

ส่วนประกอบของกระบอกลมแบบดับเบิลแอคติ้งพร้อมแฮนด์วีลในตัว – ขนาด: DANV3840

วัสดุ DANV3840
ตำแหน่งชื่อชิ้นส่วนจำนวนวัสดุ
1กระบอกสูบ1อะลูมิเนียมอัลลอย
2กระบอกสูบ1อะลูมิเนียมอัลลอย
3กระบอกสูบ1อะลูมิเนียมอัลลอย
4ฝาครอบ (มาตรฐาน)1อะลูมิเนียมอัลลอย
5*โอริง1ยางไนไตรล์
6น็อต1สเตนเลส
7สกรูตัวหนอน1สเตนเลส
8ลูกสูบ (มาตรฐาน)1อะลูมิเนียมอัลลอย
9 บูช2เหล็กอัลลอย
10*ตัวรองรับลูกสูบ4เรซินอะซีทาลิก
11หมุด2เหล็กอัลลอย
12ปลอกหมุน2เหล็กอัลลอย
13สก็อตช์โยก1เหล็กอัลลอย
14เพลา1สเตนเลส
15บูชรองรับ1เรซินอะซีทาลิก
16ตัวรองรับเพลา1เรซินอะซีทาลิก
17*โอริงฝาครอบ1ยางไนไตรล์
18*บูชรองเพลา (ด้านล่าง)1พีทีเอฟอี เติมคาร์บอน-กราไฟต์
19*บูชรองเพลา (ด้านบน)1พีทีเอฟอี เติมคาร์บอน-กราไฟต์
20*แหวนรองรับภายนอก1เรซินอะซีทาลิก
21แหวนรอง1สเตนเลส
22*โอริง3ยางไนไตรล์
23แหวนซีเกอร์1สเตนเลส
24สกรู6สเตนเลส
25*ซีลเพลาล่าง1FKM
26*โอริงลูกสูบ2ยางไนไตรล์
27*ซีลเพลาบน1FKM
28*โอริง2ยางไนไตรล์
29*บูชเลื่อน (หัวลูกสูบ)2พีทีเอฟอี เติมคาร์บอน-กราไฟต์
30น็อต12สเตนเลส
31ลูกสูบ (ปรับปรุง)1อะลูมิเนียมอัลลอย
32*บูช (แฮนด์วีล)2โพลียูรีเทน
33ฝาครอบ (ปรับปรุง)1อะลูมิเนียมอัลลอย
34น็อตลีดสำหรับการขับด้วยมือ1เหล็กอัลลอย
35ฝาครอบสปริงพิเศษ1เหล็กอัลลอย
36*โอริง1ยางไนไตรล์
37*ตัวบอกตำแหน่ง1โพลิโพรพิลีน
38แฮนด์วีลสำหรับควบคุม1เหล็กอัลลอย
39หน้าแปลน1อะลูมิเนียมอัลลอย
40*แบริ่งรับแรงแนวแกน2เหล็กอัลลอย
41สกรู8สเตนเลส
42สกรู1สเตนเลส
43แหวนรอง1สเตนเลส
44ส้อมปิด1อะลูมิเนียมอัลลอย
45ตัวยึดส้อม1อะลูมิเนียมอัลลอย
46แหวนล็อก1สเตนเลส
47*โอริง1ยางไนไตรล์
48สกรู3สเตนเลส
49*หมุดย้ำ1สเตนเลส
50ลิ่มส่งกำลัง1สเตนเลส
51สกรู6เหล็กอัลลอย
52*โอริง1ยางไนไตรล์
53*โอริง1ยางไนไตรล์
54*โอริง1ยางไนไตรล์
55สกรู2สเตนเลส
56*บูชยางยึดติด2เหล็กอัลลอย+ยางไนไตรล์
57*โอริง1ยางไนไตรล์
58*โอริง1ยางไนไตรล์
59*ปลั๊ก2พีทีเอฟอี
60น็อต1สเตนเลส
61สกรู1สเตนเลส
62สกรูนิรภัย1สเตนเลส
63สกรูขับด้วยมือ1สเตนเลส
64ฝาครอบป้องกัน1อะลูมิเนียมอัลลอย
65หมุด1สเตนเลส
66ปลอกป้องกัน1อะลูมิเนียมอัลลอย
67ปลอกป้องกันถอดได้1อะลูมิเนียมอัลลอย
*ชิ้นส่วนของชุดอะไหล่

แอคชูเอเตอร์นิวแมติกแบบทำงานเชิงเส้น พร้อมพวงมาลัยมือในตัว

กล่องลิมิตสวิตช์ (Limit Switch Box)

ระบบควบคุมมือด้วยพวงมาลัยมือ (Manual Override with Hand Wheel)

โซลินอยด์วาล์ว NAMUR (NAMUR Solenoid Valves)

โซลินอยด์วาล์ว (Solenoid Valves)

โพซิชันเนอร์อิเล็กโทรนิวแมติก (ชนิดนิรภัยโดยธรรมชาติ – Intrinsically Safe)

โพซิชันเนอร์นิวแมติก (Pneumatic Positioner)

ลิมิตสวิตช์แบบใกล้ชิด (Proximity Limit Switches)

ลิมิตสวิตช์อิเล็กโทรแมคคานิค (Electromechanical Limit Switches)

ลิมิตสวิตช์นิวแมติก (Pneumatic Limit Switches)

ลิมิตสวิตช์กันระเบิด II2GD ExdIIC (Explosion Proof Limit Switches)

 ใบรับรอง

 คำแนะนำ

 คู่มือ

เลือก ขนาด
เลือกมาตรฐานการค้นหา
ค้นหารายการ
ปิด X

กิจกรรมถัดไป

Asia Water 2026
Asia Water 2026
Kuala Lumpur, 7-9 April 2026