1. แถบหล่อลื่นตัวเองแบบมีพลังงาน
ลดแรงเสียดทานระหว่างลูกสูบและกระบอก
ป้องกันการยึดติดของซีลกับกระบอกแม้ในกรณีที่ไม่ได้ใช้งานเป็นเวลานาน
2. ร่อง บุช และพิน ผลิตจากเหล็กที่มีค่าความแข็งมากกว่า 50 HRC
เพิ่มความทนทานต่อแรงภายในตัวกระตุ้น (แอคชูเอเตอร์)
3. แรงเสียดทานแบบหมุนระหว่างลูกสูบและร่อง
ลดแรงเสียดทาน
4. ระบบสก็อตยอร์กแบบแรงเสียดทานหมุน (แปลงการเคลื่อนไหวแบบหมุนให้เป็นแบบเชิงเส้นด้วยลูกสูบและเพลาโดยไม่ใช้เฟือง)
ลดแรงเสียดทานระหว่างลูกสูบและเพลา จึงทำให้การสึกหรอของชิ้นส่วนลดลง
แรงบิดเริ่มต้น (BTO และ BTC) สูงขึ้น
ขนาดเล็กกว่าตัวกระตุ้นแบบแร็คและเฟือง (ในแรงบิดเท่ากัน) จึงใช้พื้นที่ติดตั้งน้อยกว่า
น้ำหนักเบากว่าตัวกระตุ้นแบบแร็คและเฟืองประมาณ 30% (กก./นิวตันเมตร) ทำให้ประหยัดในการออกแบบโครงสร้างของระบบ/อุปกรณ์
ใช้ลมน้อยกว่าตัวกระตุ้นแบบแร็คและเฟือง (-40% ลูกบาศก์เซนติเมตร/นิวตันเมตร สำหรับชนิดทำงานสองทาง และ -20% สำหรับชนิดสปริงรีเทิร์น) ทำให้ภาระงานของคอมเพรสเซอร์ลดลง หรือสามารถใช้คอมเพรสเซอร์ขนาดเล็กลงได้
5. กระบอกม้วนขึ้นรูป
ลดการสึกหรอของแถบหล่อลื่นตัวเองเนื่องจากผิวมีความเรียบเนียนสูง
6. เพลาสแตนเลส
ทนการกัดกร่อนได้ดียิ่งขึ้น
ตั้งแต่ขนาดใหญ่กว่า DAN15 ขึ้นไป จะมีอินเทอร์เฟซ NAMUR สำหรับวาล์วโซลินอยด์ในตัว
ไม่จำเป็นต้องติดตั้งแผ่นเสริมเพิ่มเติม
กระบวนการผลิตครบวงจรภายในโรงงาน
ควบคุมและตรวจสอบความแม่นยำได้สูงสุดในทุกขั้นตอนของการผลิต
ใบรับรอง ATEX
สามารถติดตั้งได้ในพื้นที่ที่มีความเสี่ยงต่อการเกิดการระเบิด
ได้รับการรับรองสูงสุดถึงระดับ SIL 3
รับประกันความปลอดภัยการทำงานในระดับสูง
คุณลักษณะทางเทคนิค
แรงบิดตั้งแต่ 30 Nm ถึง 1920 Nm
หน้าแปลนยึดตามมาตรฐาน EN ISO 5211
F05 - F07 - F10 - F12 - F14 - F16
เป็นไปตามมาตรฐาน EN 15714-3
มุมการหมุน: 92° (-1°, +91°)
แรงบิด: แรงบิดขากลับขึ้นอยู่กับแรงสปริงเท่านั้น โดยไม่ขึ้นกับแรงลมอัด สปริงมีให้เลือก 4 ขนาด (ดูตาราง)
รหัสตัวเลขหลังตัวอักษร SRNV หมายถึงค่าแรงบิดเริ่มต้น (breakaway torque) หน่วย Nm ที่แรงดันลม 5.6 bar
การปิดอัตโนมัติของตัวกระตุ้น (actuator) จะเกิดขึ้นในทิศตามเข็มนาฬิกาโดยใช้แรงสปริง รุ่น ATEX เป็นไปตามข้อกำหนดของ Directive 2014/34/EU โปรดเติมรหัส YX ต่อท้ายสำหรับรุ่น ATEX
สภาวะการทำงาน
อุณหภูมิ: ตั้งแต่ -20°C ถึง +80°C (รุ่นพิเศษ: อุณหภูมิสูง -20°C ถึง +150°C; อุณหภูมิต่ำ -50°C ถึง +60°C)
แรงดันลม: 5.6 bar; สูงสุด 8.4 bar
สื่อกระตุ้น (Actuating media): อากาศอัดแห้งที่ผ่านการกรอง อาจหล่อลื่นหรือไม่ก็ได้
หากใช้อากาศหล่อลื่น ต้องใช้น้ำมันที่ไม่มีผงซักฟอกและเข้ากันได้กับ NBR
เมื่อมีการร้องขอ ตัวกระตุ้นแบบหมุนไตรมาส (quarter turn pneumatic actuator) สามารถติดตั้งพร้อมล้อมือ (handwheel) ได้
อุปกรณ์นี้สามารถติดตั้งร่วมกับรุ่นแบบ Double Acting หรือแบบ Spring Return ได้ สำหรับการทำงานที่ถูกต้องของระบบและเพื่อความสมบูรณ์ทางกลของอุปกรณ์ จำเป็นต้องตัดการเชื่อมต่อแหล่งลมอัดออกจากตัวกระตุ้นก่อนทำการใช้งานด้วยล้อมือ
ล้อมือทำงานผ่านชุดส่งกำลังกลหลักของตัวกระตุ้นนิวเมติก และเมื่อใช้แรงบิดกับล้อมือตามมาตรฐาน EN 12570 จะให้แรงบิดขาออกเท่ากับค่าแรงบิดที่กำหนดของตัวกระตุ้น
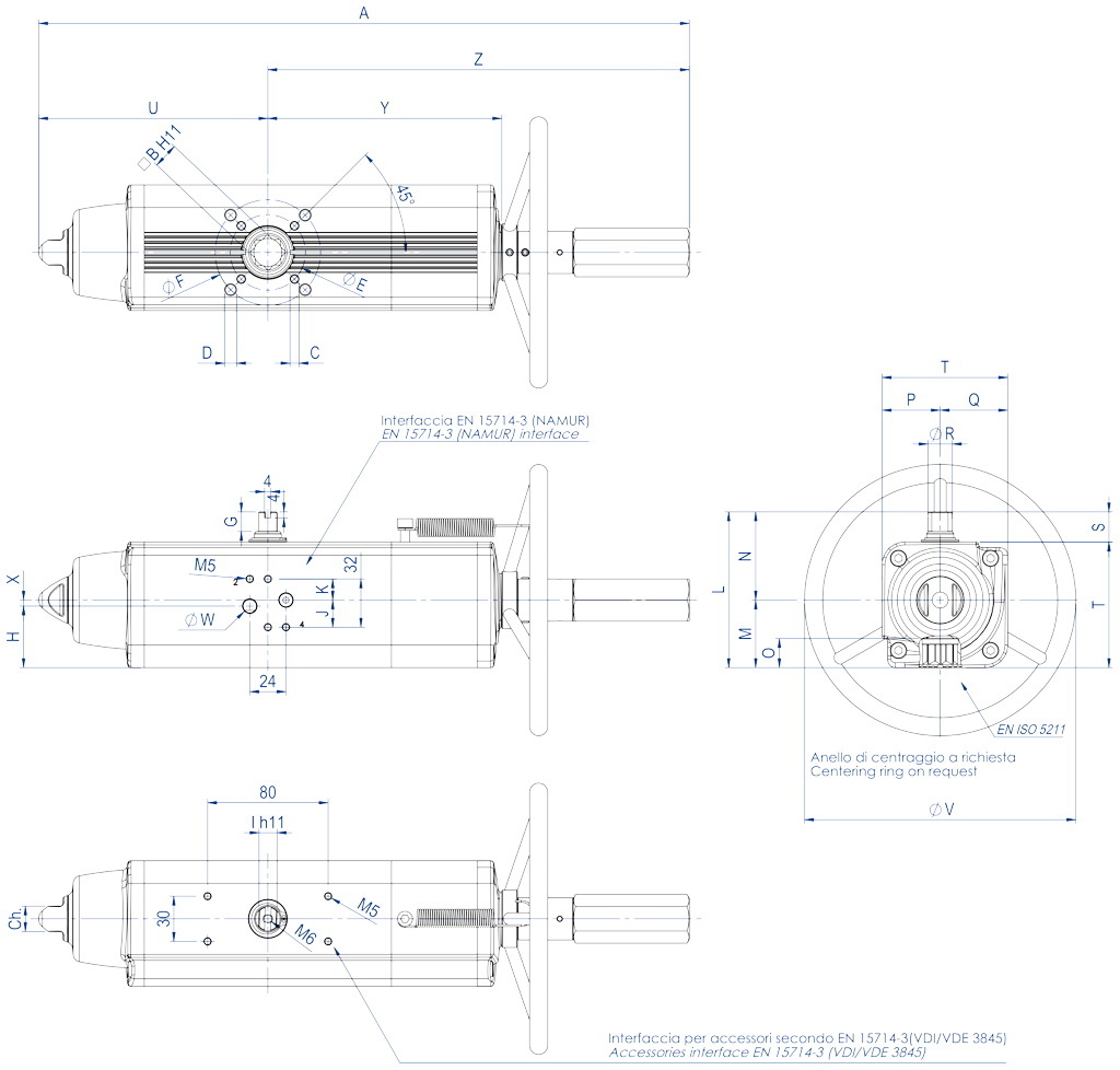
| แผ่นข้อมูลทางเทคนิค SRNV 30 ÷ SRNV 240 | ||||||||
| รหัส | SRNV0030401S | SRNV0030402S | SRNV0053401S | SRNV0060401S | SRNV0090401S | SRNV0120401S | SRNV0180401S | SRNV0240401S |
| ซีลสำรอง | KGGI0016VX | KGGI0016VX | KGGI0060VX | KGGI0018VX | KGGI0019VX | KGGI0020VX | KGGI0021VX | KGGI0022VX |
| ขนาด | SRNV 30 | SRNV 30 | SRNV 53 | SRNV 60 | SRNV 90 | SRNV 120 | SRNV 180 | SRNV 240 |
| ISO | F04 | F05/F07 | F05/F07 | F05/F07 | F07/F10 | F07/F10 | F07/F10 | F10/F12 |
| A | 392,7 | 392,7 | 431,4 | 457,7 | 534,9 | 558,5 | 635 | 700,8 |
| B | 14 | 14 | 17 | 17 | 22 | 22 | 22 | 27 |
| C x ความลึก | M5x8 | M6x9 | M6x9 | M6x9 | M8x12 | M8x12 | M8x12 | M10x15 |
| D x ความลึก | - | M8x12 | M8x12 | M8x12 | M10x15 | M10x15 | M10x15 | M12x18 |
| E | 42 | 50 | 50 | 50 | 70 | 70 | 70 | 102 |
| F | - | 70 | 70 | 70 | 102 | 102 | 102 | 125 |
| G | 13 | 13 | 13 | 13 | 16 | 17 | 19 | 19 |
| H | 33,7 | 33,7 | 40,8 | 42,8 | 52,5 | 56,1 | 58 | 57,4 |
| J | 18 | 18 | 18 | 18 | 18 | 18 | 18 | 16 |
| K | 14 | 14 | 14 | 14 | 14 | 14 | 14 | 16 |
| I | 10 | 10 | 12 | 12 | 15 | 15 | 19 | 19 |
| L | 90,4 | 90,4 | 103,3 | 107 | 137,5 | 141,1 | 148 | 164,9 |
| M | 37,7 | 37,7 | 44,8 | 46,8 | 56,5 | 60,1 | 62 | 72,9 |
| N | 52,7 | 52,7 | 58,5 | 60,2 | 81 | 81 | 86 | 92 |
| O | 16,5 | 16,5 | 19,3 | 19,3 | 24,8 | 24,8 | 24,3 | 29,5 |
| P | 32,7 | 32,7 | 38,5 | 40,2 | 51 | 51 | 56 | 62 |
| Q | 37,7 | 37,7 | 44,8 | 46,8 | 56,5 | 60,1 | 62 | 72,9 |
| R | 14,5 | 14,5 | 16,2 | 18 | 20,2 | 22,5 | 25,5 | 29 |
| S | 20 | 20 | 20 | 20 | 30 | 30 | 30 | 30 |
| T | 70,4 | 70,4 | 83,3 | 87 | 107,5 | 111,1 | 118 | 134,9 |
| U | 129,4 | 129,4 | 152,1 | 169,3 | 196,8 | 204,8 | 237 | 260,2 |
| V | 180 | 180 | 180 | 180 | 220 | 220 | 300 | 300 |
| W (เกลียวแก๊ส) | 1/8" | 1/8" | 1/8" | 1/8" | 1/8" | 1/8" | 1/8" | 1/4" |
| X | 4 | 4 | 4 | 4 | 4 | 4 | 4 | - |
| Y | 137,6 | 137,6 | 154,8 | 163,9 | 183,5 | 199,1 | 220,8 | 236,4 |
| Z | 263,3 | 263,3 | 279,3 | 288,4 | 338,1 | 353,7 | 398 | 440,6 |
| Ch | 13 | 13 | 17 | 17 | 22 | 22 | 22 | 27 |
| จำนวนรอบ* | 11 | 11 | 13 | 14 | 16 | 18 | 15 | 16 |
| น้ำหนัก (Kg) | 3,2 | 3,2 | 4,5 | 5,3 | 6,8 | 9 | 11,7 | 15,2 |
| อากาศ (dm3/รอบการทำงาน) | 0,17 | 0,17 | 0,3 | 0,33 | 0,55 | 0,8 | 1 | 1,5 |
| แผ่นข้อมูลทางเทคนิค SRNV 360 ÷ SRNV 960 | |||||||
| รหัส | SRNV0360401S | SRNV0480401S | SRNV0480402S | SRNV0720401S | SRNV0720402S | SRNV0960401S | SRNV0960402S |
| ซีลสำรอง | KGGI0023VX | KGGI0024VX | KGGI0024VX | KGGI0025VX | KGGI0025VX | KGGI0026VX | KGGI0026VX |
| ขนาด | SRNV 360 | SRNV 480 | SRNV 480 | SRNV 720 | SRNV 720 | SRNV 960 | SRNV 960 |
| ISO | F10/F12 | F10/F12 | F14 | F14 | F12 | F14 | F12/F16 |
| A | 810,1 | 842,4 | 842,4 | 1035,4 | 1035,4 | 1067,7 | 1067,7 |
| B | 27 | 36 | 36 | 36 | 36 | 46 | 46 |
| C x ความลึก | M10x15 | M10x15 | M16x24 | M16x24 | M12x18 | M16x24 | M12x18 |
| D x ความลึก | M12x18 | M12x18 | - | - | - | - | M20x30 |
| E | 102 | 102 | 140 | 140 | 125 | 140 | 125 |
| F | 125 | 125 | - | - | - | - | 165 |
| G | 19,5 | 19,5 | 19,5 | 19,5 | 19,5 | 18,5 | 18,5 |
| H | 61,5 | 78 | 78 | 86,5 | 86,5 | 99,2 | 99,2 |
| J | 16 | 16 | 16 | 16 | 16 | 16 | 16 |
| K | 16 | 16 | 16 | 16 | 16 | 16 | 16 |
| I | 22 | 24 | 24 | 27 | 27 | 32 | 32 |
| L | 178 | 198 | 198 | 216 | 216 | 237,7 | 237,7 |
| M | 78,5 | 93,5 | 93,5 | 101,5 | 101,5 | 114,7 | 114,7 |
| N | 99,5 | 104,5 | 104,5 | 114,5 | 114,5 | 123 | 123 |
| O | 29,5 | 38,5 | 38,5 | 38,5 | 38,5 | 48,5 | 48,5 |
| P | 69,5 | 74,5 | 74,5 | 84,5 | 84,5 | 93 | 93 |
| Q | 78,5 | 93,5 | 93,5 | 101,5 | 101,5 | 114,7 | 114,7 |
| R | 31,8 | 36,5 | 36,5 | 41 | 41 | 46 | 46 |
| S | 30 | 30 | 30 | 30 | 30 | 30 | 30 |
| T | 148 | 168 | 168 | 186 | 186 | 207,7 | 207,7 |
| U | 306,6 | 324,1 | 324,1 | 399 | 399 | 414 | 414 |
| V | 350 | 350 | 350 | 400 | 400 | 400 | 400 |
| W (เกลียวแก๊ส) | 1/4" | 1/4" | 1/4" | 1/4" | 1/4" | 1/4" | 1/4" |
| X | - | - | - | - | - | - | - |
| Y | 282,3 | 297,1 | 297,1 | 365,6 | 365,6 | 382,9 | 382,9 |
| Z | 503,5 | 518,3 | 518,3 | 636,4 | 636,4 | 653,7 | 653,7 |
| Ch | 27 | 27 | 27 | 36 | 36 | 36 | 36 |
| จำนวนรอบ* | 19 | 20 | 20 | 25 | 25 | 26 | 26 |
| น้ำหนัก (Kg) | 19,5 | 28,1 | 28,1 | 38,8 | 38,8 | 50,6 | 50,6 |
| อากาศ (dm3/รอบการทำงาน) | 2 | 2,8 | 2,8 | 4,2 | 4,2 | 5,9 | 5,9 |
| แผ่นข้อมูลทางเทคนิค SRNV 1920 | |
| รหัส | SRNV1920E1608A |
| ซีลสำรอง | KGGI0230VX |
| ขนาด | SRNV 1920 |
| ISO | F16 |
| จำนวนรอบ* | 30 |
| น้ำหนัก (กก.) | 91 |
| อากาศ (dm3/รอบการทำงาน) | 12,5 |
| วัสดุ สำหรับรุ่นถึง SRNV960 | |||
| ตำแหน่ง | ชื่อชิ้นส่วน | จำนวน | วัสดุ |
| 1 | สกรู | 1 | สเตนเลสสตีล |
| 2* | แหวนรองสำหรับตลับลูกปืนลูกกลิ้ง | 4 | เหล็กอัลลอย |
| 3* | ตลับลูกปืนลูกกลิ้ง | 2 | เหล็กอัลลอย |
| 4 | หน้าแปลน | 1 | อะลูมิเนียมอัลลอย |
| 5 | แหวนจัดศูนย์ (เฉพาะ SRNV360) | 1 | อะลูมิเนียมอัลลอย |
| 6* | โอริง (เฉพาะ SRNV360) | 1 | ยางไนไตรล์ |
| 7* | โอริง | 2 | ยางไนไตรล์ |
| 8* | โอริง | 1 | ยางไนไตรล์ |
| 9* | โอริง | 1 | ยางไนไตรล์ |
| 10* | โอริง | 1 | ยางไนไตรล์ |
| 11 | สกรู | 1 | สเตนเลสสตีล |
| 12 | สปริง | 1 | สเตนเลสสตีล |
| 13 | ปลอกเว้นระยะกระบอก | 1 | อะลูมิเนียมอัลลอย |
| 14* | โอริง | 1 | ยางไนไตรล์ |
| 15* | ฝาครอบซีล | 1 | ทองเหลือง + ยางไนไตรล์ |
| 16 | ฝาครอบ (ปรับปรุง) | 1 | อะลูมิเนียมอัลลอย |
| 17 | สกรู | 4 | สเตนเลสสตีล |
| 18* | โอริง | 1 | ยางไนไตรล์ |
| 19 | ล้อมือสำหรับควบคุม | 1 | เหล็กอัลลอย |
| 20 | สกรูเซ็ต | 2 | สเตนเลสสตีล |
| 21 | ท่อปกป้อง | 1 | อะลูมิเนียมอัลลอย |
| 22 | ท่อใส | 1 | PVC |
| 23 | ฝาครอบป้องกัน | 1 | อะลูมิเนียมอัลลอย |
| 24 | ลิ่ม | 1 | เหล็กอัลลอย |
| 25 | สปริง | 2 | เหล็กอัลลอย |
| 26* | หมุดย้ำ | 1 | เหล็กอัลลอย |
| 27* | ตัวชี้ตำแหน่ง | 1 | โพลีโพรพิลีน |
| 28 | น็อตเกลียวนำสำหรับควบคุม | 1 | เหล็กอัลลอย |
| 29 | บุชเกลียว (เฉพาะ SRNV240) | 2 | สเตนเลสสตีล |
| 30 | ฝาครอบสปริงพิเศษ | 1 | อะลูมิเนียมอัลลอย |
| 31 | พิน | 1 | เหล็กอัลลอย |
| 32 | สกรูควบคุม | 1 | เหล็กอัลลอย |
| 33* | ซีลไดนามิก (ลูกสูบ) | 2 | โพลียูรีเทน |
| 34* | โอริงลูกสูบ | 2 | ยางไนไตรล์ |
| 35 | ลูกสูบ (ปรับปรุง) | 1 | อะลูมิเนียมอัลลอย |
| 36* | บ่ารองลูกสูบ | 4 | PTFE เติมคาร์บอน-กราไฟต์ |
| 37 | บุช | 2 | เหล็กอัลลอย |
| 38 | ปลอกหมุน | 2 | เหล็กอัลลอย |
| 39* | ซีลบอนด์ | 2 | เหล็กอัลลอย + ยางไนไตรล์ |
| 40 | สกรู | 2 | สเตนเลสสตีล |
| 41 | สก็อตช์โยก | 1 | เหล็กอัลลอย |
| 42 | บ่ารองเพลา | 1 | เรซินอะซีทาล |
| 43 | สลักยืดหยุ่นภายนอกของโยก | 1 | เหล็กอัลลอย |
| 44 | สลักยืดหยุ่นภายในของโยก | 1 | เหล็กอัลลอย |
| 45 | เพลา | 1 | สเตนเลสสตีล |
| 46 | บุชรองรับ | 1 | เรซินอะซีทาล |
| 47 | ซีลเพลาล่าง | 1 | FKM |
| 48 | กระบอก | 1 | อะลูมิเนียมอัลลอย |
| 49 | ซีลเพลาบน | 1 | FKM |
| 50 | แหวนรองรับภายนอก | 1 | เรซินอะซีทาล |
| 51 | แหวนรอง | 1 | สเตนเลสสตีล |
| 52 | แหวนล็อก (Seeger) | 1 | สเตนเลสสตีล |
| 53 | ลูกสูบ (มาตรฐาน) | 1 | อะลูมิเนียมอัลลอย |
| 54 | สกรูอัดสปริง | 1 | สเตนเลสสตีล |
| 55 | ฝาครอบสปริง (มาตรฐาน) | 1 | เหล็กอัลลอย หรือ อะลูมิเนียมอัลลอย |
| 56* | โอริงฝาครอบ | 1 | ยางไนไตรล์ |
| 57 | ฝาครอบ (มาตรฐาน) | 1 | อะลูมิเนียมอัลลอย |
| 58 | สกรู | 4 | สเตนเลสสตีล |
| 59* | โอริง | 1 | ยางไนไตรล์ |
| 60 | นอต | 1 | อะลูมิเนียมอัลลอย |
| 61 | ชิ้นแทรกสำหรับโอริง (เฉพาะ SRNV53-120-180-360) | 1 | สเตนเลสสตีล |
| * ชิ้นส่วนในชุดอะไหล่ | |||
| วัสดุ SRNV1920 | |||
| ตำแหน่ง | ชื่อชิ้นส่วน | จำนวน | วัสดุ |
| 1 | กระบอก | 1 | อะลูมิเนียมอัลลอย |
| 2 | กระบอก | 1 | อะลูมิเนียมอัลลอย |
| 3 | กระบอก | 1 | อะลูมิเนียมอัลลอย |
| 4 | ฝาครอบ (มาตรฐาน) | 1 | อะลูมิเนียมอัลลอย |
| 5 | ฐานรองสปริงด้านใน | 1 | อะลูมิเนียมอัลลอย |
| 6 | ฐานรองสปริงด้านนอก | 1 | อะลูมิเนียมอัลลอย |
| 7 | สกรูอัดสปริง | 1 | สเตนเลสสตีล |
| 8* | โอริง | 1 | ยางไนไตรล์ |
| 9 | นอตฝาครอบ | 1 | สเตนเลสสตีล |
| 10 | โอริง | 1 | ยางไนไตรล์ |
| 11 | โอริง | 1 | ยางไนไตรล์ |
| 12 | นอต | 1 | สเตนเลสสตีล |
| 13 | สปริงด้านนอก | 2 | เหล็กอัลลอย |
| 14 | สปริงด้านใน | 2 | เหล็กอัลลอย |
| 15 | ลูกสูบ (มาตรฐาน) | 1 | อะลูมิเนียมอัลลอย |
| 16 | บุช | 2 | เหล็กอัลลอย |
| 17* | บ่ารองลูกสูบ | 4 | เรซินอะซีทาล |
| 18 | พิน | 2 | เหล็กอัลลอย |
| 19 | ปลอกหมุน | 2 | เหล็กอัลลอย |
| 20 | สก็อตช์โยก | 1 | เหล็กอัลลอย |
| 21 | เพลา | 1 | สเตนเลสสตีล |
| 22 | บุชรองรับ | 1 | เรซินอะซีทาล |
| 23 | บ่ารองเพลา | 1 | เรซินอะซีทาล |
| 24* | โอริงฝาครอบ | 1 | ยางไนไตรล์ |
| 25* | แบริ่ง (ปลายเพลาล่าง) | 1 | PTFE เติมคาร์บอน-กราไฟต์ |
| 26* | แบริ่ง (ปลายเพลาบน) | 1 | PTFE เติมคาร์บอน-กราไฟต์ |
| 27* | แหวนรองรับภายนอก | 1 | เรซินอะซีทาล |
| 28 | แหวนรอง | 1 | สเตนเลสสตีล |
| 29* | โอริง | 3 | ยางไนไตรล์ |
| 30 | แหวนล็อก (Seeger) | 1 | สเตนเลสสตีล |
| 31 | สกรู | 6 | สเตนเลสสตีล |
| 32* | ซีลเพลาล่าง | 1 | FKM |
| 33* | โอริงลูกสูบ | 2 | ยางไนไตรล์ |
| 34* | ซีลเพลาบน | 1 | FKM |
| 35* | โอริง | 2 | ยางไนไตรล์ |
| 36* | แบริ่ง (หัวลูกสูบ) | 2 | PTFE เติมคาร์บอน-กราไฟต์ |
| 37 | นอต | 12 | สเตนเลสสตีล |
| 38 | ลูกสูบ (ปรับปรุง) | 1 | อะลูมิเนียมอัลลอย |
| 39* | แบริ่ง (ล้อมือ) | 2 | โพลียูรีเทน |
| 40 | ฝาครอบ (ปรับปรุง) | 1 | อะลูมิเนียมอัลลอย |
| 41 | น็อตเกลียวนำสำหรับควบคุม | 1 | เหล็กอัลลอย |
| 42* | ตัวชี้ตำแหน่ง | 1 | โพลีโพรพิลีน |
| 43 | ล้อมือสำหรับควบคุม | 1 | เหล็กอัลลอย |
| 44 | หน้าแปลน | 1 | อะลูมิเนียมอัลลอย |
| 45* | แบริ่งรับแรงธรรศนะ | 2 | เหล็กอัลลอย |
| 46 | สกรู | 8 | สเตนเลสสตีล |
| 47 | สกรู | 1 | สเตนเลสสตีล |
| 48 | แหวนรอง | 1 | สเตนเลสสตีล |
| 49 | ส้อมล็อกปิด | 1 | อะลูมิเนียมอัลลอย |
| 50 | ฐานรองส้อม | 1 | อะลูมิเนียมอัลลอย |
| 51 | ล้อล็อก | 1 | สเตนเลสสตีล |
| 52 | ฝาครอบป้องกัน | 1 | อะลูมิเนียมอัลลอย |
| 53 | สกรู | 3 | สเตนเลสสตีล |
| 54* | หมุดย้ำ | 1 | สเตนเลสสตีล |
| 55 | ลิ่ม | 1 | สเตนเลสสตีล |
| 56 | สกรู | 6 | เหล็กอัลลอย |
| 57* | โอริง | 1 | ยางไนไตรล์ |
| 58* | โอริง | 1 | ยางไนไตรล์ |
| 59* | โอริง | 1 | ยางไนไตรล์ |
| 60 | สกรู | 2 | สเตนเลสสตีล |
| 61* | ซีลบอนด์ | 2 | เหล็กอัลลอย + ยางไนไตรล์ |
| 62* | โอริง | 1 | ยางไนไตรล์ |
| 63* | โอริง | 1 | ยางไนไตรล์ |
| 64* | ปลั๊ก | 2 | PTFE |
| 65 | นอต | 1 | สเตนเลสสตีล |
| 66 | สกรูควบคุม | 1 | สเตนเลสสตีล |
| 67 | ท่อปกป้องแบบถอดได้ | 1 | อะลูมิเนียมอัลลอย |
| 68 | พิน | 1 | สเตนเลสสตีล |
| 69 | ฝาครอบสปริงพิเศษ | 1 | เหล็กอัลลอย |
| 70* | โอริง | 1 | ยางไนไตรล์ |
| 71* | โอริง | 1 | ยางไนไตรล์ |
| 72 | สกรู | 1 | สเตนเลสสตีล |
| 73 | สกรูนิรภัย | 1 | สเตนเลสสตีล |
| 74 | ท่อปกป้อง | 1 | อะลูมิเนียมอัลลอย |
| * ชิ้นส่วนในชุดอะไหล่ | |||