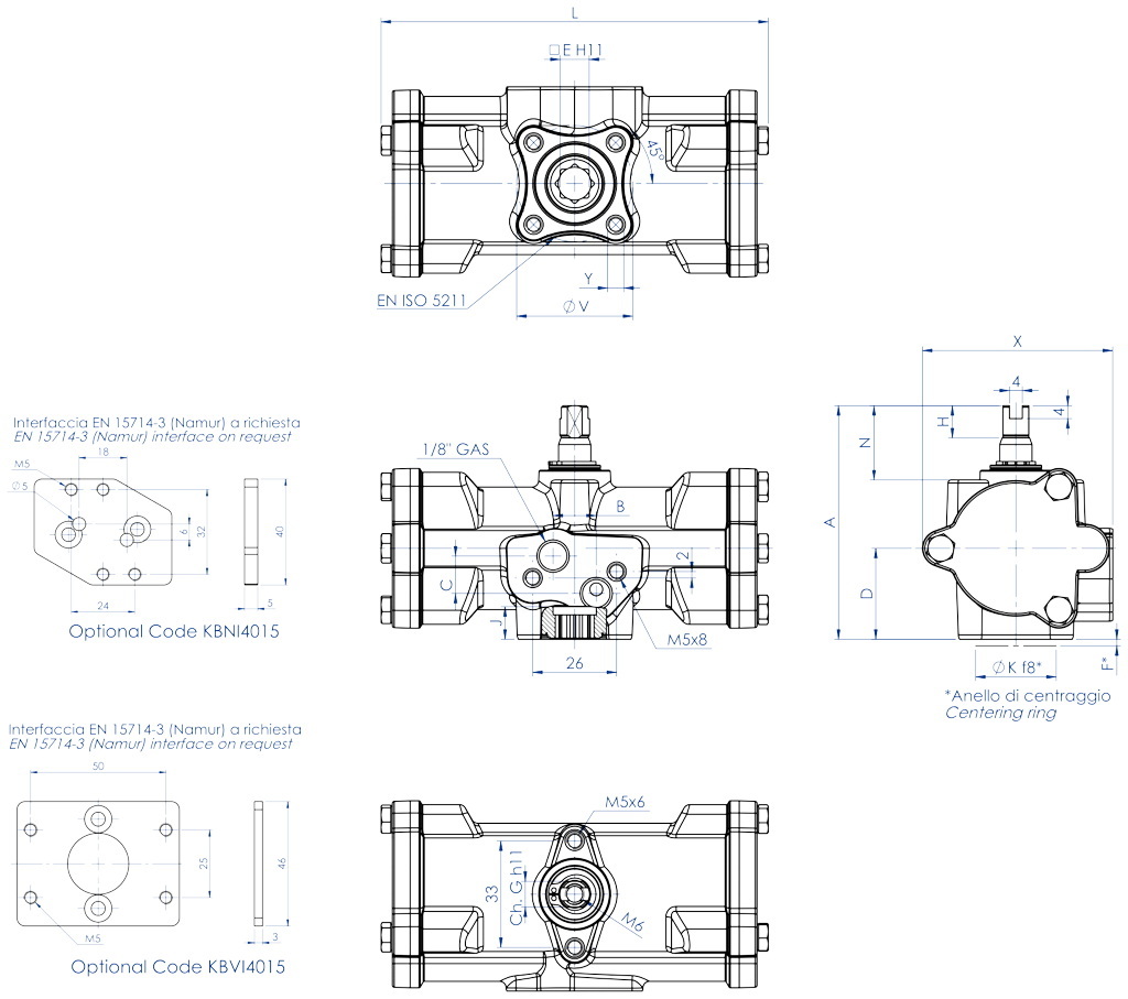
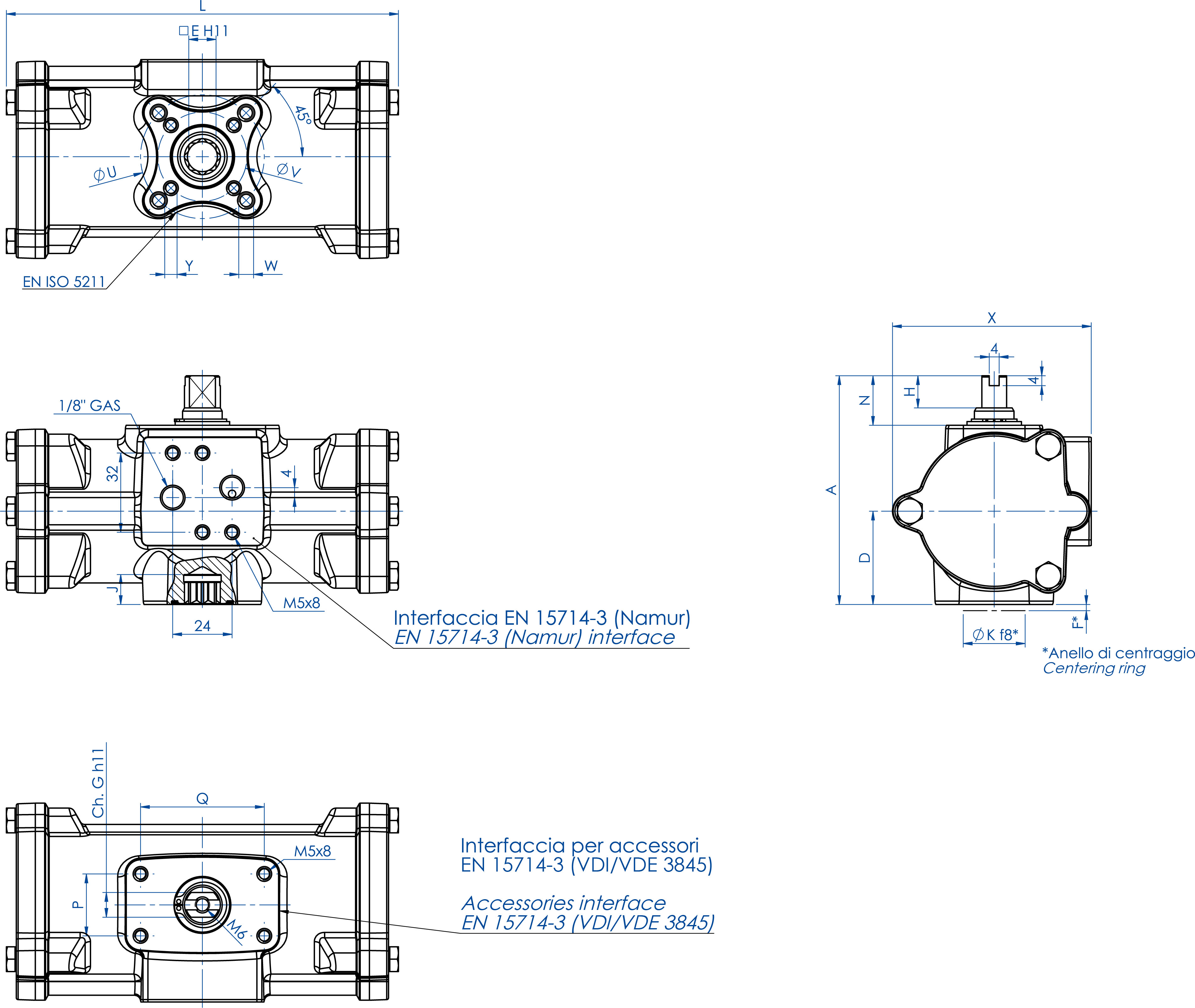
RACKON – แอคชูเอเตอร์นิวแมติกแบบแร็คแอนด์พีเนียน AGO – แอคชูเอเตอร์อะลูมิเนียม AGO HANDWHEEL – แอคชูเอเตอร์พร้อมพวงมาลัยมือในตัว AGO CF8M – แอคชูเอเตอร์สแตนเลสหล่อแม่นยำ CF8M AGO 316 – แอคชูเอเตอร์สแตนเลส 316 จากแท่งตัน AGO A105 – แอคชูเอเตอร์เหล็กกล้าคาร์บอน A105 AGO TWO STAGE – แอคชูเอเตอร์นิวแมติกอะลูมิเนียมแบบทูสเตจ AGO – รุ่นพิเศษตามคำขอ แอคชูเอเตอร์เหล็กกล้าคาร์บอนเฮฟวี่ดิวตี้ Download General catalogue ดาวน์โหลด Actuator Accessories Catalogue การถอดรหัส MAGNUM & THOR กำหนดค่าผลิตภัณฑ์ของคุณ ดาวน์โหลดไฟล์ 2D และ 3D ในหลายรูปแบบ ดาวน์โหลด Sales conditions มาโคร แอคชูเอเตอร์นิวแมติก หมวดหมู่ AGO CF8M – แอคชูเอเตอร์สแตนเลสหล่อแม่นยำ CF8M การเลือกขนาด ขอข้อมูล พิมพ์หน้าเว็บ ดาวน์โหลดแค็ตตาล็อก AGO CF8M – แอคชูเอเตอร์สแตนเลสหล่อแม่นยำ CF8M ประโยชน์ คุณลักษณะ ขนาด วัสดุ ข้อมูลจำเพาะ อุปกรณ์เสริม เอกสาร 1. แถบหล่อลื่นตัวเองแบบมีพลังงานลดแรงเสียดทานระหว่างลูกสูบและกระบอกป้องกันการยึดติดของซีลกับกระบอกแม้ในกรณีที่ไม่ได้ใช้งานเป็นเวลานาน2. ร่อง บุช และพิน ผลิตจากเหล็กที่มีค่าความแข็งมากกว่า 50 HRCเพิ่มความทนทานต่อแรงภายในตัวกระตุ้น (แอคชูเอเตอร์)3. แรงเสียดทานแบบหมุนระหว่างลูกสูบและร่องลดแรงเสียดทาน4. ระบบสก็อตยอร์กแบบแรงเสียดทานหมุน (แปลงการเคลื่อนไหวแบบหมุนให้เป็นแบบเชิงเส้นด้วยลูกสูบและเพลาโดยไม่ใช้เฟือง)ลดแรงเสียดทานระหว่างลูกสูบและเพลา จึงทำให้การสึกหรอของชิ้นส่วนลดลงแรงบิดเริ่มต้น (BTO และ BTC) สูงขึ้นขนาดเล็กกว่าตัวกระตุ้นแบบแร็คและเฟือง (ในแรงบิดเท่ากัน) จึงใช้พื้นที่ติดตั้งน้อยกว่าน้ำหนักเบากว่าตัวกระตุ้นแบบแร็คและเฟืองประมาณ 30% (กก./นิวตันเมตร) ทำให้ประหยัดในการออกแบบโครงสร้างของระบบ/อุปกรณ์ใช้ลมน้อยกว่าตัวกระตุ้นแบบแร็คและเฟือง (-40% ลูกบาศก์เซนติเมตร/นิวตันเมตร สำหรับชนิดทำงานสองทาง และ -20% สำหรับชนิดสปริงรีเทิร์น) ทำให้ภาระงานของคอมเพรสเซอร์ลดลง หรือสามารถใช้คอมเพรสเซอร์ขนาดเล็กลงได้5. กระบอกม้วนขึ้นรูปลดการสึกหรอของแถบหล่อลื่นตัวเองเนื่องจากผิวมีความเรียบเนียนสูง6. เพลาสแตนเลสทนการกัดกร่อนได้ดียิ่งขึ้นตั้งแต่ขนาดใหญ่กว่า DAN15 ขึ้นไป จะมีอินเทอร์เฟซ NAMUR สำหรับวาล์วโซลินอยด์ในตัวไม่จำเป็นต้องติดตั้งแผ่นเสริมเพิ่มเติมกระบวนการผลิตครบวงจรภายในโรงงานควบคุมและตรวจสอบความแม่นยำได้สูงสุดในทุกขั้นตอนของการผลิตใบรับรอง ATEXสามารถติดตั้งได้ในพื้นที่ที่มีความเสี่ยงต่อการเกิดการระเบิดได้รับการรับรองสูงสุดถึงระดับ SIL 3รับประกันความปลอดภัยการทำงานในระดับสูง คุณลักษณะทางเทคนิคแรงบิดตั้งแต่ 15 Nm ถึง 480 Nmหน้าแปลนยึดตามมาตรฐาน ISO 5211; F03 - F05 - F07 - F10เป็นไปตามมาตรฐาน EN 15714-3มุมการหมุน: 92° (-1°, +91°)แรงบิด: แปรผันโดยตรงตามแรงดันลมอัด (ดูตารางในแค็ตตาล็อกทั่วไปของแอคชูเอเตอร์นิวเมติกแบบ DA)รหัสตัวเลขหลังตัวอักษร DA หมายถึงค่าแรงบิดเริ่มต้น (breakaway torque) หน่วย Nm ที่แรงดันลม 5.6 barขนาดตั้งแต่ DA 60 ขึ้นไปสามารถเชื่อมต่อโดยตรงกับวาล์วโซลินอยด์แบบ NAMURขนาด DA15 - DA30 สามารถจัดให้มีแผ่น NAMUR ได้ตามคำขอรุ่น ATEX เป็นไปตามข้อกำหนดของ Directive 2014/34/EU โปรดเติมรหัส YX ต่อท้ายสำหรับรุ่น ATEXสภาวะการทำงานอุณหภูมิ: ตั้งแต่ -20°C ถึง +80°Cแรงดันลม: 5.6 bar; สูงสุด 8.4 barสื่อกระตุ้น (Actuating media): อากาศอัดแห้งที่ผ่านการกรอง อาจหล่อลื่นหรือไม่ก็ได้ หากใช้อากาศหล่อลื่น ต้องใช้น้ำมันที่ไม่มีผงซักฟอกและเข้ากันได้กับ NBR DA 15 ÷ DA 30 DA 60 ÷ DA 480 แผ่นข้อมูลทางเทคนิครหัสDA015516SDA030516SDA060516SDA120516SDA240516SDA480516SซีลสำรองKGXI0112KGXI0114KGXI0116KGXI0118KGXI0120KGXI0122ขนาดDA 15 F03DA 30 F03DA 60 F03-F05DA 120 F05-F07DA 240 F05-F07DA 480 F07-F10L มม.120134,6158,4192,9246,8298,4A มม.72,480,492,5116,5136,4160B มม.13,411,6----C มม.1213----D มม.28,232,737,746,256,268E มม.9911141722F มม.222333Ch. G มม.8910121519H มม.101013131719N มม.232320303030X มม.596880,394,4117139,7J มม.10,210,212,216,319,324,3ØK มม.252525353555Q มม.505050808080P มม.252525303030ØU มม.--507070102ØV มม.363636505070Y x ความลึกเกลียว มม.M5x9M5x9M5x9M6x11M6x11M8x13W x ความลึกเกลียว มม.--M6x11M8x15M8x13M10x22อากาศ dm3/รอบการทำงาน0,0790,1480,280,591,182,38น้ำหนัก กก.0,81,21,83,35,69,5 ชิ้นส่วนของแอคชูเอเตอร์นิวเมติกแบบดับเบิลแอคติ้ง ชนิดหล่อ CF8M ขนาด: DA 15-DA 30 วัสดุ: DA 15 ÷ DA 30ลำดับชื่อชิ้นส่วนจำนวนวัสดุ1กระบอกสูบ1สแตนเลส CF8M2*โอริงฝาครอบ2ยางไนไตรล์3แผ่นเพลท1สแตนเลส4แผ่น NAMUR1สแตนเลส5เพลา1สแตนเลส6สกรู6สแตนเลส7ฝาครอบ2สแตนเลส8สกรู (อุปกรณ์เสริม)4สแตนเลส9แหวนล็อก (Seeger)1สแตนเลส10แหวนรอง1สแตนเลส11สก็อตโย้ก1เหล็กกล้า12หมุดยืดหยุ่นภายนอกของโย้ก1เหล็กกล้า13หมุดยืดหยุ่นภายในของโย้ก1เหล็กกล้า14ตัวยึดเพลาด้านบน1เรซินอะซีทัล15บุชช์รองรับ2เรซินอะซีทัล16ตัวยึดเพลาด้านล่าง1เรซินอะซีทัล17*โอริง (ซีลเพลาด้านบน)1FKM18*โอริง (ซีลเพลาด้านล่าง)1FKM19ลูกสูบ2อลูมิเนียมอัลลอย20*ฐานรองลูกสูบ4พีทีเอฟอีผสมกราไฟต์21*ซีลไดนามิก (ลูกสูบ)2โพลียูรีเทน22*โอริงลูกสูบ2ยางไนไตรล์23ปลอกหมุน2เหล็กกล้า24บุชช์2เหล็กกล้า25*แหวนรองรับภายนอก1เรซินอะซีทัล26โอริง (อุปกรณ์เสริม)2ยางไนไตรล์* ชิ้นส่วนในชุดอะไหล่สำรอง ชิ้นส่วนของแอคชูเอเตอร์นิวเมติกแบบดับเบิลแอคติ้ง ชนิดหล่อ CF8M ขนาด: DA60-DA480 วัสดุลำดับชื่อชิ้นส่วนจำนวนวัสดุ1กระบอกสูบ1สแตนเลส2*โอริงฝาครอบ2ยางไนไตรล์3เพลา1สแตนเลส4สกรู6สแตนเลส5ฝาครอบ2สแตนเลส6แหวนล็อก (Seeger)1สแตนเลส7แหวนรอง1สแตนเลส8ตัวยึดเพลาด้านล่าง1เรซินอะซีทัล9ตัวยึดเพลาด้านบน1เรซินอะซีทัล10สก็อตโย้ก1เหล็กกล้า11*โอริง (ซีลเพลาด้านล่าง)1FKM12หมุดยืดหยุ่นภายนอกของโย้ก1เหล็กกล้า13หมุดยืดหยุ่นภายในของโย้ก1เหล็กกล้า14ลูกสูบ2อลูมิเนียมอัลลอย15*ฐานรองลูกสูบ4พีทีเอฟอีผสมกราไฟต์16*ซีลไดนามิก (ลูกสูบ)2โพลียูรีเทน17ปลอกหมุน2เหล็กกล้า18บุชช์2เหล็กกล้า19*โอริงลูกสูบ2ยางไนไตรล์20บุชช์รองรับด้านล่าง1เรซินอะซีทัล21บุชช์รองรับด้านบน1เรซินอะซีทัล22*โอริง (ซีลเพลาด้านบน)1FKM23*แหวนรองรับภายนอก1เรซินอะซีทัล* ชิ้นส่วนในชุดอะไหล่สำรอง ระนาบการทำงานของแอคชูเอเตอร์นิวเมติกแบบ “DA” กล่องลิมิตสวิตช์ (Limit Switch Box) ระบบควบคุมมือด้วยพวงมาลัยมือ (Manual Override with Hand Wheel) โซลินอยด์วาล์ว NAMUR (NAMUR Solenoid Valves) โซลินอยด์วาล์ว (Solenoid Valves) โพซิชันเนอร์อิเล็กโทรนิวแมติก (ชนิดนิรภัยโดยธรรมชาติ – Intrinsically Safe) โพซิชันเนอร์นิวแมติก (Pneumatic Positioner) ลิมิตสวิตช์แบบใกล้ชิด (Proximity Limit Switches) ลิมิตสวิตช์อิเล็กโทรแมคคานิค (Electromechanical Limit Switches) ลิมิตสวิตช์นิวแมติก (Pneumatic Limit Switches) ลิมิตสวิตช์กันระเบิด II2GD ExdIIC (Explosion Proof Limit Switches) ใบรับรอง ATEX - Pneumatic Actuators SIL EN 61508 - Actuators: SR, SRN, DA, DAN คำแนะนำ ATEX MANUAL UITG0G01ATX เลือก ขนาด เลือกมาตรฐานการค้นหา -- ขนาด -- DA15 DA30 DA60 DA120 DA240 DA480 ค้นหารายการ