) แถบซีลแบบมีแรงกดและหล่อลื่นในตัว
ลดแรงเสียดทานระหว่างลูกสูบและกระบอก
ป้องกันไม่ให้ซีลยึดติดกับกระบอก แม้หลังจากไม่ได้ใช้งานเป็นเวลานาน
2) แคมปรับตำแหน่งทำจากเหล็ก
สามารถปรับการปิดและ/หรือการเปิดได้ด้วยแอคชูเอเตอร์มาตรฐาน (±5° ต่อการปรับหนึ่งครั้ง)
การปรับง่ายและเชื่อถือได้
3) การแปลงการเคลื่อนที่เชิงเส้นเป็นการเคลื่อนที่แบบหมุนด้วยกลไกแร็คแอนด์พีเนียน (Rack & Pinion)
แรงบิดเชิงเส้น (BTO & BTC) เหมาะสำหรับบอลวาล์ว
ความแม่นยำสูงในการปรับตำแหน่ง เนื่องจากความแข็งแรงของระบบแร็คแอนด์พีเนียน และจุดหยุดเชิงกลระหว่างแคมและสกรูปรับ
ความเร็วในการหมุนสม่ำเสมอ
4) กระบอกผ่านการรีด (Rolled cylinder)
ลดการสึกหรอของแถบซีลแบบมีแรงกด เนื่องจากความหยาบผิวต่ำ (Ra 0.15 μm)
5) ระบบสปริงแบบตลับ (Cartridge spring modular system)
ความยืดหยุ่นสูงในการกำหนดค่า และความแม่นยำของแรงบิดที่เกิดจากสปริง
รองรับการกำหนดค่าหลากหลายรูปแบบ
อินเทอร์เฟซ NAMUR สำหรับโซลินอยด์วาล์ว
มีให้เลือกใช้ครบทุกช่วงรุ่น: พร้อมเพลตสำหรับ RK10 ถึง RK240 และบูรณาการใน RK300 และ RK480
เกลียวรูอากาศแบบ NPT มีให้ตามคำขอ
พร้อมเพลตสำหรับทุกรุ่น
กระบวนการผลิตครบวงจรภายในโรงงาน (100% in-house manufacturing)
ควบคุมและตรวจสอบความแม่นยำได้สูงสุดในทุกขั้นตอนของการผลิต
การปฏิบัติตามมาตรฐาน ATEX
สามารถติดตั้งได้ในพื้นที่ที่อาจเกิดการระเบิด
ผ่านการรับรองสูงสุดถึง SIL 3
รับประกันระดับความปลอดภัยในการทำงานที่สูงมาก
คุณสมบัติทางเทคนิค
• แรงบิดตั้งแต่ 10 Nm ถึง 474 Nm
• หน้าแปลนติดตั้งตามมาตรฐาน EN ISO 5211: F03 - F04 - F05 - F07 - F10 - F12
• เป็นไปตามมาตรฐาน EN 15714-3
• สอดคล้องกับข้อกำหนดของ Directive ATEX 2014/34/EU
• มุมการหมุน: 100° (-5°, +95°)
• การปรับสองจุด ±5° สำหรับแต่ละตำแหน่งปลาย (0° และ 90°)
• แรงบิดเป็นสัดส่วนโดยตรงกับแรงดันลมอัด (ดูตารางประกอบ)
• รหัสหลังอักษร RK หมายถึงค่าแรงบิดในหน่วย Nm ที่แรงดันลม 5,6 bar
สภาวะการทำงาน
• ช่วงอุณหภูมิมาตรฐาน: -20°C ถึง +80°C
รุ่นพิเศษ:
- อุณหภูมิสูง: -20°C ถึง +150°C
- อุณหภูมิต่ำ: -50°C ถึง +60°C
• แรงดันใช้งานปกติ: 5.5 bar; แรงดันใช้งานสูงสุด 8 bar
• สื่อการทำงาน: ลมอัดกรองแล้ว ไม่จำเป็นต้องหล่อลื่น ตามมาตรฐาน UNI EN 15714-3:2009
• หากต้องการหล่อลื่น ให้ใช้น้ำมันที่ไม่มีสารทำความสะอาด และต้องเข้ากันได้กับซีลภายใน
รุ่นพิเศษตามคำขอ และรหัสการสั่งซื้อ
| คุณลักษณะ | ||
| ประเภทแอกชูเอเตอร์ | RK | |
| ขนาด | 0010, 0020, 0040, 0060, 0080, 00120, 00160, 0240, 0300, 0480 | |
| ลูกค้า | VO | OMAL |
| มุมการหมุน [°] | A | 90° |
| B* | 180° | |
| C* | 120° | |
| D* | 135° | |
| ทิศทางการหมุน | R | หมุนตามเข็มนาฬิกา |
| L | หมุนทวนเข็มนาฬิกา | |
| การทำงานของแอกชูเอเตอร์ | S | แบบสปริงรีเทิร์น (ปิดปกติ) |
| O | แบบสปริงรีเทิร์น (เปิดปกติ) | |
| D | แบบทำงานสองทิศทาง | |
| สปริง | 00 | ไม่มีสปริง |
| 20 | สปริง 2,0 bar | |
| 25 | สปริง 2,5 bar | |
| 30 | สปริง 3,0 bar | |
| 35 | สปริง 3,5 bar | |
| 40 | สปริง 4,0 bar | |
| 45 | สปริง 4,5 bar | |
| 50 | สปริง 5,0 bar | |
| 55 | สปริง 5,5 bar | |
| 60 | สปริง 6,0 bar | |
| หน้าแปลน หรือหน้าแปลนขนาดเล็ก (กรณีมีหน้าแปลนคู่) | 03 | F03 |
| 04 | F04 | |
| 05 | F05 | |
| 07 | F07 | |
| 10 | F10 | |
| 12 | F12 | |
| รูปแบบเพลา | Q | เพลาแบบดาว |
| D* | เพลาหัวแบน | |
| ขนาดเพลา | 09 | ขนาดเพลา 9 มม. |
| 11 | ขนาดเพลา 11 มม. | |
| 14 | ขนาดเพลา 14 มม. | |
| 17 | ขนาดเพลา 17 มม. | |
| 22 | ขนาดเพลา 22 มม. | |
| 27 | ขนาดเพลา 27 มม. | |
| การเชื่อมต่อลม | G | เพลท NAMUR เกลียว GAS |
| N | เพลท NAMUR เกลียว NPT | |
| 0 | เกลียว Gas บนกระบอกลม (ไม่มีอินเทอร์เฟซ NAMUR) | |
| I | อินเทอร์เฟซ NAMUR พร้อมเกลียว Gas ในตัว | |
| รุ่น | - | รุ่นมาตรฐาน |
| 6* | อุณหภูมิต่ำ | |
| 4* | อุณหภูมิสูง | |
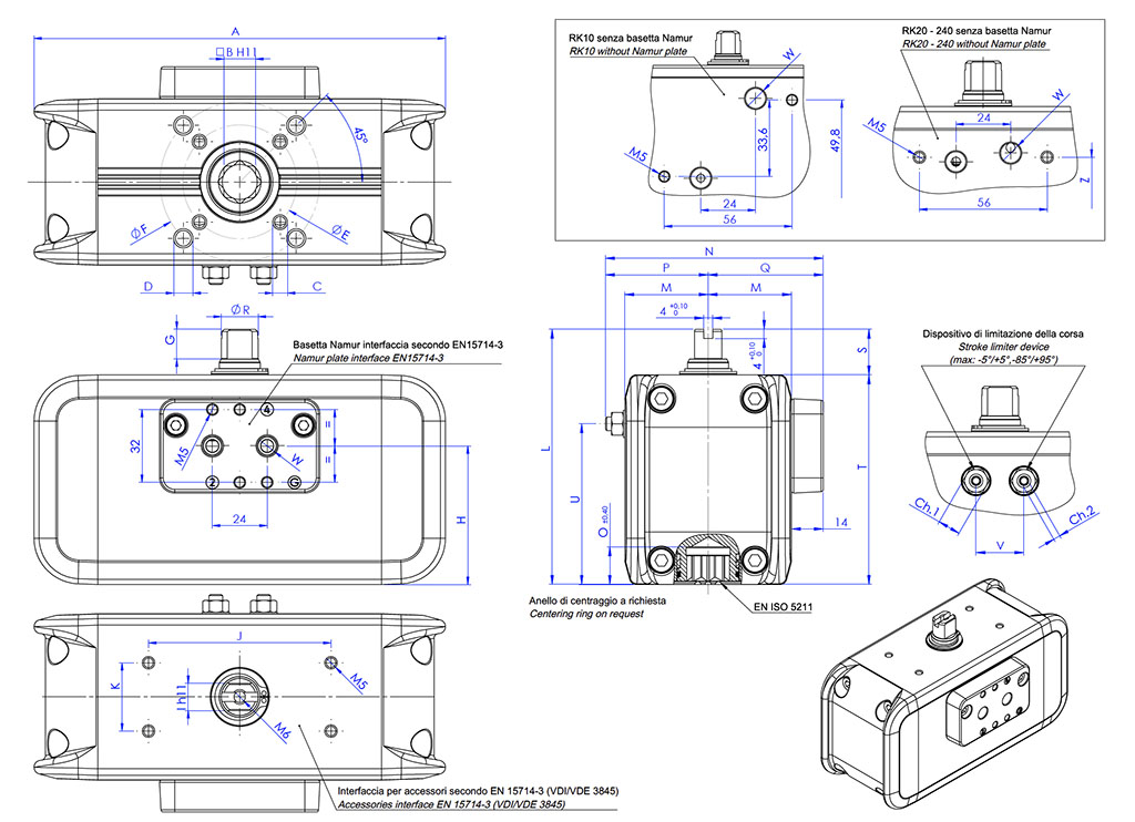
| ขนาด [mm] | |||||||||||||||
| ขนาด | RK10 | RK10 | RK20 | RK20 | RK20 | RK20 | RK40 | RK40 | RK40 | RK40 | RK60 | RK80 | RK120 | RK160 | RK240 |
| ISO | F03 | F04 | F03/F05 | F03/F05 | F04 | F04 | F04 | F04 | F05/F07 | F05/F07 | F05/F07 | F05/F07 | F05/F07 | F07/F10 | F07/F10 |
| A | 121,7 | 121,7 | 153,7 | 153,7 | 153,7 | 153,7 | 180,4 | 180,4 | 180,4 | 180,4 | 215,4 | 235,5 | 265,9 | 285,9 | 318,4 |
| B | 9 | 9 | 9 | 11 | 9 | 11 | 11 | 14 | 11 | 14 | 14 | 17 | 17 | 22 | 22 |
| C x ความลึก | M5x8 | M5x8 | M5x8 | M5x8 | M5x8 | M5x8 | M5x8 | M5x8 | M6x9 | M6x9 | M6x9 | M6x9 | M6x9 | M8x12 | M8x12 |
| D x ความลึก | - | - | M6x9 | M6x9 | - | - | - | - | M8x12 | M8x12 | M8x12 | M8x12 | M8x12 | M10x15 | M10x15 |
| E | 36 | 42 | 36 | 36 | 42 | 42 | 42 | 42 | 50 | 50 | 50 | 50 | 50 | 70 | 70 |
| F | - | - | 50 | 50 | - | - | - | - | 70 | 70 | 70 | 70 | 70 | 102 | 102 |
| G | 10 | 10 | 10 | 10 | 10 | 10 | 13 | 13 | 13 | 13 | 13 | 13 | 13 | 13 | 19,5 |
| H | 33 | 33 | 50,9 | 50,9 | 50,9 | 50,9 | 60,8 | 60,8 | 60,8 | 60,8 | 68,7 | 75,6 | 87,6 | 97,5 | 112 |
| I | 9 | 9 | 9 | 9 | 9 | 9 | 12 | 12 | 12 | 12 | 12 | 15 | 15 | 19 | 22 |
| J | 50 | 50 | 80 | 80 | 80 | 80 | 80 | 80 | 80 | 80 | 80 | 80 | 80 | 80 | 80 |
| K | 25 | 25 | 30 | 30 | 30 | 30 | 30 | 30 | 30 | 30 | 30 | 30 | 30 | 30 | 30 |
| L | 80 | 80 | 100 | 100 | 100 | 100 | 112 | 112 | 112 | 112 | 122 | 130 | 143 | 154 | 180 |
| M | 24,5 | 24,5 | 30 | 30 | 30 | 30 | 36,5 | 36,5 | 36,5 | 36,5 | 41,5 | 46 | 51 | 56,5 | 64 |
| N | 71* | 71* | 82,5* | 82,5* | 82,5* | 82,5* | 95,5* | 95,5* | 95,5* | 95,5* | 107,8* | 116,5* | 127* | 141* | 159* |
| O | 10,7 | 10,7 | 13,2 | 13,2 | 13,2 | 13,2 | 16,5 | 16,5 | 16,5 | 16,5 | 16,5 | 19,3 | 19,3 | 24,3 | 24,3 |
| P | 32,5* | 32,5* | 38,5* | 38,5* | 38,5* | 38,5* | 45* | 45* | 45* | 45* | 52,3* | 56,5* | 62* | 70,5* | 81* |
| Q | 38,5 | 38,5 | 44 | 44 | 44 | 44 | 50,5 | 50,5 | 50,5 | 50,5 | 55,5 | 60 | 65 | 70,5 | 78 |
| R | 10,9 | 10,9 | 12,7 | 12,7 | 12,7 | 12,7 | 16,2 | 16,2 | 16,2 | 16,2 | 18 | 20,2 | 22,5 | 25,5 | 31,8 |
| S | 15 | 15 | 20 | 20 | 20 | 20 | 20 | 20 | 20 | 20 | 20 | 20 | 20 | 20 | 30 |
| T | 65 | 65 | 80 | 80 | 80 | 80 | 92 | 92 | 92 | 92 | 102 | 110 | 123 | 134 | 150 |
| U | 49 | 49 | 59,75 | 59,75 | 59,75 | 59,75 | 70,5 | 70,5 | 70,5 | 70,5 | 70,5 | 86 | 97,75 | 106,25 | 120,5 |
| V | 16 | 16 | 19 | 19 | 19 | 19 | 21 | 21 | 21 | 21 | 24 | 26 | 32 | 36 | 41 |
| W มาตรฐาน (เกลียว) | 1/8" | 1/8" | 1/8" | 1/8" | 1/8" | 1/8" | 1/8" | 1/8" | 1/8" | 1/8" | 1/8" | 1/8" | 1/4" | 1/4" | 1/4" |
| W พิเศษ (NPT) | 1/8"-27 | 1/8"-27 | 1/8"-27 | 1/8"-27 | 1/8"-27 | 1/8"-27 | 1/8"-27 | 1/8"-27 | 1/8"-27 | 1/8"-27 | 1/8"-27 | 1/8"-27 | 1/4"-18 | 1/4"-18 | 1/4"-18 |
| Ch.1 | 10 | 10 | 10 | 10 | 10 | 10 | 10 | 10 | 10 | 10 | 13 | 13 | 13 | 16 | 18 |
| Ch.2 | 3 | 3 | 3 | 3 | 3 | 3 | 3 | 3 | 3 | 3 | 4 | 4 | 4 | 5 | 6 |
| น้ำหนัก (kg) | 0,9 | 0,9 | 1,4 | 1,4 | 1,4 | 1,4 | 2,1 | 2,1 | 2,1 | 2,1 | 2,9 | 3,7 | 5,1 | 6,5 | 9 |
| ลม (dm3/รอบการทำงาน) | 0,12 | 0,12 | 0,25 | 0,25 | 0,25 | 0,25 | 0,48 | 0,48 | 0,48 | 0,48 | 0,75 | 1,04 | 1,48 | 1,99 | 2,91 |
| Z | 49,8 | 49,8 | 59,9 | 59,9 | 59,9 | 59,9 | 69,8 | 69,8 | 69,8 | 69,8 | 77,7 | 84,6 | 96,6 | 106,6 | 121 |
| W | 1/8" | 1/8" | 1/8" | 1/8" | 1/8" | 1/8" | 1/8" | 1/8" | 1/8" | 1/8" | 1/8" | 1/8" | 1/4" | 1/4" | 1/4" |
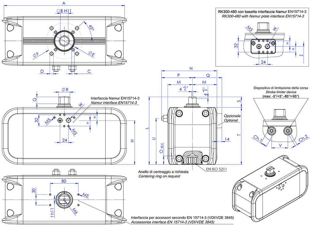
| ขนาด [mm] | ||
| ขนาด | RK300 | RK480 |
| ISO | F07/F10 | F10/F12 |
| A | 352,4 | 393,4 |
| B | 22 | 27 |
| C x ความลึก | M8x12 | M10x15 |
| D x ความลึก | M10x15 | M12x18 |
| E | 70 | 102 |
| F | 102 | 125 |
| G | 19,5 | 19,5 |
| H | 125 | 145 |
| I | 22 | 27 |
| L | 192 | 214 |
| M | 69,5 | 80 |
| N | 156,5* | 180* |
| O | 24,3 | 29,5 |
| P | 87* | 100* |
| Q | 83,5 | 94 |
| R | 31,8 | 38 |
| S | 30 | 30 |
| T | 162 | 184 |
| U | 131 | 149,5 |
| V | 46 | 52 |
| W มาตรฐาน (เกลียว) | 1/4" | 1/4" |
| W พิเศษ (NPT) | 1/4"-18 | 1/4"-18 |
| Ch.1 | 18 | 21 |
| Ch.2 | 6 | 6 |
| น้ำหนัก (kg) | 11,4 | 16,3 |
| ลม (dm3/รอบการทำงาน) | 3,77 | 5,8 |
| Z | 124,5 | 144,5 |
| W | 1/4" | 1/4" |
| วัสดุ | |||
| ตำแหน่ง | คำอธิบาย | จำนวน | วัสดุ |
| 1 | กระบอกลม | 1 | อลูมิเนียมอัลลอย |
| 2 | เพลา | 1 | เหล็กอัลลอย |
| 3* | แหวนสไลด์ (รองรับเพลาด้านบน) | 1 | เรซินอะซีทัลิก |
| 4* | แหวนสไลด์ (รองรับเพลาด้านล่าง) | 1 | เรซินอะซีทัลิก |
| 5* | โอริง (ซีลเพลาด้านล่าง) | 1 | ยางไนไตรล์ |
| 6 | คาม | 1 | เหล็กอัลลอย |
| 7* | แหวนรองรับภายใน | 1 | เรซินอะซีทัลิก |
| 8* | แหวนรองรับภายนอก | 1 | เรซินอะซีทัลิก |
| 9 | แหวนรอง | 1 | สแตนเลส |
| 10* | แหวนล็อก (Seeger) | 1 | สแตนเลส |
| 11* | โอริง** | 2 | ยางไนไตรล์ |
| 12* | โอริง (ซีลเพลาด้านบน) | 1 | ยางไนไตรล์ |
| 13 | เพลท NAMUR** | 1 | อลูมิเนียมอัลลอย |
| 14 | สกรู** | 2 | สแตนเลส |
| 15* | โอริง | 2 | ยางไนไตรล์ |
| 16* | แหวนรอง (จำกัดระยะการหมุน) | 2 | สแตนเลส |
| 17* | น็อตหกเหลี่ยม (จำกัดระยะการหมุน) | 2 | สแตนเลส |
| 18* | สกรูหัวจม (จำกัดระยะการหมุน) | 2 | สแตนเลส |
| 19 | ลูกสูบ | 2 | อลูมิเนียมอัลลอย |
| 20* | ขารองรับลูกสูบ | 4 | เรซินอะซีทัลิก |
| 21* | ซีลแบบไดนามิก | 2 | โพลียูรีเทน |
| 22* | โอริง | 2 | ยางไนไตรล์ |
| 23* | โอริงฝาปิด | 2 | ยางไนไตรล์ |
| 24 | ฝาปิด | 2 | อลูมิเนียมอัลลอย |
| 25 | สกรู | 8 | สแตนเลส |
| ตารางแรงบิดขาออกของ RACKON แบบ “DA” (หน่วย Nm) | ||||||||||||
| ขนาด | ลม bar | |||||||||||
| 2 bar | 2,5 bar | 3 bar | 3,5 bar | 4 bar | 4,5 bar | 5 bar | 5,5 bar | 5,6 bar | 6 bar | 7 bar | 8 bar | |
| RK10 | 3,7 | 4,7 | 5,6 | 6,6 | 7,5 | 8,4 | 9,4 | 10,3 | 10,5 | 11,2 | 13,1 | 15,0 |
| RK20 | 7,3 | 9,1 | 11,0 | 12,8 | 14,6 | 16,4 | 18,3 | 20,1 | 20,5 | 21,9 | 25,6 | 29,2 |
| RK40 | 13,9 | 17,4 | 20,9 | 24,4 | 27,9 | 31,3 | 34,8 | 38,3 | 39,0 | 41,8 | 48,7 | 55,7 |
| RK60 | 21,2 | 26,5 | 31,9 | 37,2 | 42,5 | 47,8 | 53,1 | 58,4 | 59,5 | 63,7 | 74,3 | 84,9 |
| RK80 | 30,0 | 37,5 | 44,9 | 52,4 | 59,9 | 67,4 | 74,9 | 82,4 | 83,9 | 89,9 | 104,9 | 119,9 |
| RK120 | 42,7 | 53,4 | 64,0 | 74,7 | 85,4 | 96,1 | 106,7 | 117,4 | 119,5 | 128,1 | 149,4 | 170,8 |
| RK160 | 58,5 | 73,2 | 87,8 | 102,5 | 117,1 | 131,7 | 146,4 | 161,0 | 163,9 | 175,6 | 204,9 | 234,2 |
| RK240 | 85,2 | 106,5 | 127,8 | 149,1 | 170,4 | 191,7 | 213,0 | 234,3 | 238,6 | 255,6 | 298,2 | 340,8 |
| RK300 | 109,8 | 137,2 | 164,7 | 192,1 | 219,6 | 247,0 | 274,5 | 301,9 | 307,4 | 329,3 | 384,2 | 439,1 |
| RK480 | 172,4 | 215,5 | 258,5 | 301,6 | 344,7 | 387,8 | 430,9 | 474,0 | 482,6 | 517,1 | 603,3 | 689,5 |
ระนาบการทำงาน
เมื่อจ่ายลมผ่านช่องลมหมายเลข 4 ลูกสูบจะเคลื่อนที่เข้าหาศูนย์กลาง และเพลาจะหมุนตามเข็มนาฬิกา
ภาพด้านบนแสดงตำแหน่งสุดท้ายของการหมุน
ระนาบการทำงาน
เมื่อจ่ายลมผ่านช่องลมหมายเลข 2 ลูกสูบจะเคลื่อนที่ออกจากศูนย์กลาง และเพลาจะหมุนทวนเข็มนาฬิกา
ภาพด้านบนแสดงตำแหน่งสุดท้ายของการหมุน
A) ตรวจสอบให้แน่ใจว่าไม่มีลมอัดอยู่ในแอกชูเอเตอร์ (ทั้งสองห้อง)
B) คลายน็อตล็อก A1
C) จ่ายลมเข้าในช่องหมายเลข “2” (เพียงพอสำหรับให้เกิดการเคลื่อนไหว) ลูกสูบจะอยู่ในตำแหน่งสิ้นสุดระยะการหมุน
D) หมุนหรือคลายสกรู A ด้วยประแจหกเหลี่ยม (Allen key) เพื่อปรับตามต้องการ (ช่วงการปรับสูงสุด ±5°)
E) หลังจากปรับแล้ว ใช้ประแจหกเหลี่ยมจับสกรู A ไว้ และในขณะเดียวกันใช้ประแจขันน็อตล็อก A1 ให้แน่น
หมายเหตุ: หากจำเป็น ให้ทำซ้ำขั้นตอนเหล่านี้จนได้ตำแหน่งที่ต้องการ
A) ตรวจสอบให้แน่ใจว่าไม่มีลมอัดอยู่ในแอกชูเอเตอร์ (ทั้งสองห้อง)
B) คลายน็อตล็อก B1
C) จ่ายลมเข้าในช่องหมายเลข “4” (เพียงพอสำหรับให้เกิดการเคลื่อนไหว) ลูกสูบจะอยู่ในตำแหน่งสิ้นสุดระยะการหมุน
D) หมุนหรือคลายสกรู B ด้วยประแจหกเหลี่ยม (Allen key) เพื่อปรับตามต้องการ (ช่วงการปรับสูงสุด ±5°)
E) หลังจากปรับแล้ว ใช้ประแจหกเหลี่ยมจับสกรู B ไว้ และในขณะเดียวกันใช้ประแจขันน็อตล็อก B1 ให้แน่น
หมายเหตุ: หากจำเป็น ให้ทำซ้ำขั้นตอนเหล่านี้จนได้ตำแหน่งที่ต้องการ