การออกแบบเรขาคณิตภายในเพื่อลดการสูญเสียความดัน
การไหลของของไหลภายในวาล์วได้รับการศึกษาเพื่อเพิ่มความสามารถในการไหลสูงสุด
กระบอกนิวเมติกบูรณาการอยู่ในตัววาล์ว
ประหยัดพื้นที่เมื่อเทียบกับวาล์วอัตโนมัติ
ลูกสูบชุบนิกเกิลเคมี (20–25 ไมครอน)
ลดการสึกหรอของซีลเนื่องจากความแข็งผิวเพิ่มขึ้น (400–550 HV)
ซีลริมฝีปาก (Lip seals)
การสึกหรอน้อยกว่าซีลแบบโอริง
รูตรวจสอบการรั่วของซีลริมฝีปาก
ช่องเหล่านี้ช่วยแสดงการรั่วไหลที่อาจเกิดจากซีลริมฝีปาก ป้องกันไม่ให้ของไหลที่ถูกกักทำลายระบบจ่ายลม
แผ่นรองรับซีท (Seat support disc)
แผ่นสแตนเลส 316L เพื่อความเข้ากันได้ทางเคมีที่ดีที่สุด
วัสดุซีลหลายชนิดให้เลือก
ความเข้ากันได้สูงสุดกับของไหลประเภทต่าง ๆ ขึ้นอยู่กับซีลที่ใช้ (EPDM, NBR, FKM)
ร่องสำหรับติดตั้งเซ็นเซอร์ตำแหน่งวาล์วแบบบูรณาการ
สามารถติดตั้งเซ็นเซอร์ตำแหน่งได้ทั้งสองด้านของวาล์วเพื่อลดการใช้พื้นที่
ไม่มีชิ้นส่วนเคลื่อนไหวภายนอก
ไม่มีความเสี่ยงต่อการบาดเจ็บจากชิ้นส่วนที่เคลื่อนไหว
ติดตั้งง่าย
อายุการใช้งานยาวนาน
อายุการใช้งานยาวนานกว่าวาล์วบอลถึง 10 เท่า พร้อมลดค่าใช้จ่ายในการบำรุงรักษา
กระบวนการผลิตครบวงจรภายในโรงงาน
ควบคุมและตรวจสอบความแม่นยำในทุกขั้นตอนของการผลิต
การใช้ลมอัดน้อยลง
ใช้ลมอัดน้อยกว่าวาล์วที่มีแอคชูเอเตอร์แบบสปริงรีเทิร์นถึง 70%
ช่วยลดภาระของคอมเพรสเซอร์หรือสามารถใช้คอมเพรสเซอร์ขนาดเล็กลงได้
ใบรับรอง ATEX
สามารถติดตั้งได้ในสภาพแวดล้อมที่อาจมีการระเบิด
ใบรับรอง PED
สอดคล้องกับมาตรฐานความปลอดภัยของยุโรปสำหรับอุปกรณ์ความดัน
การรับรองสูงสุดถึง SIL 3
รับประกันระดับความปลอดภัยการทำงานสูง
คุณลักษณะทั่วไป:
• วาล์ว VIP ทั้งแบบดับเบิลแอคติ้งและแบบสปริงรีเทิร์น (ชนิดปกติเปิดหรือปกติปิด) มีให้เลือกตั้งแต่ขนาด 3/8” ถึง 2”.
• การไหลทางเดียว.
• ความดันสูงสุด (P MAX) 40 บาร์ (580 psi) ตามทิศทางที่ระบุ.
• ปลายเกลียวตามมาตรฐาน EN 10226-1 Rp (เทียบเท่า ISO 7/1) - DIN 2999; NPT.
• เกลียวต่อสำหรับระบบจ่ายลม (แผ่นอะแดปเตอร์ NAMUR มีให้เลือกเป็นอุปกรณ์เสริมตามคำขอ).
• ระบบพลศาสตร์ของของไหลได้รับการปรับปรุงเพื่อลดการสูญเสียแรงดันให้น้อยที่สุด.
• วาล์ว VIP สามารถติดตั้งได้ในทุกตำแหน่ง (แนวนอน แนวตั้ง หรือมุมเอียง).
• ซีลเบาะนั่งทำจาก PTFE + GF.
• ซีลริมและโอริง:
- NBR: เหมาะสำหรับลม ของไหลก๊าซ น้ำมัน น้ำ ฯลฯ
- FKM: เหมาะกับของไหลส่วนใหญ่ แต่ไม่เหมาะกับไอน้ำ.
- EPDM: เหมาะอย่างยิ่งสำหรับน้ำร้อน แต่ไม่เหมาะกับผลิตภัณฑ์ที่เป็นน้ำมันหรือจาระบี.
• สามารถตรวจสอบตำแหน่งเปิด/ปิดของวาล์วได้ด้วยสวิตช์ลิมิตแบบเหนี่ยวนำ (คอนแทคแม่เหล็ก) ซึ่งเป็นอุปกรณ์เสริมตามคำขอ โดยต้องระบุแม่เหล็กภายในเมื่อสั่งซื้อ VIP EVO.
• ระดับการรั่วซึม Class VI ตามมาตรฐาน IEC 60534-4 (ANSI-FCI 70-2 Class VI).
• เป็นไปตามข้อกำหนดของ 2014/68/EU “PED”.
• การกำหนดค่าตามมาตรฐาน ATEX 2014/34/EU มีให้เลือกตามคำขอในขั้นตอนการสั่งซื้อ.
• การปิดสูญญากาศ: อัตราการรั่ว <5·10⁻⁵ mbar·l/s (น้อยกว่า 2 กรัมของอากาศที่อุณหภูมิห้องต่อปี).
สื่อควบคุม:
• อากาศอัดกรองสะอาด ไม่จำเป็นต้องหล่อลื่น ตามมาตรฐาน UNI EN 15714-3:2009.
• ในกรณีใช้อากาศหล่อลื่น ต้องใช้น้ำมันที่เข้ากันได้กับวัสดุซีล.
• ความดันอากาศที่จ่าย:
- แบบดับเบิลแอคติ้ง: ขั้นต่ำ 3 บาร์ (44 psi); สูงสุด 8.5 บาร์ (123 psi).
- แบบสปริงรีเทิร์น N.C.: ขั้นต่ำ 4 บาร์ (58 psi); สูงสุด 8.5 บาร์ (123 psi).
- แบบสปริงรีเทิร์น N.O.: ขั้นต่ำ 4.5 บาร์ (65 psi); สูงสุด 8.5 บาร์ (123 psi).
สื่อการทำงาน:
• ความดันสูงสุด: 40 บาร์ (580 psi) ดูแผนภาพประกอบ.
• อุณหภูมิการทำงาน:
- NBR (รวมถึงรุ่นที่มีแม่เหล็ก): จาก -20°C (-4°F) ถึง +80°C (176°F)| ขนาด [หน่วยเมตริก] | ||||||||
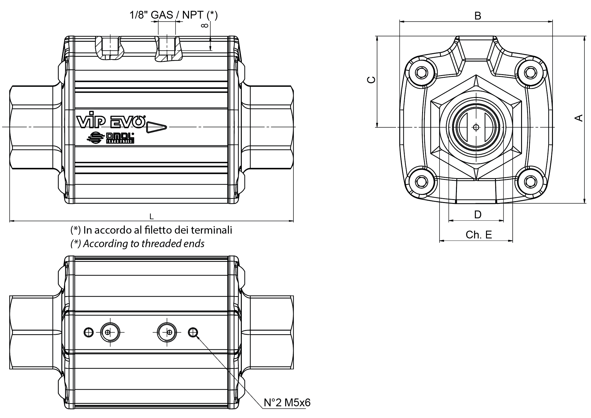
| เส้นผ่านศูนย์กลางพิกัด DN | มม. | 10 | 15 | 20 | 25 | 32 | 40 | 50 |
| เกลียว D | GAS / NPT 3 | 3/8” | 1/2” | 3/4” | 1” | 1”1/4 | 1”1/2 | 2” |
| รูทางผ่าน (Bore) | มม. | 10,5 | 16 | 20,8 | 26,6 | 33,5 | 41 | 51 |
| A | มม. | 63 | 73,5 | 85,5 | 94 | 110 | 123,5 | 134 |
| B | มม. | 56 | 66 | 78,5 | 86 | 103 | 115,5 | 123,5 |
| L | มม. | 120 | 134,5 | 154 | 159 | 185 | 211 | 228 |
| ch. E | มม. | 22 | 27 | 34 | 41 | 50 | 60 | 70 |
| C | มม. | 35,5 | 40,5 | 47 | 51 | 60 | 66 | 72,5 |
| ดับเบิลแอคติ้ง “DA” – ปริมาตรลม | ดีเอ็ม3/รอบ | 0,024 | 0,039 | 0,074 | 0,082 | 0,15 | 0,22 | 0,25 |
| สปริงรีเทิร์น “SR” – ปริมาตรลม | ดีเอ็ม3/รอบ | 0,011 | 0,021 | 0,034 | 0,037 | 0,07 | 0,10 | 0,13 |
| ดับเบิลแอคติ้ง “DA” – น้ำหนัก | กก. | 1,1 | 1,7 | 2,5 | 3 | 4,7 | 7,2 | 8 |
| สปริงรีเทิร์น “SR” – น้ำหนัก | กก. | 1,15 | 1,8 | 2,6 | 3,1 | 4,9 | 7,5 | 8,3 |
| เวลาในการสวิตช์ | มิลลิวินาที | 25/40 | 30/55 | 40/60 | 45/70 | 50/80 | 70/120 | 100/160 |
| ขนาด [หน่วยอิมพีเรียล] | ||||||||
| เกลียว D | GAS / NPT | 3/8” | 1/2” | 3/4” | 1” | 1”1/4 | 1”1/2 | 2” |
| รูทางผ่าน (Bore) | นิ้ว | 0,41 | 0,63 | 0,82 | 1,05 | 1,32 | 1,61 | 2,01 |
| A | นิ้ว | 2,48 | 2,89 | 3,37 | 3,70 | 4,33 | 4,86 | 5,28 |
| B | นิ้ว | 2,20 | 2,60 | 3,09 | 3,39 | 4,06 | 4,55 | 4,86 |
| L | นิ้ว | 4,72 | 5,30 | 6,06 | 6,26 | 7,28 | 8,31 | 8,98 |
| ch. E | นิ้ว | 0,87 | 1,06 | 1,34 | 1,61 | 1,97 | 2,36 | 2,76 |
| C | นิ้ว | 1,40 | 1,59 | 1,85 | 2,01 | 2,36 | 2,60 | 2,85 |
| ดับเบิลแอคติ้ง “DA” – ปริมาตรลม | นิ้ว3/รอบ | 1,46 | 2,38 | 4,52 | 5,00 | 9,15 | 13,43 | 15,26 |
| สปริงรีเทิร์น “SR” – ปริมาตรลม | นิ้ว3/รอบ | 0,67 | 1,28 | 2,07 | 2,26 | 4,27 | 6,10 | 7,93 |
| ดับเบิลแอคติ้ง “DA” – น้ำหนัก | ปอนด์ | 2,43 | 3,75 | 5,51 | 6,61 | 10,36 | 15,87 | 17,64 |
| สปริงรีเทิร์น “SR” – น้ำหนัก | ปอนด์ | 2,54 | 3,97 | 5,73 | 6,83 | 10,80 | 16,53 | 18,30 |
| เวลาในการสวิตช์ | มิลลิวินาที | 25/40 | 30/55 | 40/60 | 45/70 | 50/80 | 70/120 | 100/160 |
| วัสดุ | ||||
| ตำแหน่ง | รายการ | จำนวน | วัสดุ | การเคลือบผิว |
| 1 | กระบอกตัวกระตุ้นนำร่อง | 1 | อะลูมิเนียม | อโนไดซ์สีดำ |
| 2 | ปลอกเอาต์พุต | 1 | ทองเหลือง CW617N | ชุบนิกเกิล |
| 3 | ปลอกอินพุต | 1 | ทองเหลือง CW617N | ชุบนิกเกิล |
| 4 | ลูกสูบ | 1 | ทองเหลือง CW617N | ชุบนิกเกิล |
| 5 | ฐานรองภายใน | 1 | ทองเหลือง CW614N | - |
| 6* | ฐานรองเบาะซีล | 1 | สแตนเลส 316L | - |
| 7* | เบาะซีล | 1 | PTFE+ใยแก้ว 15% | - |
| 8* | โอริงเบาะซีล | 1 | NBR/EPDM/FKM | - |
| 9* | น็อตยึดเบาะซีล | 1 | ทองเหลือง CW614N | - |
| 10** | ซีลริม | 2 | NBR/EPDM/FKM | - |
| 11** | โอริงลูกสูบควบคุม | 1 | NBR/EPDM/FKM | - |
| 12** | โอริงลูกสูบภายใน | 2 | NBR/EPDM/FKM | - |
| 13* | โอริงระหว่างปลอก-ตัวเรือน | 1 | NBR/EPDM/FKM | - |
| 14* | โอริงด้านหน้า | 2 | NBR/EPDM/FKM | - |
| 15** | โอริงฐานรอง | 3 | NBR/EPDM/FKM | - |
| 16 | สกรูปิดฝา | 8 | A2-70 | - |
| 17 | แหวนรอง | 1 | A2 (สแตนเลส 304) | - |
| 18 | สกรู | 1 | A2-70 | - |
| 19 | สปริง | 1 | สแตนเลส 301 | - |
| 20 | แม่เหล็ก | 1 | เฟอร์ไรต์พลาสติก | - |
| NBR | ชุดอะไหล่สำหรับซีล NBR | ||
| DN [มม.] | [นิ้ว] | ชุดอะไหล่เบาะหลัก | ชุดอะไหล่ครบชุด |
| 10 | 3/8" | KGEB203 | KGEB203C |
| 15 | 1/2" | KGEB204 | KGEB204C |
| 20 | 3/4" | KGEB205 | KGEB205C |
| 25 | 1" | KGEB206 | KGEB206C |
| 32 | 1"1/4 | KGEB207 | KGEB207C |
| 40 | 1"1/2 | KGEB208 | KGEB208C |
| 50 | 2" | KGEB209 | KGEB209C |
| EPDM | ชุดอะไหล่สำหรับซีล EPDM | ||
| DN [มม.] | [นิ้ว] | ชุดอะไหล่เบาะหลัก | ชุดอะไหล่ครบชุด |
| 10 | 3/8" | KGEE203 | KGEE203C |
| 15 | 1/2" | KGEE204 | KGEE204C |
| 20 | 3/4" | KGEE205 | KGEE205C |
| 25 | 1" | KGEE206 | KGEE206C |
| 32 | 1"1/4 | KGEE207 | KGEE207C |
| 40 | 1"1/2 | KGEE208 | KGEE208C |
| 50 | 2" | KGEE209 | KGEE209C |
| FKM | ชุดอะไหล่สำหรับซีล FKM | ||
| DN [มม.] | [นิ้ว] | ชุดอะไหล่เบาะหลัก | ชุดอะไหล่ครบชุด |
| 10 | 3/8" | KGEV203 | KGEV203C |
| 15 | 1/2" | KGEV204 | KGEV204C |
| 20 | 3/4" | KGEV205 | KGEV205C |
| 25 | 1" | KGEV206 | KGEV206C |
| 32 | 1"1/4 | KGEV207 | KGEV207C |
| 40 | 1"1/2 | KGEV208 | KGEV208C |
| 50 | 2" | KGEV209 | KGEV209C |
หลักการทำงาน
วาล์วลมแบบโคแอกเชียล “VIP EVO” เป็นรุ่นพัฒนาของวาล์ว “VIP” เดิม “VIP EVO” เป็นวาล์วตัดตอน (ระหว่างท่อเข้า–ออก) ที่มีระบบควบคุมในตัว (A–B) การทำงานเกิดจากการเคลื่อนที่ภายในของลูกสูบที่ได้รับลมอัด เมื่อสิ้นสุดจังหวะการเคลื่อนที่ (วาล์ว VIP EVO เป็นวาล์วแบบเปิด–ปิด ON/OFF) ลูกสูบจะกดบนซีลของเบาะนั่งเพื่อหยุดการไหลของของไหล หรือเคลื่อนออกจากซีลเพื่อให้ของไหลผ่านได้
เนื่องจากซีลของเบาะนั่งปิดผนึกได้สนิทและแรงดันของของไหลที่ถูกตัดจะกระจายบนซีล แรงดันลมที่ใช้ขับลูกสูบจึงไม่ได้รับผลกระทบจากแรงดันของของไหลมากนัก ส่งผลให้ OMAL สามารถออกแบบวาล์วให้มีน้ำหนักเบา ประหยัดพื้นที่ และมีอายุการใช้งานยาวนาน ระบบพลศาสตร์ของของไหลภายในได้รับการออกแบบเพื่อลดความปั่นป่วนและการสูญเสียแรงดันให้น้อยที่สุด
วาล์วปิด
สปริงรีเทิร์น - SR N.C. สปริงอยู่ในตำแหน่ง “A1” เมื่อไม่มีสัญญาณควบคุม ลูกสูบจะกดบนซีลของเบาะนั่ง ดังนั้นตำแหน่งเริ่มต้นที่เหมาะสมคือ “ปิด”
วาล์วเปิด
สปริงรีเทิร์น - SR N.C. เมื่อจ่ายลมเข้าที่ช่อง “B” (โดยที่ช่อง “A” ต้องระบายออก) เมื่อสิ้นสุดจังหวะการเคลื่อนที่ ลูกสูบจะอยู่ห่างจากซีลของเบาะนั่งมากที่สุด วาล์วจึงอยู่ในตำแหน่ง “เปิด”
สปริงรีเทิร์น - SR N.O. เมื่อจ่ายลมเข้าที่ช่อง “A” (โดยที่ช่อง “B” ต้องระบายออก) เมื่อสิ้นสุดจังหวะการเคลื่อนที่ ลูกสูบจะกดบนซีลของเบาะนั่ง วาล์วจึงอยู่ในตำแหน่ง “ปิด”
สปริงรีเทิร์น - SR N.O. สปริงอยู่ในตำแหน่ง “B1” เมื่อไม่มีสัญญาณควบคุม ลูกสูบจะอยู่ห่างจากซีลของเบาะนั่ง ดังนั้นตำแหน่งเริ่มต้นที่เหมาะสมคือ “เปิด”
ดับเบิลแอคติ้ง - DA เมื่อจ่ายลมเข้าที่ช่อง “A” (โดยที่ช่อง “B” ต้องระบายออก) ลูกสูบจะกดบนซีลของเบาะนั่ง ทำให้วาล์วอยู่ในตำแหน่ง “ปิด”
ดับเบิลแอคติ้ง - DA เมื่อจ่ายลมเข้าที่ช่อง “B” (โดยที่ช่อง “A” ต้องระบายออก) ลูกสูบจะอยู่ในตำแหน่งที่ห่างจากซีลของเบาะนั่งมากที่สุด ทำให้วาล์วอยู่ในตำแหน่ง “เปิด”
สวิตช์จำกัดระยะพร้อมแม่เหล็ก: มีให้เลือกเป็นอุปกรณ์เสริมตามคำสั่งซื้อ
รุ่นดับเบิลแอคติ้ง (DA): มีสปริงในตัวสำหรับระบบป้องกันไฟฟ้าสถิต
| โซลินอยด์วาล์วแบบ NAMUR | |||||
| โซลินอยด์วาล์ว | ER8188A2 | ER8188A4 | ER8188A5 | ER8188C2 | ER8188C4 |
| แรงดันไฟฟ้า | 24V AC | 115V AC | 230V AC | 24V DC | 110V DC |
โซลินอยด์วาล์วแบบ 5/2 ตามมาตรฐาน NAMUR
• โซลินอยด์วาล์วนี้ออกแบบมาเพื่อเลือกการทำงานระหว่างแบบ 5/2 และ 3/2 ซึ่งสามารถทำได้โดยใช้เพลตติดตั้งที่เหมาะสม
• กำลังไฟฟ้าขณะทำงานเต็มที่ (กระแสตรง): 2.5 วัตต์
• กำลังไฟฟ้าขณะทำงานเต็มที่ (กระแสสลับ): 2 วัตต์
• ค่าความคลาดเคลื่อนของแรงดันไฟฟ้า: +/- 10%
• ฉนวนขดลวด: คลาส F
• ระดับการป้องกันเมื่อใช้ร่วมกับขั้วต่อ: IP65
• การเชื่อมต่อทางไฟฟ้า: PG 9
• การเชื่อมต่อทางลม: ขาเข้า 1/4” ขาออก 1/4” ตามมาตรฐาน ISO 228
• แรงดันสูงสุด: 10 บาร์ (145 psi)
• อุณหภูมิสื่อทำงาน: ตั้งแต่ -10°C ถึง +80°C (14°F ถึง 176°F)
• อุณหภูมิโดยรอบ: ตั้งแต่ -10°C ถึง +50°C (14°F ถึง 122°F)
| ไมโครโซลินอยด์วาล์ว (MICRO SOLENOID VALVE) | |||||
| โซลินอยด์วาล์ว | EP415024 | EP415110 | EP415220 | EP412012 | EP412024 |
| แรงดันไฟฟ้า | 24V AC | 115V AC | 230V AC | 12V DC | 24V DC |
ไมโครโซลินอยด์วาล์ว (Micro Solenoid Valve)
• โซลินอยด์วาล์วนี้เชื่อมต่อด้วยข้อต่อที่สามารถติดตั้งเข้ากับช่องลมเข้าของแอคทูเอเตอร์โดยตรง โดยไม่ต้องใช้ข้อต่อหรือสกรูยึดเพิ่มเติม
• โซลินอยด์วาล์วชนิด 3/2 พร้อมขดลวดโซลินอยด์ให้เลือกแรงดันไฟฟ้า: 24-110-220V AC หรือ 12-24V DC
• กำลังไฟฟ้าขณะเริ่มทำงาน (กระแสสลับ): 9 VA
• กำลังไฟฟ้าขณะทำงานเต็มที่ (กระแสตรง): 5 วัตต์
• กำลังไฟฟ้าขณะทำงานเต็มที่ (กระแสสลับ): 6 VA
• ค่าความคลาดเคลื่อนของแรงดันไฟฟ้า: +/- 10%
• ฉนวนลวดทองแดง: คลาส H
• ฉนวนขดลวด: คลาส F
• ระดับการป้องกันเมื่อใช้ขั้วต่อ: IP65
• การเชื่อมต่อทางไฟฟ้า: PG 9 สามารถติดตั้งได้ทุกทิศทาง 360°
• การเชื่อมต่อทางลม: 1/8” ISO 228 สามารถติดตั้งได้ทุกทิศทาง 360°
• แรงดันสูงสุด: 10 บาร์ (145 psi)
• อุณหภูมิสื่อทำงาน: ตั้งแต่ -10°C ถึง +50°C (14°F ถึง 122°F)
• อุณหภูมิโดยรอบ: ตั้งแต่ -10°C ถึง +50°C (14°F ถึง 122°F)
• ขนาดรูภายใน (Bore): 1.3 มม. (0.05 นิ้ว)
| สวิตช์จำกัดระยะ |
วาล์ว **VIP EVO** สามารถติดตั้งพร้อมกับ **ลิมิตสวิตช์แบบเหนี่ยวนำ (Inductive Limit Switch)** ซึ่งเป็นชนิด **หน้าสัมผัสแม่เหล็ก** และมี **ไฟแสดงสถานะ LED** ได้ ลิมิตสวิตช์สามารถติดตั้งได้ง่ายในร่องที่ออกแบบมาโดยเฉพาะและยึดด้วยสกรู เนื่องจากแม่เหล็กถูกติดตั้งอยู่ภายในตัววาล์ว จึงจำเป็นต้องทำการติดตั้งในขั้นตอนการประกอบวาล์วเท่านั้น ไม่สามารถติดตั้งเพิ่มเติมภายหลังได้ ดังนั้น หากต้องการใช้งาน **ต้องสั่งระบุแม่เหล็กตั้งแต่ขั้นตอนการสั่งซื้อ VIP EVO**
| ข้อมูลทางเทคนิคของลิมิตสวิตช์ | ||||||||
| การออกแบบทางไฟฟ้า | REED (PNP/NPN) | REED (PNP) | HALL (PNP) | HALL (PNP) | ||||
| ประเภทของหน้าสัมผัส | N.O. | N.O. | N.O. | N.O. | ||||
| แรงดันไฟฟ้าขณะทำงาน | V | 5-120 AC/DC | 5-50 AC/DC | 10-30 DC | 10-30 DC | |||
| กระแสไฟถาวรขาออกของสวิตช์ (AC) | mA | 100 | 350 | - | - | |||
| กระแสไฟถาวรขาออกของสวิตช์ (DC) | mA | 100 | 500 | 100 | 100 | |||
| ระดับการป้องกัน | IP 67 | IP 67 | IP 69K | IP 67 | ||||
| อุณหภูมิโดยรอบ | °C | -25/70 | -25/+70 | -25/+85 | -25/+60 | |||
| °F | -13÷158 | -13 ÷ +158 | -13/185 | -13/+140 | ||||
| จำนวนสายไฟ | 2 | 3 | 3 | 3 | ||||
| ความยาวสายไฟ | m | 2 | 2 | 0,3 | 2 | 0,3 | 2 | 0,3 |
| ft | 6,56 | 6,56 | 1 | 6,56 | 1 | 6,56 | 1 | |
| ประเภทการติดตั้ง | แบบตรง | แบบตรง | M12 | แบบตรง | M12 | แบบตรง | M12 | |
| หมวดหมู่ Atex | - | - | - | II 3D Ex tc IIIC T125°C Dc C | ||||
| การรับรองมาตรฐาน | CE/UKCA/UL/EAC/CCC | CE/UKCA/UL/EAC/CCC | CE/UKCA/UL/EAC | CE/UKCA/EAC | ||||
| รหัสสินค้า | FM7B7200 | FM7B9200 | FM7B9112 | FM7C3200 | FM7C3112 | FM7A3200 | FM7A3112 | |
| วัสดุ | PA / สแตนเลส | |||||||
| แผ่นอะแดปเตอร์ NAMUR |